电脑桌面
添加小米粒文库到电脑桌面
安装后可以在桌面快捷访问

员工()年度岗位履职考核情况统计表VIP免费

员工()年度岗位履职考核情况统计表_第1页
1/11
员工()年度岗位履职考核情况统计表_第2页
2/11
员工()年度岗位履职考核情况统计表_第3页
3/11
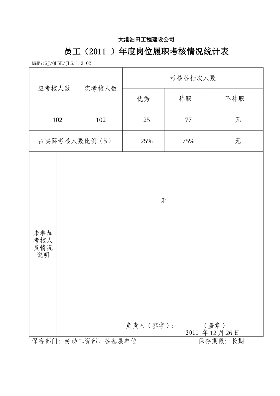
大港油田工程建设公司员工(2011)年度岗位履职考核情况统计表编码:GJ/QHSE/JL6.1.3-02应考核人数实考核人数考核各档次人数优秀称职不称职1021022577无占实际考核人数比例(%)25%75%无未参加考核人员情况说明无负责人(签字):(盖章)2011年12月26日保存部门:劳动工资部、各基层单位保存期限:长期大港油田工程建设公司员工能力评价表编码:GJ/QHSE/JL6.1.3-04姓名孙加龙性别男出生年月1988.10工作时间2005.02政治面貌群众文化程度初中毕业院校山东省费县胡阻中学所学专业无职务原职务工人职称资格或技能等级初级岗位名称原岗位电焊现职务工人现岗位电焊评价内容评价项目评价标准现状符合/不符合教育背景技校初中不符合健康状况身体健康,能够担任繁重工作任务健康符合专业技术(技能)资格初级职业资格证初级符合专业或工作经历掌握本岗位使用设备的操作规程掌握本岗操作规程符合能力要求准确把握本岗位相关法律法规、专业知识等能准确把握本岗位专业知识符合特种作业上岗资格持有有效特种作业操作证有证符合素质与能力差距能力有待提高评价结果合格不合格√基层单位(部门)评价结果及培训要求负责人(签字):(公章)年月日主管部门评价鉴定意见负责人(签字):(公章)年月日保存部门:劳动工资部、各基层单位(科级以上组织纪监部存)保存期:长期大港油田工程建设公司员工能力评价表编码:GJ/QHSE/JL6.1.3-04姓名付金龙性别男出生年月1989.09工作时间2010.10政治面貌团员文化程度大专毕业院校黑龙江工商职业学校所学专业数控技术及应用职务原职务工人职称资格或技能等级无岗位名称原岗位石油金属结构制作工现职务工人现岗位石油金属结构制作工评价内容评价项目评价标准现状符合/不符合教育背景技校大专符合健康状况身体健康,能够担任繁重工作任务健康符合专业技术(技能)资格职业资格证书待取证符合专业或工作经历有一定工作经验具备符合能力要求能看懂简单的图纸,懂得工艺流程具备符合特种作业上岗资格持有有效特种作业操作证已取证符合素质与能力差距职业资格证待取评价结果合格不合格√基层单位(部门)评价结果及培训要求负责人(签字):(公章)年月日主管部门评价鉴定意见负责人(签字):(公章)年月日保存部门:劳动工资部、各基层单位(科级以上组织纪监部存)保存期:长期大港油田工程建设公司员工能力评价表编码:GJ/QHSE/JL6.1.3-04姓名侯建峰性别男出生年月1989.12工作时间2010.11政治面貌团员文化程度大专毕业院校黑龙江工商职业学校所学专业数控技术及应用职务原职务工人职称资格或技能等级无岗位名称原岗位石油金属结构制作工现职务工人现岗位石油金属结构制作工评价内容评价项目评价标准现状符合/不符合教育背景技校大专符合健康状况身体健康,能够担任繁重工作任务健康符合专业技术(技能)资格职业资格证书待取证符合专业或工作经历有一定工作经验具备符合能力要求能看懂简单的图纸,懂得工艺流程具备符合特种作业上岗资格持有有效特种作业操作证已取证符合素质与能力差距职业资格证待取评价结果合格不合格√基层单位(部门)评价结果及培训要求负责人(签字):(公章)年月日主管部门评价鉴定意见负责人(签字):(公章)年月日保存部门:劳动工资部、各基层单位(科级以上组织纪监部存)保存期:长期大港油田工程建设公司员工能力评价表编码:GJ/QHSE/JL6.1.3-04姓名王琛性别男出生年月1988.01工作时间2008.05政治面貌群众文化程度高中毕业院校山东省沂水县学校所学专业无职务原职务工人职称资格或技能等级无岗位名称原岗位电焊现职务工人现岗位电焊评价内容评价项目评价标准现状符合/不符合教育背景技校高中符合健康状况身体健康,能够担任繁重工作任务健康符合专业技术(技能)资格职业资格证书待取证符合专业或工作经历掌握电焊操作技能,设备操作规程,经过专业的培训合格取得安全操作证方可上岗技术熟练符合能力要求准确把握本岗位专业知识能熟练掌握本岗位专业知识符合特种作业上岗资格持有有效特种作业操作证已取证符合素质与能力差距职业资格证待取评价结果合格不合格√基层单位(部门)评价结果及培训要求负责人(签字):(公章)年月...

1、当您付费下载文档后,您只拥有了使用权限,并不意味着购买了版权,文档只能用于自身使用,不得用于其他商业用途(如 [转卖]进行直接盈利或[编辑后售卖]进行间接盈利)。
2、本站所有内容均由合作方或网友上传,本站不对文档的完整性、权威性及其观点立场正确性做任何保证或承诺!文档内容仅供研究参考,付费前请自行鉴别。
3、如文档内容存在违规,或者侵犯商业秘密、侵犯著作权等,请点击“违规举报”。

碎片内容

员工()年度岗位履职考核情况统计表

您可能关注的文档

文章天下+ 关注
实名认证
内容提供者

各种文档应有尽有

确认删除?
VIP
微信客服
  • 扫码咨询
会员Q群
  • 会员专属群点击这里加入QQ群
客服邮箱
回到顶部