电脑桌面
添加小米粒文库到电脑桌面
安装后可以在桌面快捷访问

同步带轮选型方法VIP免费

同步带轮选型方法_第1页
1/6
同步带轮选型方法_第2页
2/6
同步带轮选型方法_第3页
3/6
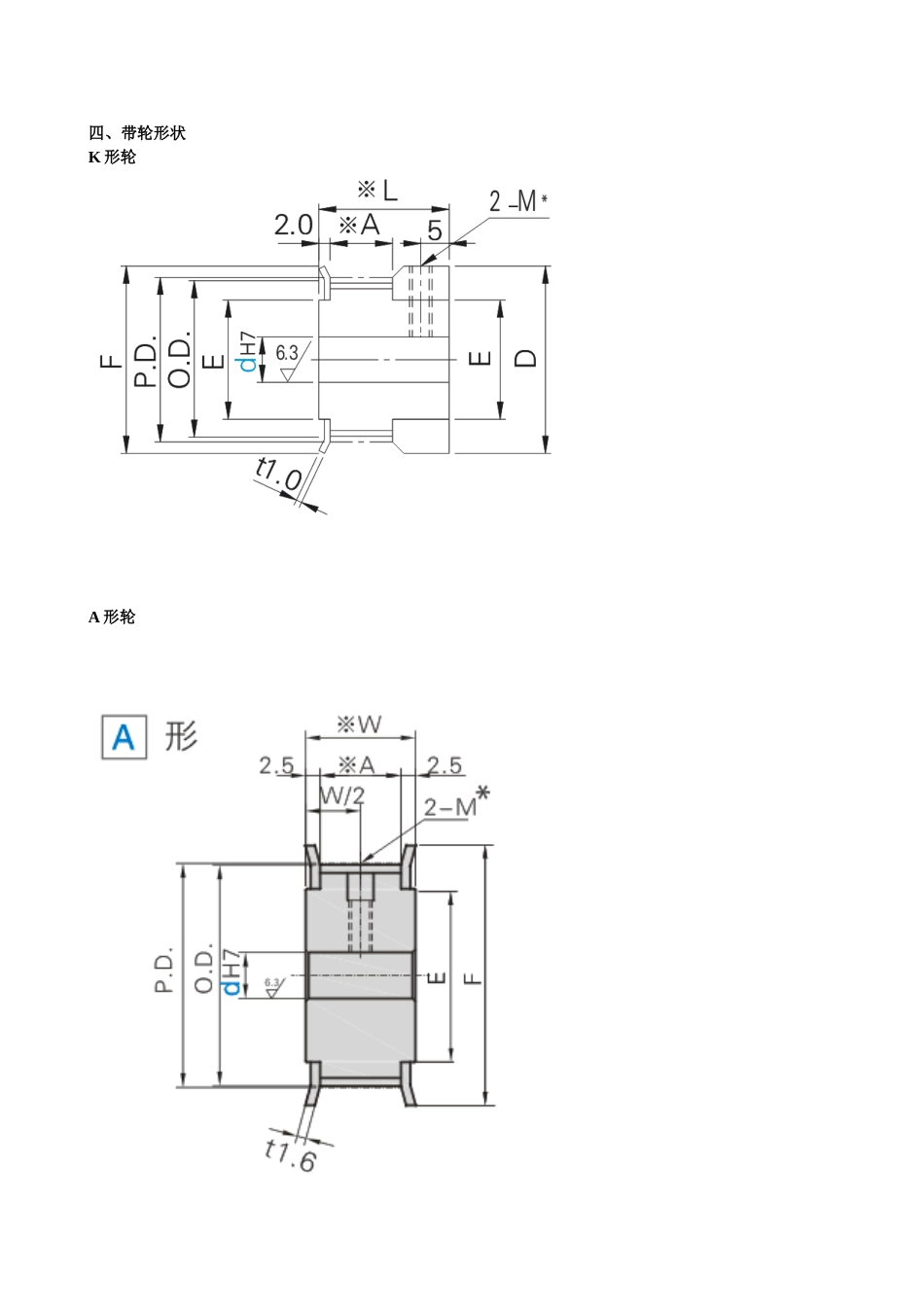
同步带传动是利用带齿与带轮齿啮合来传递动力的一种新型传动方式,具有准确的同步传动功能,不需要润滑、无滑差、无污染、噪音少;传动效率达0.98,速比范围可达1:10,允许线速可达50m/s,传动率从几百瓦到数百千瓦,适宜多轴传动。广泛应用于纺织、汽车、化纤、卷烟、造纸、印刷、化工等机械设备;近年来,采矿冶金、钢铁机械、医疗设备需求量日渐增加。同步带轮选型需注意的参数:一、齿形同步带轮齿形可以分为英制(普通扭矩)MXL、XL、L、H以及公制(高扭矩)S2M、S3M、S4M、S5M、S8M和(普通扭矩)T5、T10齿形的选择可以参照下表:关于同步带轮、同步带的选择详细计算可以参照天津三益精密机械有限公司网站www.3g-fa.com技术支持之《同步带的选型方法》二、齿数齿数是同步带轮重要参数,同步带轮节圆直径=齿数×齿距/π三、材质及表面处理同步带轮常用材质为铝合金及45#钢,表面处理分别为铝轮:本色氧化黑色氧化;钢轮:四氧化三铁保护膜无电解镀镍四、带轮形状K形轮A形轮B形轮D形轮带轮轴孔规格:

1、当您付费下载文档后,您只拥有了使用权限,并不意味着购买了版权,文档只能用于自身使用,不得用于其他商业用途(如 [转卖]进行直接盈利或[编辑后售卖]进行间接盈利)。
2、本站所有内容均由合作方或网友上传,本站不对文档的完整性、权威性及其观点立场正确性做任何保证或承诺!文档内容仅供研究参考,付费前请自行鉴别。
3、如文档内容存在违规,或者侵犯商业秘密、侵犯著作权等,请点击“违规举报”。

碎片内容

同步带轮选型方法

文章天下+ 关注
实名认证
内容提供者

各种文档应有尽有

确认删除?
VIP
微信客服
  • 扫码咨询
会员Q群
  • 会员专属群点击这里加入QQ群
客服邮箱
回到顶部