电脑桌面
添加小米粒文库到电脑桌面
安装后可以在桌面快捷访问

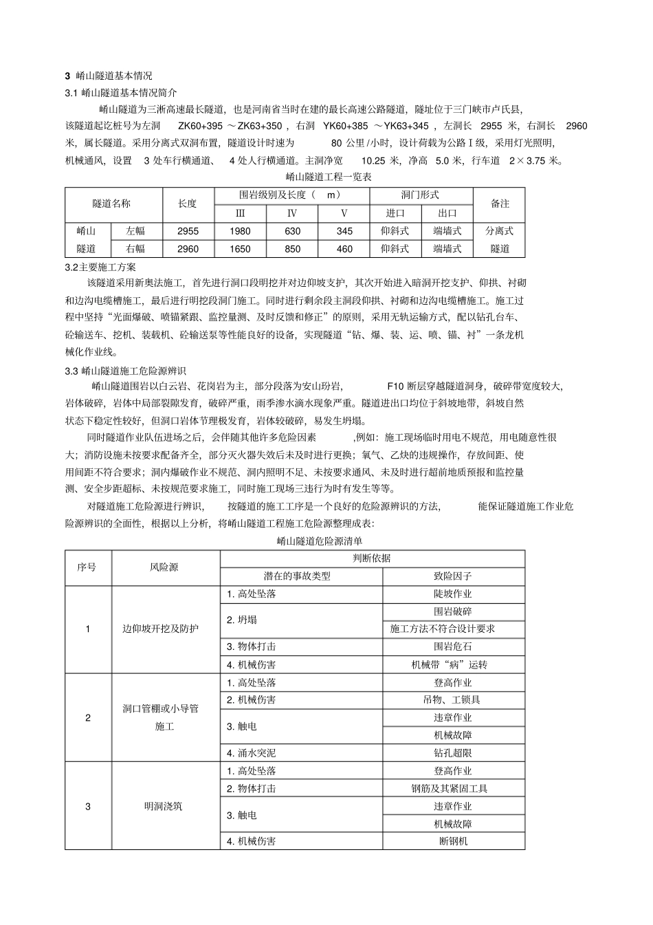
隧道施工危险源辨识及其控制

隧道施工危险源辨识及其控制_第1页
1/5
隧道施工危险源辨识及其控制_第2页
2/5
隧道施工危险源辨识及其控制_第3页
3/5
隧道施工危险源辨识及其控制冯俊明摘要针对隧道施工中存在的主要安全生产问题, 本文从隧道施工危险源着手并结合施工现场的实际情况介绍了隧道工程施工危险源的定义、隧道施工危险源的辨识方法及危险源控制的意义,并且以崤山隧道工程施工为例对其进行了危险源的辨识,列出危险源辨识清单。在危险源的控制上以安全管理为基础,对危险源采取了相应控制措施。通过控制危险源有效的提升崤山隧道施工安全管理的水平。关键字 : 安全管理现状;危险源辨识;危险源控制;1、绪论1.1 隧道施工施工安全生产的严峻形势目前国家基础建设快速发展,规模不断扩大,隧道施工是铁路、高速公路、城市高等级公路建设施工中一个重要的环节,隧道工程近年来从总来看,随着科技进步和安全管理水平的提高,隧道施工事故大幅度减少,但是由于隧道施工逐年增多,施工的规模不断变大,施工工艺更加复杂,施工的难度增大,因为种种原因仍比其他工程作业事故相对频繁而严重,据统计,2009-2013 年我国隧道施工事故24 起, 造成直接死亡人数99 人,给工人的生命安全带来严重的威胁,给社会的财产带来严重的损失,同时也让社会的不稳定性增加。1.2 隧道施工安全生产的主要问题隧道施工由于作业地点比较偏远,大部分在山区或者城市的郊区,人员流动性大,劳动者的安全素养比较低,隧道内部交叉作业频繁等特点,决定了在施工过程中有很多不同于其他行业的危险因素。隧道施工作业现场存在的主要安全问题有:1)施工管理体系不完善。2)安全生产费用实际投入不足。3)应急预案和急救发展不完整。4)未能有效的对危险源进行有效辨识和控制。5)未能严格按照专项方案施工,隧道施工支护不及时,喷锚支护不符合要求。6)安全教育培训和安全技术交底力度远远不够,多流于形式,缺少针对性,目的性。7)施工单位对安全的认识程度不够,未能建立长效的安全管理机制。2 隧道施工危险源辨识2.1 隧道施工危险源的定义危险源是可能导致死亡、伤害、职业病、财产损失、工作环境破坏或这些情况组合的根源或状态。在《职业健康安全管理体系要求 GB/T 28001-2011 》中的定义为:可能导致人身伤害和(或)健康损害的根源、状态或行为,或其组合。危险源由三个要素构成:潜在危险性、存在条件和触发因素。2.2 隧道施工危险源辨识的方法危险源辨识的方法有多种多样,在隧道施工现场广泛使用的有以下几种方法:1)观察法2)交流法。3)头脑风暴法4)类比法5)事故案例法6)安全检查表法7)...

1、当您付费下载文档后,您只拥有了使用权限,并不意味着购买了版权,文档只能用于自身使用,不得用于其他商业用途(如 [转卖]进行直接盈利或[编辑后售卖]进行间接盈利)。
2、本站所有内容均由合作方或网友上传,本站不对文档的完整性、权威性及其观点立场正确性做任何保证或承诺!文档内容仅供研究参考,付费前请自行鉴别。
3、如文档内容存在违规,或者侵犯商业秘密、侵犯著作权等,请点击“违规举报”。

碎片内容

隧道施工危险源辨识及其控制

爱的疯狂+ 关注
实名认证
内容提供者

该用户很懒,什么也没介绍

确认删除?
VIP
微信客服
  • 扫码咨询
会员Q群
  • 会员专属群点击这里加入QQ群
客服邮箱
回到顶部