电脑桌面
添加小米粒文库到电脑桌面
安装后可以在桌面快捷访问

预制箱梁施工组织设计

预制箱梁施工组织设计_第1页
1/32
预制箱梁施工组织设计_第2页
2/32
预制箱梁施工组织设计_第3页
3/32
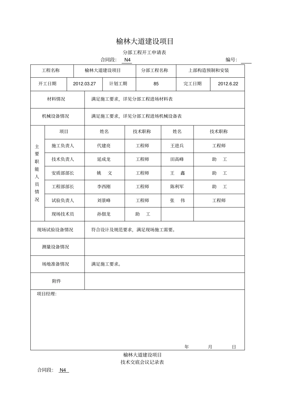
榆林大道建设项目分部工程开工申请表编号:N4 合同段:工程名称榆林大道建设项目分部工程名称上部构造预制和安装开工日期2012.03.27 计划工期85 完工日期2012.6.22 材料情况满足施工要求,详见分部工程进场材料表机械设备情况满足施工要求,详见分部工程进场机械设备表主要职能人员情况项目姓名技术职称姓名技术职称施工负责人代建亮工程师王进兵工程师技术负责人延成龙工程师田高峰助工安质部部长姚文工程师王鑫助工工程部部长李西刚工程师陈利军助工试验负责人刘景峰工程师张伟工程师现场技术员孙佃龙助工现场试验设备情况符合设计及规范要求,满足现场施工需要。测量设备情况场地准备情况满足施工要求。附件项目经理:年月日榆林大道建设项目技术交底会议记录表合同段: N4 项目名称榆林大道建设项目交底名称预应力混凝土箱梁预制技术交底具体交接内容 :预制箱梁施工工序及要求1.钢模板制作钢模板在加工厂制作,为了确保模板有足够的刚度和承载力,箱梁内外模均采用 6mm 钢板制作,模板表面要平整光滑,接缝要严密,平顺,内模拆卸方便。同时为了保证箱梁腹板砼的浇筑质量,在模板腹板外两侧沿梁长方向每间隔2m,各布置一个附着式振动器。2.模板安装及拆除⑴外模安装外模试拼以后,拆成 7.5m 一节进行安装。按照底模板上标定的位置用撬杠等工具从跨中依次向两端支立外模。等支立好外模后, 拉紧下拉杆, 待骨架钢筋放置后,安装两端堵头模板。⑵端头模板安装外模支立好后,应在准确位置安装端头模板,端头模板与外模接缝不得大于 1mm。锚垫板位置必须安装准确,然后用螺丝固定在端头上。为了防止灰浆进入管道, 连接螺丝必须上紧, 锚垫板上压降孔需用麻纸或海绵堵塞。为了便于拆除模板, 支模板时支脚下必须用满面积的对口木楔调高支稳,并用铁丝连在一起。⑶内模安装内模试拼以后,拆成10m 一节进行安装。从跨中依次向两端进行拼装。⑷模板安装注意事项①各节模板两端头尽量处于一个截面上。②上下锚垫板应调平行,放置位置必须准确,以便防止锚垫板不平或位置偏差造成漏浆。③为了保证腹板混凝土厚度,内模吊到位置后,用塑料垫块绑扎在内模两侧箱梁钢筋上,用以调整内模位置保证腹板混凝土厚度④内模调整后,拉好上口槽钢,使用木楔插入在内模顶面与上拉口槽钢的间隙,以防止浇筑腹板混凝土时内模上浮。⑸模板拆除及注意事项①模板应在混凝土强度能承受自重及其他可能的荷载时方可拆除,箱梁内模和堵头模板应在混凝土强度...

1、当您付费下载文档后,您只拥有了使用权限,并不意味着购买了版权,文档只能用于自身使用,不得用于其他商业用途(如 [转卖]进行直接盈利或[编辑后售卖]进行间接盈利)。
2、本站所有内容均由合作方或网友上传,本站不对文档的完整性、权威性及其观点立场正确性做任何保证或承诺!文档内容仅供研究参考,付费前请自行鉴别。
3、如文档内容存在违规,或者侵犯商业秘密、侵犯著作权等,请点击“违规举报”。

碎片内容

预制箱梁施工组织设计

您可能关注的文档

确认删除?
VIP
微信客服
  • 扫码咨询
会员Q群
  • 会员专属群点击这里加入QQ群
客服邮箱
回到顶部