电脑桌面
添加小米粒文库到电脑桌面
安装后可以在桌面快捷访问

预制装配式变电站施工方案

预制装配式变电站施工方案_第1页
1/21
预制装配式变电站施工方案_第2页
2/21
预制装配式变电站施工方案_第3页
3/21
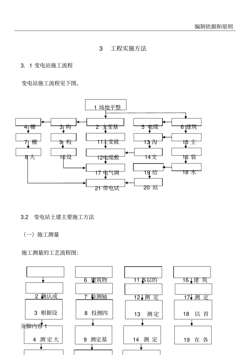
编制依据和原则页脚内容 13 工程实施方法3.1 变电站施工流程变电站施工流程见下图。3.2 变电站土建主要施工方法(一)施工测量施工测量的工艺流程图:7 栅4 栅14支8 大13 沟5 电缆10设12电缆敷16 装15 主19 给17 电气调9 构18 水3 构6 建筑21 带电试11主变就20 站2 主变基1 场地平整9 测定基4 测 定 大14 测 定19 在 各11 各层的6 建筑物2 确认或7 检测轴12 测 定17 测 定3 根据设8 投测四13 测 定18 以 首16 建 筑编制依据和原则页脚内容 2编制依据和原则页脚内容 3(二)场平工程场地平整施工程序框图:(三)预制装配式构件施工方法:本工程拟采用的预制装配结构是以预制构件为主要构件,经装配、连接而成的混凝土结构,是一项新兴的绿色环保节能型建筑结构。1.工艺流程本工程预制构件制作采用工厂化流水生产,各种预制构件全部采用定型模具。预制构件加工完毕后,运输至施工现场,结合钢结构安装知识,进行组装。编制依据和原则页脚内容 42.预制构件的运输由于城市高架、桥梁道路的限制,建 筑 预制构件体形高大异犁、重心不一,一般 运 输车辆不适宜装载,因此需要进行改装,降低车辆装载重心高度并设置车辆运输稳 定 专用固定支架。预制构件运输图3.预制构件的堆放施工现场须设计专用搁置堆放架后才能起用吊装。4.现场塔机布置塔吊数量需根据构件数量进行确定(结构构件数量一定,塔吊数量与工期成反比);塔吊型号和位置根据构件重量和范围进行确定,原则上距离最重构件和吊装难度最大的构件最近。5.预制构件的吊装①采用专用吊具将外墙板吊至结构安装位置,初步就位后随即设置临时支撑系统与固定限位措施。编制依据和原则页脚内容 5②采用专用吊具将预制叠合板与阳台板吊至已搭设完毕的临时固定与搁置排架上,逐块安装就位、再用专用吊具将核对编号后的预制后的楼梯段运至楼板预安装位置安装就位。③本工程主要拟采用吊索变距、 支撑变幅和顶升变位的三维校正方法,使相邻构件平面装配误差不超过lmm ,高低误差不超过2mm,达到建筑感观和顺。6.施工质量控制6.1 预制构件质量控制6.1.1 预制构件加工精度预制装配式混凝土结构中的梁、板和楼梯等构件采用工厂预制,预制构件精度要求高,在施工过程中如果精度无法满足要求将给后续的吊装工作带来巨大阻碍。6.1.2 构件加工质量控制流程预制构件加工质量是工业化生产过程中的重要环节,直接关系到下道吊装工程的施工质量和施工进...

1、当您付费下载文档后,您只拥有了使用权限,并不意味着购买了版权,文档只能用于自身使用,不得用于其他商业用途(如 [转卖]进行直接盈利或[编辑后售卖]进行间接盈利)。
2、本站所有内容均由合作方或网友上传,本站不对文档的完整性、权威性及其观点立场正确性做任何保证或承诺!文档内容仅供研究参考,付费前请自行鉴别。
3、如文档内容存在违规,或者侵犯商业秘密、侵犯著作权等,请点击“违规举报”。

碎片内容

预制装配式变电站施工方案

确认删除?
VIP
微信客服
  • 扫码咨询
会员Q群
  • 会员专属群点击这里加入QQ群
客服邮箱
回到顶部