电脑桌面
添加小米粒文库到电脑桌面
安装后可以在桌面快捷访问

齐溪水库大坝安全管理应急预案

齐溪水库大坝安全管理应急预案_第1页
1/47
齐溪水库大坝安全管理应急预案_第2页
2/47
齐溪水库大坝安全管理应急预案_第3页
3/47
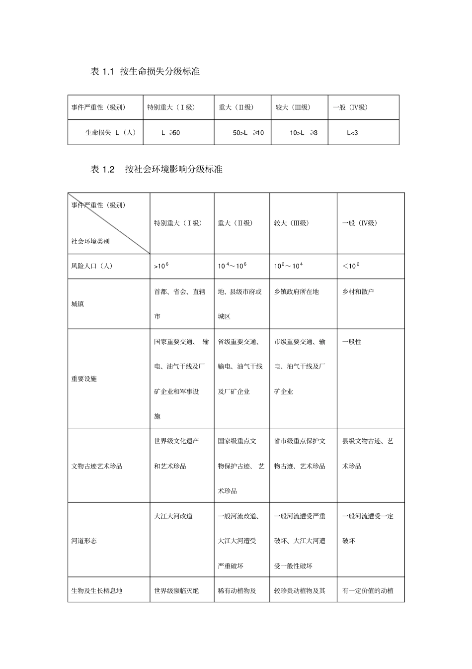
齐溪水库大坝安全管理应急预案1 前 言1.1 预案编制目的当水库大坝发生突发安全事件时,为避免或减少损失预先制定的本方案,是提高水库管理单位及其主管部门应对突发事件能力,降低水库风险的重要非工程措施。1.2 预案编制依据依据《中华人民共和国水法》、《中华人民共和国防洪法》、《水库大坝安全管理条例》、《中华人民共和国防汛条例》、《国家突发公共事件总体预案》等有关法律、法规,制定本预案。1.3 预案适用范围本预案适用于开化县齐溪水库。1.4 预案编制原则(1)贯彻“以人为本”原则,体现风险管理理念,尽可能避免或减少损失,特别是生命损失,保障公共安全。(2)按照“分级负责”原则,实行分级管理,明确职责与责任追究制。(3)强调“预防为主”原则,通过对水库大坝可能突发事件的深入分析,事先制定减少和应对突发公共事件发生的对策。(4)突出“可操作性”原则,预案以文字和图表形式表达,形成书面文件。(5)力求“协调一致”原则,预案应和本地区、本部门其它相关预案相协调。(6)实行“动态管理”原则,预案应根据实际情况变化适时修订,不断补充完善。1.5 突发事件分类分级水库大坝突发事件是指突然发生的,可能造成重大生命、 经济损失和严重社会环境危害,危及公共安全的紧急事件,分为以下四类:(1)自然灾害类。如洪水、上游水库大坝溃决、地震、地质灾害等。(2)事故灾难类。如因大坝质量问题而导致的滑坡、裂缝、渗流破坏而导致的溃坝或重大险情; 工程运行调度、 工程建设中的事故及管理不当等导致的溃坝或重大险情;影响生产生活、生态环境的水库水污染事件。(3)社会安全事件类。如战争或恐怖袭击、人为破坏等。(4)其他水库大坝突发事件。水库大坝突发事件按生命损失、 社会环境影响和经济损失的严重程度分为四级:Ⅰ级(特别重大)、Ⅱ级(重大)、Ⅲ级(较大)以及Ⅳ级(一般)。按生命损失分级标准见表1.1,按社会环境影响分级标准见表1.2。表 1.1 按生命损失分级标准事件严重性(级别)特别重大(Ⅰ级)重大(Ⅱ级)较大(Ⅲ级)一般(Ⅳ级)生命损失 L(人)L ≥50 50>L ≥10 10>L ≥3 L<3 表 1.2 按社会环境影响分级标准事件严重性(级别)社会环境类别特别重大(Ⅰ级)重大(Ⅱ级)较大(Ⅲ级)一般(Ⅳ级)风险人口(人)>10 610 4~10 610 2~ 10 4<10 2城镇首都、省会、直辖市地、县级市府或城区乡镇政府所在地乡村和散户重要设施国家重要交通、 输电、油气干...

1、当您付费下载文档后,您只拥有了使用权限,并不意味着购买了版权,文档只能用于自身使用,不得用于其他商业用途(如 [转卖]进行直接盈利或[编辑后售卖]进行间接盈利)。
2、本站所有内容均由合作方或网友上传,本站不对文档的完整性、权威性及其观点立场正确性做任何保证或承诺!文档内容仅供研究参考,付费前请自行鉴别。
3、如文档内容存在违规,或者侵犯商业秘密、侵犯著作权等,请点击“违规举报”。

碎片内容

齐溪水库大坝安全管理应急预案

文库响当当+ 关注
实名认证
内容提供者

该用户很懒,什么也没介绍

确认删除?
VIP
微信客服
  • 扫码咨询
会员Q群
  • 会员专属群点击这里加入QQ群
客服邮箱
回到顶部