电脑桌面
添加小米粒文库到电脑桌面
安装后可以在桌面快捷访问

03花篮螺杆悬挑脚手架施工技术交底

03花篮螺杆悬挑脚手架施工技术交底_第1页
1/18
03花篮螺杆悬挑脚手架施工技术交底_第2页
2/18
03花篮螺杆悬挑脚手架施工技术交底_第3页
3/18
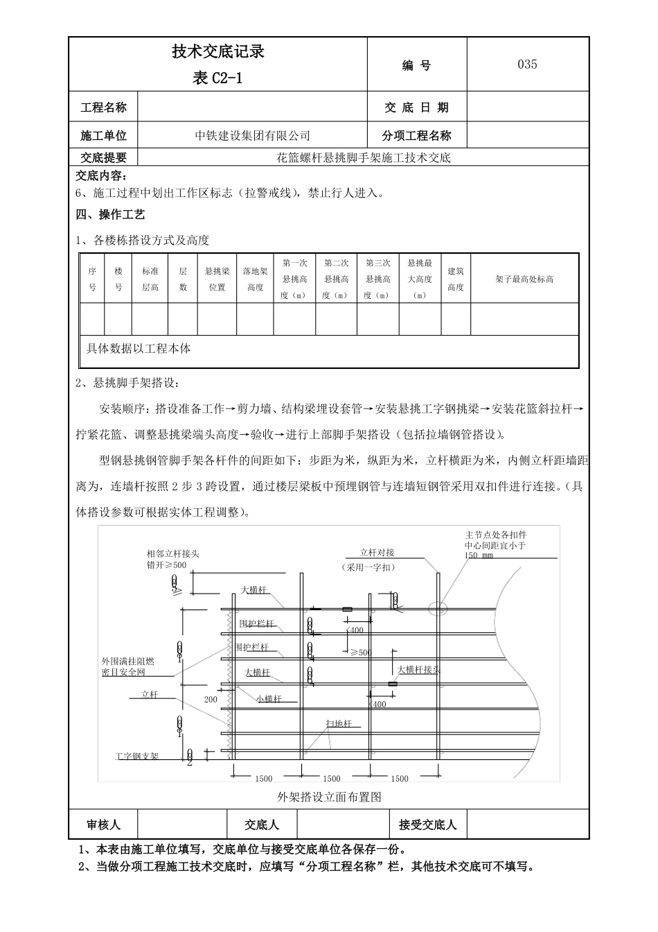
技术交底记录表 C2-1工程名称施工单位交底提要一、材料要求中铁建设集团有限公司编 号交 底 日 期分项工程名称花篮螺杆悬挑脚手架施工技术交底035交底内容:1、钢管:Ф48×钢管,钢管长度、3m、4m、6m。钢管使用前应先除锈再涂刷桔黄色防锈油漆,用于剪刀撑的钢管涂刷艳蓝色防锈油漆。2、扣件:回转扣件、十字扣件、对接扣件等。扣件材料应符合《钢管脚手架扣件》 GB15831-2006的规定。在螺栓拧紧扭力矩达 65N·m 时,不得发生破坏,旧扣件在使用前应进行质量检查,有裂缝、变形的严禁使用,出现滑丝的螺栓必须更换。新、旧扣件均应进行防锈处理。3、水平悬挑主梁:其钢材强度等级为Q235-A,型号为 16 号工字钢,水平梁悬挑梁所使用的钢材必须表面平整,无锈蚀,应具有冲击韧性的合格保证。截面有足够的抗弯抵抗距,在满载条件下其挠度变形应满足相应设计要求。4、脚手板:采用松木脚手板,每块重量不大于30kg,厚度不小于 50 ㎜,材质要符合《木结构设计规范》(GBJ5)中二级材质的规定。5、防护网:绿色密目安全网×(网目×)、安全平网×网眼不大于 5cm。6、档脚板:档脚板由脚手板或专用档脚板组成,高度不小于150mm。7、锚固件:挑梁与建筑物之间采用经过热处理的级花篮螺杆进行锚固施工。二、主要机具扳手、手锯、小线、线坠、钢板尺、钢卷尺等三、作业条件1、落地式钢管脚手架基底处理完成,并完成相应验收。2、对现场的材料进行全面的严格检查,禁止使用规格和质量不合格的构配件。3、项目部安全员对架子工做好安全技术交底和教育,脚手架施工方案和技术交底已对施工人员交底到位。4、各种防护措施准备好,现场清理平整,清理障碍及垃圾。5、测量员放好外脚手架内外立杆位置线,并做完预检。审核人交底人接受交底人1、本表由施工单位填写,交底单位与接受交底单位各保存一份。2、当做分项工程施工技术交底时,应填写“分项工程名称”栏,其他技术交底可不填写。技术交底记录表 C2-1工程名称施工单位交底提要中铁建设集团有限公司编 号035交 底 日 期分项工程名称花篮螺杆悬挑脚手架施工技术交底交底内容:6、施工过程中划出工作区标志(拉警戒线),禁止行人进入。四、操作工艺1、各楼栋搭设方式及高度序号楼号标准层高层数悬挑梁位置落地架高度第一次悬挑高度(m)第二次悬挑高度(m)第三次悬挑高度(m)悬挑最大高度(m)建筑高度架子最高处标高具体数据以工程本体2、悬挑脚手架搭设:安装顺序:搭设准备工作→剪力...

1、当您付费下载文档后,您只拥有了使用权限,并不意味着购买了版权,文档只能用于自身使用,不得用于其他商业用途(如 [转卖]进行直接盈利或[编辑后售卖]进行间接盈利)。
2、本站所有内容均由合作方或网友上传,本站不对文档的完整性、权威性及其观点立场正确性做任何保证或承诺!文档内容仅供研究参考,付费前请自行鉴别。
3、如文档内容存在违规,或者侵犯商业秘密、侵犯著作权等,请点击“违规举报”。

碎片内容

03花篮螺杆悬挑脚手架施工技术交底

您可能关注的文档

确认删除?
VIP
微信客服
  • 扫码咨询
会员Q群
  • 会员专属群点击这里加入QQ群
客服邮箱
回到顶部