电脑桌面
添加小米粒文库到电脑桌面
安装后可以在桌面快捷访问

各种液位计说明书VIP免费

各种液位计说明书_第1页
1/32
各种液位计说明书_第2页
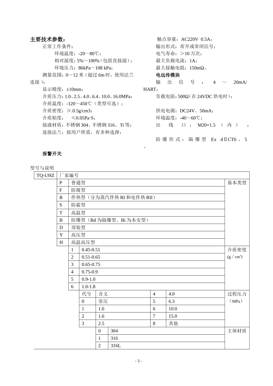
2/32
各种液位计说明书_第3页
3/32
公司简介北京铁强科技发展有限公司,位于我们伟大的首都——北京,是一家以工程仪表生产、研发为主的科技型企业,是一个极具活力与前景的多元化的新型民营企业。公司技术力量雄厚,依靠北京的人才、技术、信息等优势,自2000年成立以来,通过短短七年多时间,就在仪器仪表生产制造领域内谱写一个又一个神话。公司先后与北仪集团、德国西门子公司、美国麦克公司等仪表生产制造商进行广泛而深入的合作,在合作中公司产品的品质和质量得到很大提升。同时,公司也在积极借鉴和引进国外先进技术和生产工艺,产品的科技含量不断提高、种类也在不断丰富。另外,公司不断以新技术、新工艺、新材料、新设计理念设计生产品质高、性能优、用途广、使用寿命长的产品。公司自主生产磁翻柱液位计、浮球液位计(液位开关)、钢带液位计、磁致伸缩液位计、微波物位计、电容式液位计、超声波液位计、音叉物位开关、电容式物位计、差压变送器等物位测量仪表。同时,公司还经营流量仪表、压力仪表、温度仪表以及成分分析仪表等自动化测量控制仪表。经过几年的努力,公司发展了一支专业化、国际化、规模化的研发、生产、和管理团队。公司现有员工100余名,其中有高级职称的技术人员5人、大专及以上各类专业人才80余名。是“中国石化物资资源市场成员”单位;是“中国石油天然气集团公司一级供应网络”单位。是众多国内外用户的高品质、可信赖的工业计量器具服务商。公司一直秉承“技术为本,质量为先,笃信予人,益精致远”的经营理念,以“更强、更大、更实”为经营宗旨,开拓进取,务实创新,在做好产品生产和经营的基础上,还以打造中国仪表名牌为己任,投资开发有自主知识产权的产品。在发展过程中,公司始终以快速的反应、精湛的技艺、热忱的服务及时为用户排忧解难,也因此得到了广大用户与社会各界的一致认可。如今,公司全体员工正走专业化、特色化、精细化经营之道,并朝着两年时间内年销售额翻两番的目标奋力前进!北京铁强仪表科技发展有限公司产品选型样本目录01、磁翻柱液位计………………………………………………………………302、浮球液位计(液位开关)…………………………………………………503、防爆浮球液位开关…………………………………………………………704、玻璃板式液位计……………………………………………………………805、玻璃管式液位计……………………………………………………………10-1-06、钢带液位计…………………………………………………………………1207、重锤探测液位计……………………………………………………………1408、超声波物位计………………………………………………………………1509、智能雷达液位计……………………………………………………………1710、导波雷达液位计……………………………………………………………1911、电容式液位计………………………………………………………………2112、射频导纳物位控制器………………………………………………………2313、音叉物位控制器……………………………………………………………2514、磁致伸缩物位计……………………………………………………………2715、压力液位变送器……………………………………………………………2916、小型浮球液位计(液位开关)………………………………………………3117、常用客户名单………………………………………………………………32注:我们是一家专业生产物位仪器仪表的科技型公司,随着市场的需求变化、我们的技术人员也会在保证质量的前提下,对产品进行改进,改造后的产品外观会有所变化、性能也会有所提高。选型样本中的图片是为了让您更好的理解我们产品,如果您有疑问,请致电咨询我们。由于客户群体数量较大,如有变化我们将不逐一通知。磁翻柱液位计主要原理磁翻柱液位计也称为磁翻板液位计,它的结构主要基于浮力和磁力原理设计生产的。带有磁体的浮子(简称磁性浮子)在被测介质中的位置受浮力作用影响。液位的变化导致磁性浮子位置的变化、磁性浮子和磁翻柱(也成为磁翻板)的静磁力耦合作用导致磁翻柱翻转一定角度(磁翻柱表面涂敷不同的颜色...

1、当您付费下载文档后,您只拥有了使用权限,并不意味着购买了版权,文档只能用于自身使用,不得用于其他商业用途(如 [转卖]进行直接盈利或[编辑后售卖]进行间接盈利)。
2、本站所有内容均由合作方或网友上传,本站不对文档的完整性、权威性及其观点立场正确性做任何保证或承诺!文档内容仅供研究参考,付费前请自行鉴别。
3、如文档内容存在违规,或者侵犯商业秘密、侵犯著作权等,请点击“违规举报”。

碎片内容

各种液位计说明书

您可能关注的文档

确认删除?
VIP
微信客服
  • 扫码咨询
会员Q群
  • 会员专属群点击这里加入QQ群
客服邮箱
回到顶部