电脑桌面
添加小米粒文库到电脑桌面
安装后可以在桌面快捷访问

35KV电力线路跨越措施

35KV电力线路跨越措施_第1页
1/6
35KV电力线路跨越措施_第2页
2/6
35KV电力线路跨越措施_第3页
3/6
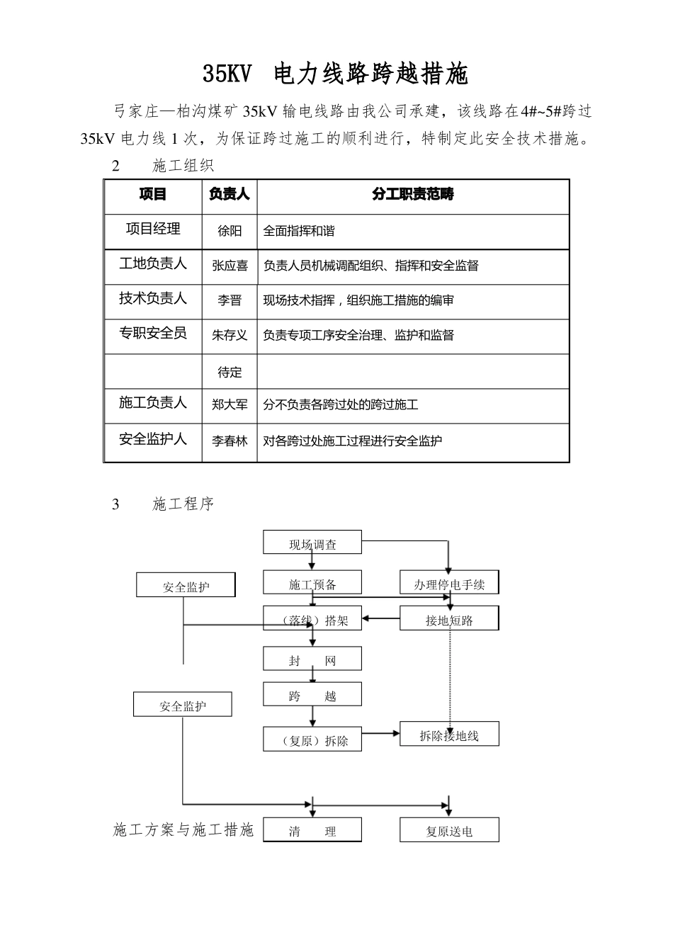
35KV 电力线路跨越措施弓家庄—柏沟煤矿 35kV 输电线路由我公司承建,该线路在4#~5#跨过35kV 电力线 1 次,为保证跨过施工的顺利进行,特制定此安全技术措施。2施工组织项目项目经理工地负责人技术负责人专职安全员负责人徐阳张应喜李晋朱存义待定全面指挥和谐分工职责范畴负责人员机械调配组织、指挥和安全监督现场技术指挥,组织施工措施的编审负责专项工序安全治理、监护和监督分不负责各跨过处的跨过施工对各跨过处施工过程进行安全监护施工负责人安全监护人郑大军李春林3施工程序现场调查(复原)拆除安全监护封网跨越拆除接地线安全监护施工预备(落线)搭架办理停电手续接地短路施工方案与施工措施清理复原送电4.1施工方案4#~5#跨过 35kV 段纯线 1 处,采取停电后落线并搭设简易跨过架,用绝缘绳封网后进行跨过的施工方法。4.2施工措施4.2.1搭设跨过架跨过架的搭设应在良好的天气进行,所用架杆应坚实干燥。架体中心应在线路中心线上,架宽应超出线路两边线各 2 米。每 1.5 米设置一根立杆,立杆埋深不应小于 0.7m,杆坑底部要夯实,每 1.2 米设一根横杆,地面应当设扫地杆,最高层的横杆要加大,在搭设横杆过程中,应在电力线外侧设置临时拉线或斜撑以防倾倒,然后用架杆交叉密集封顶。架高要超出电力线 1.5m 或以上,架面距导线水平距离保证 1.5m 或以上,在跨架外侧打好拉线,拉线对地夹角应小于 60°,架体中部及两端设斜撑,撑杆埋入地下的深度不应小于 30cm。每 3 根立杆设置剪刀撑,并安装外伸羊角。搭设好的跨过架应牢固可靠,可承担顺线路方向 2T 的拉力。跨过架搭设好后,经安监部门检验合格后才可进行跨过施工。架体上应挂警示牌。木质越线架立杆有效部分的小头直径不得小于 7 厘米。横杆有效部分的小头直径不得小于 8 厘米;6~8 厘米的可双杆合并使用。毛竹越线架立杆、横杆、剪刀撑和支杆有效部分的小头直径不得小于 7.5 厘米。4.2.2封顶关于带电线路必须使用经检验合格的 φ18 绝缘尼龙绳进行封顶。封顶由有体会的登高人员进行操作。登高人员攀上搭设好的架体顶部,系好安全带后,将绝缘绳甩过对侧,对侧登高人员在架体上绑扎牢固后再甩过来,如此搭设成为交叉密集的绝缘封网。4.2.2落线在接到停电命令票后,由登高人员登上施工处两端杆塔,对所跨过物用合格的、相应电压等级的验电器进行验电,验明无电后,在施工处两端进行三相短路与接地,有可能送电的分支线也必须三相短路与接地。如...

1、当您付费下载文档后,您只拥有了使用权限,并不意味着购买了版权,文档只能用于自身使用,不得用于其他商业用途(如 [转卖]进行直接盈利或[编辑后售卖]进行间接盈利)。
2、本站所有内容均由合作方或网友上传,本站不对文档的完整性、权威性及其观点立场正确性做任何保证或承诺!文档内容仅供研究参考,付费前请自行鉴别。
3、如文档内容存在违规,或者侵犯商业秘密、侵犯著作权等,请点击“违规举报”。

碎片内容

35KV电力线路跨越措施

确认删除?
VIP
微信客服
  • 扫码咨询
会员Q群
  • 会员专属群点击这里加入QQ群
客服邮箱
回到顶部