电脑桌面
添加小米粒文库到电脑桌面
安装后可以在桌面快捷访问

3室内给水管道隐蔽工程验收记录

3室内给水管道隐蔽工程验收记录_第1页
1/38
3室内给水管道隐蔽工程验收记录_第2页
2/38
3室内给水管道隐蔽工程验收记录_第3页
3/38
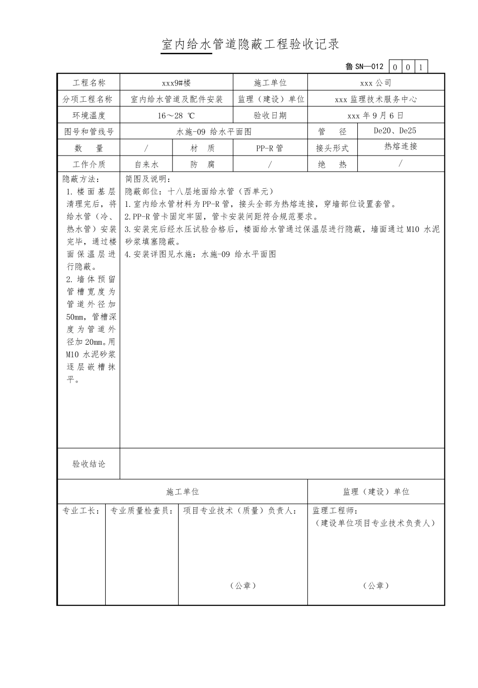
室内给水管道隐蔽工程验收记录鲁 SN—012001工程名称分项工程名称环境温度图号和管线号数量工作介质隐蔽方法:1. 楼 面 基 层清理完后,将给水管(冷、热水管)安装完毕,通过楼面 保 温 层 进行隐蔽。2. 墙 体 预 留管 槽 宽 度 为管 道 外 径 加50mm,管槽深度 为 管 道 外径加 20mm。用M10 水泥砂浆逐 层 嵌 槽 抹平。/xxx9#楼室内给水管道及配件安装16~28 ℃施工单位监理(建设)单位验收日期xxx 公司xxx 监理技术服务中心xxx 年 9 月 6 日管径De20、De25热熔连接/水施-09 给水平面图材质防腐PP-R 管/接头形式绝热自来水简图及说明:隐蔽部位:十八层地面给水管(西单元)1.室内给水管材料为 PP-R 管,接头全部为热熔连接,穿墙部位设置套管。2.PP-R 管卡固定牢固,管卡安装间距符合规范要求。3.安装完后经水压试验合格后,楼面给水管通过保温层进行隐蔽,墙面通过 M10 水泥砂浆填塞隐蔽。4.安装详图见水施:水施-09 给水平面图施工单位监理(建设)单位监理工程师:(建设单位项目专业技术负责人)(公章)验收结论专业工长: 专业质量检查员: 项目专业技术(质量)负责人:(公章)室内给水管道隐蔽工程验收记录鲁 SN—012002工程名称分项工程名称环境温度图号和管线号数量工作介质隐蔽方法:1. 楼 面 基 层清理完后,将给水管(冷、热水管)安装完毕,通过楼面 保 温 层 进行隐蔽。2. 墙 体 预 留管 槽 宽 度 为管 道 外 径 加50mm,管槽深度 为 管 道 外径加 20mm。用M10 水泥砂浆逐 层 嵌 槽 抹平。/xxx9#楼室内给水管道及配件安装16~28 ℃施工单位监理(建设)单位验收日期xxx 公司xxx 监理技术服务中心xxx 年 9 月 6 日管径De20、De25热熔连接/水施-09 给水平面图材质防腐PP-R 管/接头形式绝热自来水简图及说明:隐蔽部位:十七层地面给水管(西单元)1.室内给水管材料为 PP-R 管,接头全部为热熔连接,穿墙部位设置套管。2.PP-R 管卡固定牢固,管卡安装间距符合规范要求。3.安装完后经水压试验合格后,楼面给水管通过保温层进行隐蔽,墙面通过 M10 水泥砂浆填塞隐蔽。4.安装详图见水施:水施-09 给水平面图施工单位监理(建设)单位监理工程师:(建设单位项目专业技术负责人)(公章)验收结论专业工长: 专业质量检查员: 项目专业技术(质量)负责人:(公章)室内给水管道隐蔽工程验收记录鲁 SN—012003工程名称分项工程...

1、当您付费下载文档后,您只拥有了使用权限,并不意味着购买了版权,文档只能用于自身使用,不得用于其他商业用途(如 [转卖]进行直接盈利或[编辑后售卖]进行间接盈利)。
2、本站所有内容均由合作方或网友上传,本站不对文档的完整性、权威性及其观点立场正确性做任何保证或承诺!文档内容仅供研究参考,付费前请自行鉴别。
3、如文档内容存在违规,或者侵犯商业秘密、侵犯著作权等,请点击“违规举报”。

碎片内容

3室内给水管道隐蔽工程验收记录

您可能关注的文档

确认删除?
VIP
微信客服
  • 扫码咨询
会员Q群
  • 会员专属群点击这里加入QQ群
客服邮箱
回到顶部