电脑桌面
添加小米粒文库到电脑桌面
安装后可以在桌面快捷访问

50吨汽车吊参数

50吨汽车吊参数_第1页
1/8
50吨汽车吊参数_第2页
2/8
50吨汽车吊参数_第3页
3/8
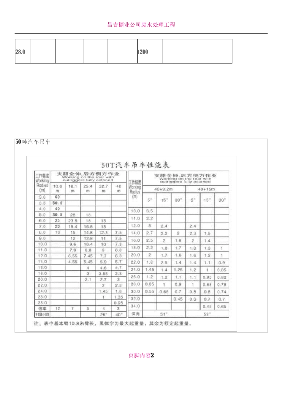
昌吉糖业公司废水处理工程50 吨汽车吊参数工作 主臂幅度主臂+副臂支腿全伸,侧方、后方作业或打第五支腿全方位作业副臂安装角副臂安装角主臂10.8m18.15m3100031000300002800027000246002320021000194001530011700950075006500530046003700300025.5m2100020000192001900018200175001710015500130001080088007200600052004300400030002100160032.85m13800138001380013600136001260011600106009200820070006200520048003800300023001800140040.2m850085008200780074007000660062005300500040003200260021001600页脚内容140.2m+9m 40.2m+15m仰角0°30°0°30°(m)3.03.54.04.55.05.56.06.57.08.09.011.0600005050043500400003600031000256002200020000155001210080° 4000 2150 2400 100078° 3800 2050 2180 100076° 3500 1950 1920 100074° 3150 1900 1820 100072° 2850 1850 1690 100070° 2700 1800 1530 100068° 2550 1750 1380 90066° 2450 1650 1230 80064° 2150 1400 1080 70062° 1850 115095060060° 1550 1000 83058° 1350 85070056° 110070060054° 95055052° 75050°10.012.013.014.015.016.018.020.022.024.026.0昌吉糖业公司废水处理工程28.0120050 吨汽车吊车页脚内容2昌吉糖业公司废水处理工程全液压汽车起重机 QY50H 型起重特性表单位:kg主臂工作支腿全伸、后方、侧方位作业幅度(m)10.8m臂长18.15m25.5m32.85m40.2m3.06000031000页脚内容3昌吉糖业公司废水处理工程3.550500310004.04350030000210004.54000028000200005.0360002700019200138005.5310002460019000138006.0256002320018200138006.5220002100017500136007.02000018000171001360085008.01530014000155001260085009.012100110001300011600820010.090001080010600780011.07500880092007400页脚内容4昌吉糖业公司废水处理工程12.0650072008200700013.0530060007000660014.0460052006200620015.0370043005200530016.0300040004800500018.030003800400020.021003000320022.016002300260024.01800210026.01400160028.01200说明:页脚内容5昌吉糖业公司废水处理工程●表中粗线以内数值为起重机强度所决定,粗线意外为起重机整机稳定所决定;●表中的额定总起重量是起重机设置在坚固地面呈水平状态下的允许起吊重量,不允许在不打支腿的情况下吊重;●使用臂端滑轮时,最大起重量不得超过单根钢丝绳允许起吊载荷 4.2 吨;●表中所列数值为包括吊具在内的最大允许值(主吊钩重 505 kg,副吊钩 120kg);●打好第五支腿时,表中数值适用于圆周 360°作业。页脚内容6昌吉糖业公司废水处理工程全液压 50 吨吊车起重特性表页脚内容7昌吉糖业公司废水处理工程页脚内容8

1、当您付费下载文档后,您只拥有了使用权限,并不意味着购买了版权,文档只能用于自身使用,不得用于其他商业用途(如 [转卖]进行直接盈利或[编辑后售卖]进行间接盈利)。
2、本站所有内容均由合作方或网友上传,本站不对文档的完整性、权威性及其观点立场正确性做任何保证或承诺!文档内容仅供研究参考,付费前请自行鉴别。
3、如文档内容存在违规,或者侵犯商业秘密、侵犯著作权等,请点击“违规举报”。

碎片内容

50吨汽车吊参数

您可能关注的文档

爱的疯狂+ 关注
实名认证
内容提供者

该用户很懒,什么也没介绍

确认删除?
VIP
微信客服
  • 扫码咨询
会员Q群
  • 会员专属群点击这里加入QQ群
客服邮箱
回到顶部