电脑桌面
添加小米粒文库到电脑桌面
安装后可以在桌面快捷访问

p4室内全彩led显示屏设计方案-剖析

p4室内全彩led显示屏设计方案-剖析_第1页
1/8
p4室内全彩led显示屏设计方案-剖析_第2页
2/8
p4室内全彩led显示屏设计方案-剖析_第3页
3/8
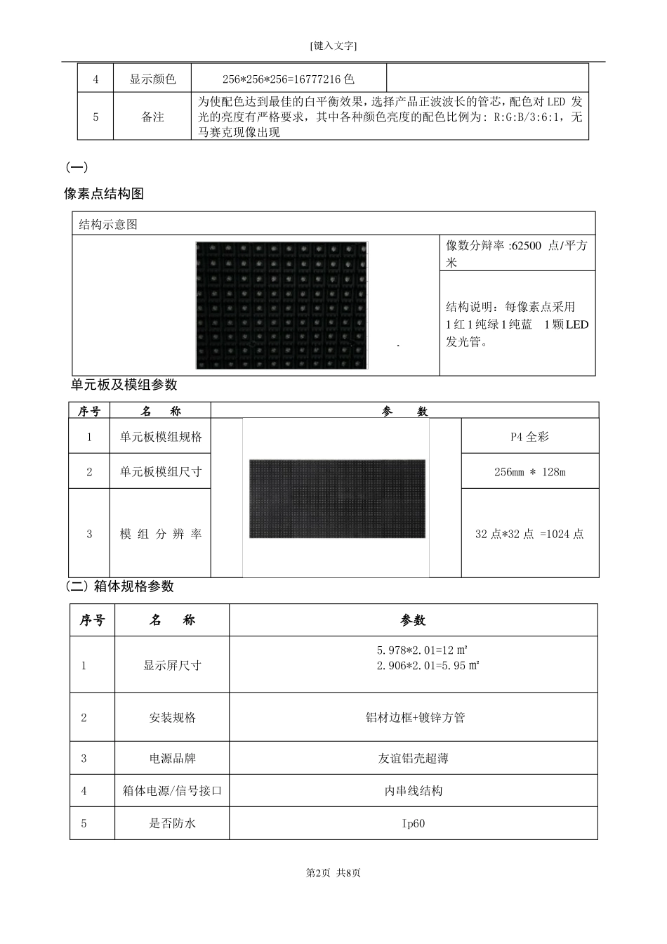
认真严格主动高效P4 室内全彩 led 显示屏参数与报价(车间老化 p4 室内全彩 led 显示屏)一、显示屏主要参数一管芯参数的说明:123SMD2020 黑灯1封装方式本系列产品采用黑色框架,对比度高,色彩鲜艳.采用散射环氧封装,发光角度大,一致性好,光线柔和管芯红灯绿管蓝管封装规格SMD2121SMD2121SMD2121波长625±2nm525±2nm470±2nm亮度130-190mcd200-300mcd23-40mcd数量1 颗1 颗1 颗芯片晶元晶元晶元23水平视角垂直视角≥120º≥120º[键入文字]45显示颜色备注256*256*256=16777216 色为使配色达到最佳的白平衡效果,选择产品正波波长的管芯,配色对 LED 发光的亮度有严格要求,其中各种颜色亮度的配色比例为: R:G:B/3:6:1,无马赛克现像出现(一)像素点结构图结构示意图像数分辩率 :62500 点/平方米结构说明:每像素点采用1 红 1 纯绿 1 纯蓝1 颗 LED发光管。单元板及模组参数序号12名称单元板模组规格单元板模组尺寸参数P4 全彩256mm * 128m3模 组 分 辨 率32 点*32 点 =1024 点(二) 箱体规格参数序号1名称显示屏尺寸参数5.978*2.01=12 ㎡2.906*2.01=5.95 ㎡铝材边框+镀锌方管友谊铝壳超薄内串线结构Ip602345安装规格电源品牌箱体电源/信号接口是否防水第2页 共8页[键入文字](三) 每块全彩色屏体显示部分设计序号123456789LE4项目显示面积尺寸最佳观看距离显示屏亮度屏幕水平可视视角屏幕垂直视角存贮温度工作温度相对湿度屏体重量包装方式工作电压供电平均功耗最大功耗整屏最大功耗显示屏技驱动方式驱动 IC刷新频率换帧频率失控率灰度/颜色/对比度图像调节P4 全彩 LED 显示屏17.95 ㎡≥4 米(在此位置起观看画面无颗粒感)≥1600 CD/㎡≥120°≥120°-40℃ ~ +85℃-25℃ ~ +65℃10%~95%RH30kg/㎡防尘膜+珍珠棉+纸箱+木框220V±10%250-650W/㎡1100W/ ㎡11kw/6kw1/16 扫描台湾聚积 5020≥600Hz≥60Hz出厂时为 0/10000一年后的失控点为 2-3/10000逻辑 65536 灰度,颜色:69.8 亿色白平衡/对比度/视觉修正/色度调节/单模组调亮度10111213141516171819202122亮度调节方式软件 100 级可调,根据不同环境亮度自动或手动调节显示亮度第3页 共8页[键入文字]232425262728293031323334353637383940414243术参数视频信号RF、S-Video、RGB、AV、等视频信号源有线电视、DVD、VCD、PC、RGBHV、YUV、YC、COMPOSITE、VIDEO播放方式信号处理能力计算机显示模式图像切换反γ校正曲线控制系统采用...

1、当您付费下载文档后,您只拥有了使用权限,并不意味着购买了版权,文档只能用于自身使用,不得用于其他商业用途(如 [转卖]进行直接盈利或[编辑后售卖]进行间接盈利)。
2、本站所有内容均由合作方或网友上传,本站不对文档的完整性、权威性及其观点立场正确性做任何保证或承诺!文档内容仅供研究参考,付费前请自行鉴别。
3、如文档内容存在违规,或者侵犯商业秘密、侵犯著作权等,请点击“违规举报”。

碎片内容

p4室内全彩led显示屏设计方案-剖析

您可能关注的文档

确认删除?
VIP
微信客服
  • 扫码咨询
会员Q群
  • 会员专属群点击这里加入QQ群
客服邮箱
回到顶部