电脑桌面
添加小米粒文库到电脑桌面
安装后可以在桌面快捷访问

XMT60X系列显示、控制、变送智能仪表

XMT60X系列显示、控制、变送智能仪表_第1页
1/7
XMT60X系列显示、控制、变送智能仪表_第2页
2/7
XMT60X系列显示、控制、变送智能仪表_第3页
3/7
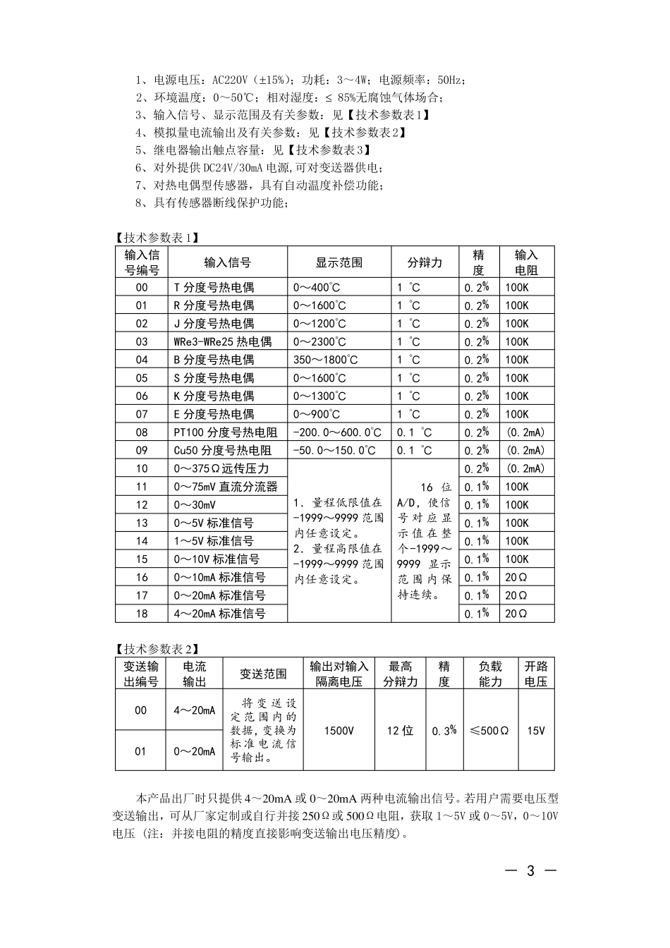
XMT60X系列显示、控制、变送智能仪表使用说明书- 1 -产品概述XMT60X 系列智能仪表,集成了显示、控制、变送等多种功能,可广泛应用于各种自动控制领域。其主要特 点如下:●多种热电阻、电偶或标准输入信号【技术参数表 1】可随时设定。对非线性输入信号,量程显示可修正。对线性输入信号,量程显示可任意设定、修正。●隔离模拟量变送输出(12 位分辨力)。变送范围任意设定、修正。●两路继电器输出,任意组态。一、型号命名及功能表达 1、型号:XMT60X 系列仪表按外形,命名为 7 种型号,内在功能完全相同。型号外形尺寸安装开孔尺寸备注XMT 60248×48×10844+0.5×44+0.5有 J2 报警灯,无 J2 继电器XMT 60348×96×112(竖式)44+0.5×92+0.7XMT 60496×48×112(横式)92+0.7×44+0.5XMT 60572×72×11267+0.7×67+0.7XMT 60696×96×11292+0.7×92+0.7XMT 60780×160×80(竖式)76+0.7×152+0.8XMT 608160×80×80(横式)152+0.8×76+0.7 2、功能表达:在型号后面,按如下格式,加写后缀,以明确表达所需功能: XMT60X-□-(□)/(□)-(□)/(□)①②③④⑤① 0: 无继电器(单显示);1: 单继电器;2: 双继电器;②分度号或输入信号(共 19 种,见【技术参数表 1】);③量程显示范围(见【技术参数表 1】);④变送输出信号(共 2 种,见【技术参数表 2】);⑤变送范围;例 1:XMT608-2-(0~75mV)/(0~8000) -(4~20mA)/(0~7000); 160×80×80 外形,双继电器,0~75mV 输入,显示 0~8000,0~7000 数据变为 4~20mA 送出。例 2:XMT604-0-(K)/(0~1300); 96×48×112 外形,单显示,K 分度号电偶表。 3、客户订货:(1)将所需功能,按上述规定格式表达,进行订货。(2)只表达型号,所需功能,依据①~⑤项内容,按使用操作说明自行设定。二、技术参数- 2 -1、电源电压:AC220V(15%);功耗:3~4W;电源频率:50Hz;2、环境温度:0~50℃;相对湿度: 85%无腐蚀气体场合; 3、输入信号、显示范围及有关参数:见【技术参数表1】 4、模拟量电流输出及有关参数:见【技术参数表2】5、继电器输出触点容量:见【技术参数表 3】6、对外提供 DC24V/30mA 电源,可对变送器供电;7、对热电偶型传感器,具有自动温度补偿功能;8、具有传感器断线保护功能;【技术参数表 1】输入信精输入输入信号显示范围分辩力号编号度电阻00T 分度号热电偶0~400℃1 ℃0.2%100K01R 分度号...

1、当您付费下载文档后,您只拥有了使用权限,并不意味着购买了版权,文档只能用于自身使用,不得用于其他商业用途(如 [转卖]进行直接盈利或[编辑后售卖]进行间接盈利)。
2、本站所有内容均由合作方或网友上传,本站不对文档的完整性、权威性及其观点立场正确性做任何保证或承诺!文档内容仅供研究参考,付费前请自行鉴别。
3、如文档内容存在违规,或者侵犯商业秘密、侵犯著作权等,请点击“违规举报”。

碎片内容

XMT60X系列显示、控制、变送智能仪表

您可能关注的文档

确认删除?
VIP
微信客服
  • 扫码咨询
会员Q群
  • 会员专属群点击这里加入QQ群
客服邮箱
回到顶部