电脑桌面
添加小米粒文库到电脑桌面
安装后可以在桌面快捷访问

变电所值班员作业标准

变电所值班员作业标准_第1页
1/6
变电所值班员作业标准_第2页
2/6
变电所值班员作业标准_第3页
3/6
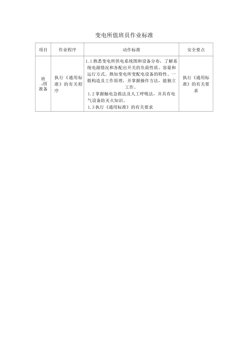
变电所值班员作业标准项目作业程序动作标准安全要点班、八刖准备执行《通用标准》的有关程序1.1 熟悉变电所供电系统图和设备分布,了解系统电源情况和各配出开关的负荷性质、容量和运行方式。熟知变电所变配电设备的特性、一般构造及工作原理,并掌握操作方法,能独立工作。1.2 掌握触电急救法及人工呼吸法,并具有电气设备防灭火知识。1.3 执行《通用标准》的有关要求执行《通用标准》的有关要求接班1 进入工作地占八、、2 询问工作情况及查看记录3 现场检查4 问题的处理5 履行交接手续1.1 准时进入变电所接班。2.1 询问交班人上班工作情况,检查、检修及设备运行情况,查阅各种记录填写是否认真、规范,内容是否齐全,设备是否有故障和缺陷,以及米取的措施、处理结果和变更情况,上级的有关命令。2.2 停电申请票和工作票是否执行完毕,变电所输电线路上有无工作人员,工作内容及停送电负责人。3.1 安全用具、绝缘用具、工具、仪器、通讯器材、消防器材是否齐全完好。3.2 设备运行情况,变压器的声音、温度是否正常。3.3 各开关的停送电标志牌是否齐全,是否和实际运行情况相符。3.4 各种仪表的指示情况。4.1 对发现的问题由交班人负责处理。4.2 若处理不了应向值班领导汇报,并进行妥善移交。5.1 交接班双方履行交接手续,接班人上岗作业。1.1.1 事故状态或倒闸操作时,不得进行交接班,此时的操作由交班人进行,接班人协助完成。作业1 作业前的准备2 操作标准3 倒闸1.1 检查电气设备上一班的运行方式、操作情况、异常运行、设备缺陷和处理情况。1.2 了解上一班发生的事故、不安全情况和处理经过。1.3 阅读上级指示、操作命令和有关记录。1.4 了解上一班内未完成的工作及注意事项,特别是上一班中停电检修的线路、有关设备的情况。1.5 检查各线路的运行状态、负荷情况、设备状况和仪器仪表指示、保护装置是否正常。1.6 检查通讯设备是否正常。1.7 清点检查工具、备件、消防器材和有关资料。2.1 倒闸操作必须执行唱票监护制,一人操作,一人监护。重要的或复杂的倒闸操作,由值班长监护,由熟练的值班员操作。2.2 操作前应先在图板(模拟屏)上进行模拟操作,无误后再进行实际操作。操作时要严肃认真,严禁做与操作无关的任何工作。2.3 操作时必须执行监护复诵制,按操作顺序操作。每操作完一项做一个“V”记号,全部操作完后进行复查,无误后向调度室或有关上级汇报。2.4 进行送电操作时要确认该线路上所有的...

1、当您付费下载文档后,您只拥有了使用权限,并不意味着购买了版权,文档只能用于自身使用,不得用于其他商业用途(如 [转卖]进行直接盈利或[编辑后售卖]进行间接盈利)。
2、本站所有内容均由合作方或网友上传,本站不对文档的完整性、权威性及其观点立场正确性做任何保证或承诺!文档内容仅供研究参考,付费前请自行鉴别。
3、如文档内容存在违规,或者侵犯商业秘密、侵犯著作权等,请点击“违规举报”。

碎片内容

变电所值班员作业标准

wxg+ 关注
实名认证
内容提供者

该用户很懒,什么也没介绍

确认删除?
VIP
微信客服
  • 扫码咨询
会员Q群
  • 会员专属群点击这里加入QQ群
客服邮箱
回到顶部