电脑桌面
添加小米粒文库到电脑桌面
安装后可以在桌面快捷访问

煤矿防治水规定

煤矿防治水规定_第1页
1/35
煤矿防治水规定_第2页
2/35
煤矿防治水规定_第3页
3/35
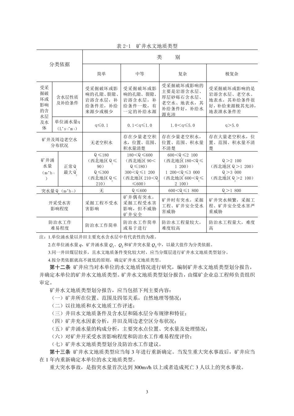
1 煤矿防治水规定 第一章 总 则 ............................................................................................................................................ 2 第二章 矿井水文地质类型划分及基础资料 ............................................................................................ 2 第一节 矿井水文地质类型划分 ................................................................................................................. 2 第二节 矿井防治水基础资料 ..................................................................................................................... 4 第三章 水文地质补充调查与勘探 ........................................................................................................... 5 第一节 水文地质补充调查 ......................................................................................................................... 5 第三节 井下水文地质观测 ......................................................................................................................... 6 第六节 井下水文地质勘探 ......................................................................................................................... 9 第四章 矿井防治水 ................................................................................................................................ 11 第一节 地面防治水 .................................................................................................................................. 11 第二节 防隔水煤(岩)柱的留设 ........................................................................................................... 12 第三节 排水系统 ..................................................................................................................................... 12 第四节 水闸门与水闸墙 ......................................................................................................................... 13 第五节 疏干开采和...

1、当您付费下载文档后,您只拥有了使用权限,并不意味着购买了版权,文档只能用于自身使用,不得用于其他商业用途(如 [转卖]进行直接盈利或[编辑后售卖]进行间接盈利)。
2、本站所有内容均由合作方或网友上传,本站不对文档的完整性、权威性及其观点立场正确性做任何保证或承诺!文档内容仅供研究参考,付费前请自行鉴别。
3、如文档内容存在违规,或者侵犯商业秘密、侵犯著作权等,请点击“违规举报”。

碎片内容

煤矿防治水规定

您可能关注的文档

确认删除?
VIP
微信客服
  • 扫码咨询
会员Q群
  • 会员专属群点击这里加入QQ群
客服邮箱
回到顶部