电脑桌面
添加小米粒文库到电脑桌面
安装后可以在桌面快捷访问

牛仔裤的工艺流程与缝制工艺荃

牛仔裤的工艺流程与缝制工艺荃_第1页
1/16
牛仔裤的工艺流程与缝制工艺荃_第2页
2/16
牛仔裤的工艺流程与缝制工艺荃_第3页
3/16
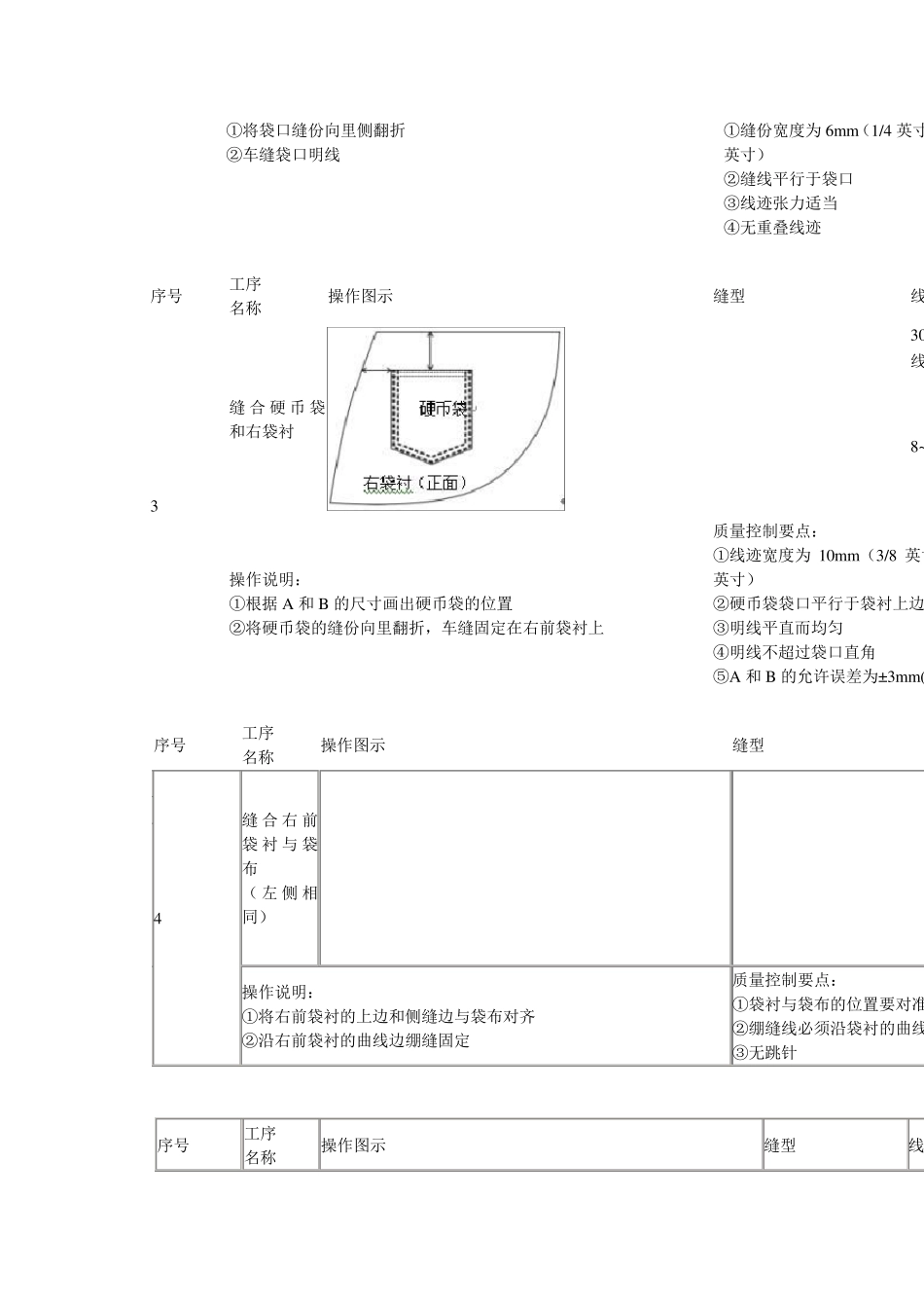
牛仔裤的工艺流程与缝制工艺 本内容主要界定五袋款牛仔裤,作为牛仔裤生产流程与缝制工艺的典型来介绍。 牛仔裤的工业生产会采用流水作业,在一条生产线上使用各种不同的生产设备和配备各种技术的工人操作,整个制造流程包括款式、规格及生产工艺的设计,又包括验料、排料、铺料、裁剪、缝制、水洗、熨烫、烘干和整形等多种生产工艺。 一、牛仔裤的工艺流程 为确保牛仔裤服装产品质量的稳定性,以牛仔裤为例,在制作过程中,需制定一系列工序并加以控制。从面料到裁片,各工序与流水线之间的流程安排直接影响到投入和产出两方面。 1 、产前阶段 产前阶段,生产定货单是来自客户信息的原始资料:记录牛仔裤样品、样板、水洗处理色标、是否有修正、注意事项等。以上资料被核对后即发送到相关部门。 生产开始,要制定产品的生产流程图表。生产技术部门与客户共同协定、修正样板和样衣,以便制定生产工序和降低成本。有了详细的制作程序,就展开工作,将修正后的样板和样衣提供给裁剪部门计算用料率、排料、提料、辅料、裁剪,并将裁片分包捆扎送达缝制车间。 2 、缝制 将裁好的衣片分包捆扎,按工艺师安排分别发送到缝制流水线的指定工位上。以牛仔裤缝制为例,前后片的缝制一般同时分别进行,在进一步缝合之前,要对半成品进行检验。锁扣眼前,同样要进行检验。一些个别工序,如制穿带袢、清除口袋里的沙子、剪线头、钉铆钉和钉按扣等,可以被灵活安排于制作过程的工艺流程里。 例如,制作五袋款普通拉链门襟的牛仔裤,其工序可分为五组:做前片、做前门襟及绱拉链、做后片、组装缝合、套结及钉扣锁眼。 1 )前片 前裤片的工序涉及缝制前侧插袋。将相关裁片如左右袋布、标签、小侧片和前裤片等分配给机工缝制前侧插袋。先在左袋上车缝标签(水洗说明和厂标),接着车缝硬币袋袋口明线,并将其缉在右侧片相应位置。将袋布分别缝合在左、右侧片上,与前片缝合前把兜布做好,固定袋布并将前片半成品过渡到下一组工序。 2 )做前门襟及绱拉链 绱拉链前,机工要准备好左右门襟裁片和前裤片半成品。缝合好双折的底襟,将其正面转递下道工序。左右门襟和前片裆部包缝,把左半边拉链布带缉在左门襟贴边上,并与前片缝合,在左裤片上车缝门襟造型线。然后,车缝右半边拉链与底襟,并与右裤片缝合。本组工序最后一步:缝合前裆,缉明线。前片半成品在继续缝合前要通过质检。 3 )后片 工人事先准备好左右后袋、后育克、后裤片和袋上的标签...

1、当您付费下载文档后,您只拥有了使用权限,并不意味着购买了版权,文档只能用于自身使用,不得用于其他商业用途(如 [转卖]进行直接盈利或[编辑后售卖]进行间接盈利)。
2、本站所有内容均由合作方或网友上传,本站不对文档的完整性、权威性及其观点立场正确性做任何保证或承诺!文档内容仅供研究参考,付费前请自行鉴别。
3、如文档内容存在违规,或者侵犯商业秘密、侵犯著作权等,请点击“违规举报”。

碎片内容

牛仔裤的工艺流程与缝制工艺荃

您可能关注的文档

确认删除?
VIP
微信客服
  • 扫码咨询
会员Q群
  • 会员专属群点击这里加入QQ群
客服邮箱
回到顶部