电脑桌面
添加小米粒文库到电脑桌面
安装后可以在桌面快捷访问

物料提升机验收表

物料提升机验收表_第1页
1/14
物料提升机验收表_第2页
2/14
物料提升机验收表_第3页
3/14
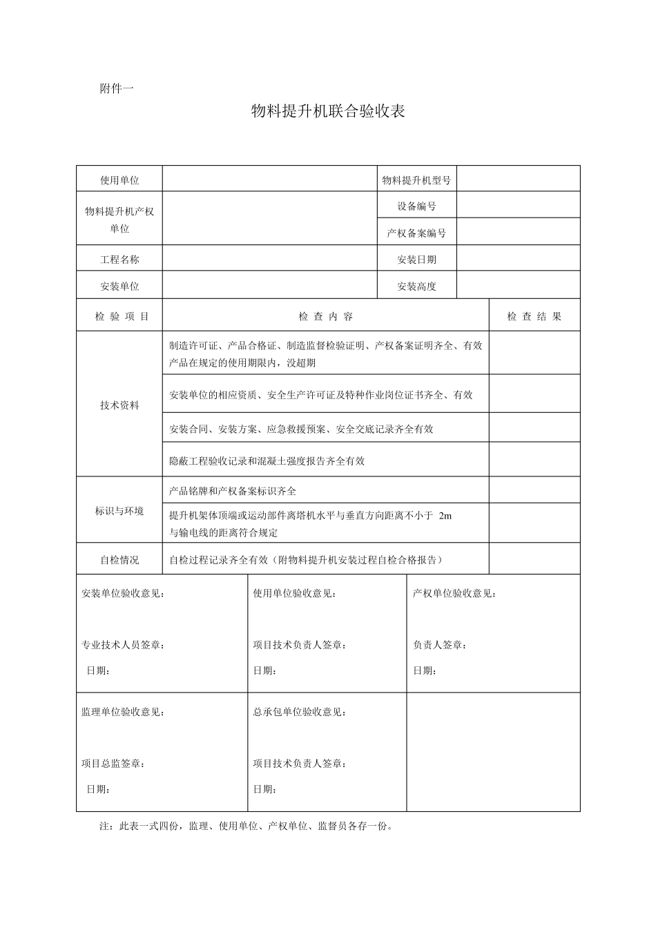
附件一 物料提升机联合验收表 使用单位 物料提升机型号 物料提升机产权单位 设备编号 产权备案编号 工程名称 安装日期 安装单位 安装高度 检 验 项 目 检 查 内 容 检 查 结 果 技术资料 制造许可证、产品合格证、制造监督检验证明、产权备案证明齐全、有效产品在规定的使用期限内,没超期 安装单位的相应资质、安全生产许可证及特种作业岗位证书齐全、有效 安装合同、安装方案、应急救援预案、安全交底记录齐全有效 隐蔽工程验收记录和混凝土强度报告齐全有效 标识与环境 产品铭牌和产权备案标识齐全 提升机架体顶端或运动部件离塔机水平与垂直方向距离不小于 2m 与输电线的距离符合规定 自检情况 自检过程记录齐全有效(附物料提升机安装过程自检合格报告) 安装单位验收意见: 专业技术人员签章: 日期: 使用单位验收意见: 项目技术负责人签章: 日期: 产权单位验收意见: 负责人签章: 日期: 监理单位验收意见: 项目总监签章: 日期: 总承包单位验收意见: 项目技术负责人签章: 日期: 注:此表一式四份,监理、使用单位、产权单位、监督员各存一份。 附件二 物料提升机月检验收表 使用单位 物料提升机型号 物料提升机产权单位 设备编号 产权备案编号 工程名称 安装高度 安装单位 检验日期 检 验 项 目 检 查 内 容 检 查 结 果 基础沉降情况 地基基础经检测有无沉降及不均匀沉降情况 物料提升机垂直度 物料提升机架体垂直度偏差值≤1.5‰,但最大值不能超过 200mm ‰ 物料提升机结构构 是否有开焊、裂纹、塑性变形、锈蚀严重等现象 紧固件 连接螺栓是否有松动、脱落;插销、开口销是否有更换,开口销是否开口 物料提升机环境 物料提升机周围是否有其它塔机及障碍物;是否有新的输电线路;是否有防碰撞措施和外电线路防护措施;吊笼/蓝运行轨道是否有架体或其它障碍 物料提升机司机* 物料提升机司机是否持证上岗 防护栏* 地面防护栏、架体周边防护、卸料平台防护栏等是否有损坏;卸料平台防护栏、防护门安装是否及时 卸料平台防护门 卸料平台每层要安装层门,层门应向内开,严禁进 入 吊笼运行通 道内,层门制 作 应符 合 要求 运转 机构 运转 平稳 ,无震 颤 、冲 击 、过热 、异 常 噪 音 、摇 晃 等现象,变速 箱 无渗漏 现象;制 动无下 滑 现象 易 损件 钢 丝 绳 是否报 废 ;轴 承 、滑 轮...

1、当您付费下载文档后,您只拥有了使用权限,并不意味着购买了版权,文档只能用于自身使用,不得用于其他商业用途(如 [转卖]进行直接盈利或[编辑后售卖]进行间接盈利)。
2、本站所有内容均由合作方或网友上传,本站不对文档的完整性、权威性及其观点立场正确性做任何保证或承诺!文档内容仅供研究参考,付费前请自行鉴别。
3、如文档内容存在违规,或者侵犯商业秘密、侵犯著作权等,请点击“违规举报”。

碎片内容

物料提升机验收表

确认删除?
VIP
微信客服
  • 扫码咨询
会员Q群
  • 会员专属群点击这里加入QQ群
客服邮箱
回到顶部