电脑桌面
添加小米粒文库到电脑桌面
安装后可以在桌面快捷访问

特殊作业票填写规范VIP专享

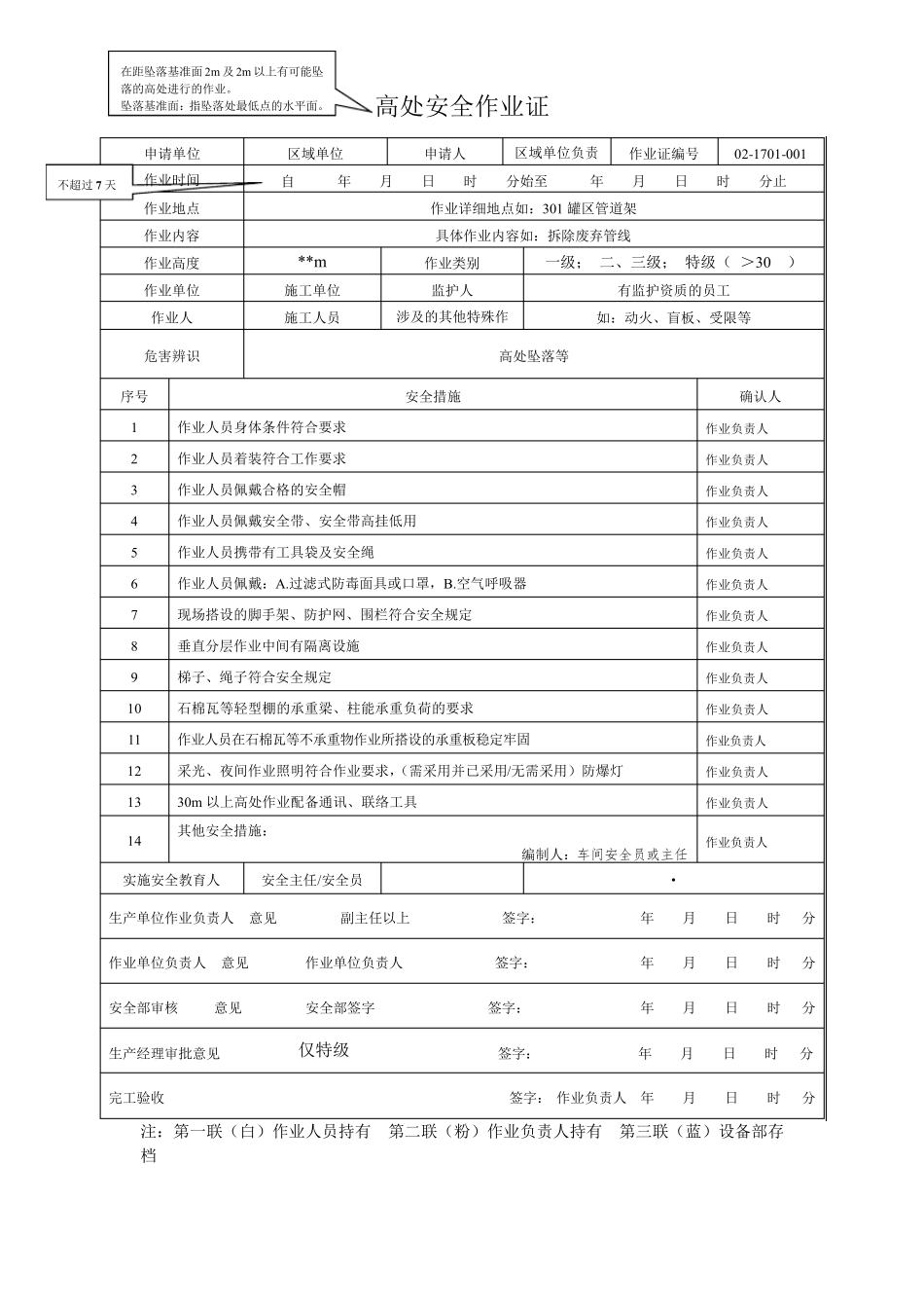
特殊作业票填写规范_第1页
1/8
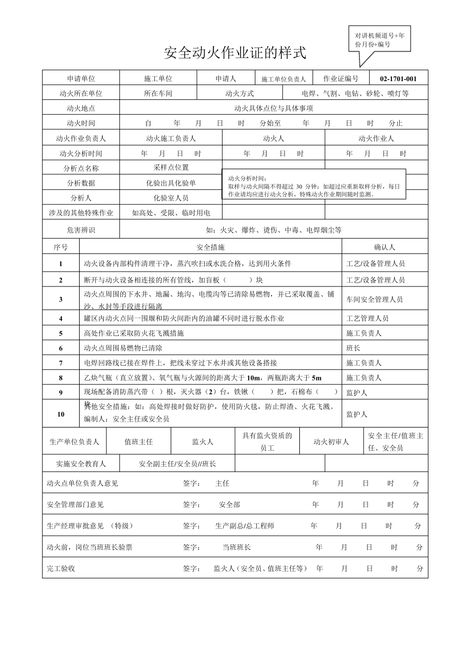
特殊作业票填写规范_第2页
2/8
特殊作业票填写规范_第3页
3/8
安全动火作业证的样式 申请单位 施工单位 申请人 施工单位负责人 作业证编号 02-1701-001 动火所在单位 所在车间 动火方式 电焊、气割、电钻、砂轮、喷灯等 动火地点 动火具体点位与具体事项 动火时间 自 年 月 日 时 分始至 年 月 日 时 分止 动火作业负责人 动火施工负责人 动火人 动火作业人 动火分析时间 年 月 日 时 年 月 日 时 年 月 日 时 分析点名称 采样点位置 分析数据 化验出具化验单 分析人 化验室人员 涉及的其他特殊作业 如高处、受限、临时用电 危害辨识 如:火灾、爆炸、烫伤、中毒、电焊烟尘等 序号 安全措施 确认人 1 动火设备内部构件清理干净,蒸汽吹扫或水洗合格,达到用火条件 工艺/设备管理人员 2 断开与动火设备相连接的所有管线,加盲板( )块 工艺/设备管理人员 3 动火点周围的下水井、地漏、地沟、电缆沟等已清除易燃物,并已采取覆盖、铺沙、水封等手段进行隔离 车间安全管理人员 4 罐区内动火点同一围堰和防火间距内的油罐不同时进行脱水作业 工艺管理人员 5 高处作业已采取防火花飞溅措施 施工负责人 6 动火点周围易燃物已清除 班长 7 电焊回路线已接在焊件上,把线未穿过下水井或其他设备搭接 施工负责人 8 乙炔气瓶(直立放置)、氧气瓶与火源间的距离大于 10m ,两瓶距离大于 5m 施工负责人 9 现场配备消防蒸汽带( )根,灭火器(2)台,铁锹( )把,石棉布( )块 监护人 10 其他安全措施:如:高处焊接时做好防护,使用防火毯,防止焊渣、火花飞溅。 编制人:安全主任或安全员 监护人 生产单位负责人 值班主任 监火人 具有监火资质的员工 动火初审人 安全主任/值班主任、安全员 实施安全教育人 安全副主任/安全员//班长 动火点单位负责人意见 签字: 主任 年 月 日 时 分 安全管理部门意见 签字: 安全部 年 月 日 时 分 生产经理审批意见 (特级) 签字: 生产副总/总工程师 年 月 日 时 分 动火前,岗位当班班长验票 签字: 当班班长 年 月 日 时 分 完工验收 签字: 监火人(安全员、值班主任等) 年 月 日 时 分 动火分析时间: 取样与动火间隔不得超过 30 分钟;如超过应重新取样分析,每日作业请均应进行动火分析,特殊动火作业期间随时监测。 对讲机频道号+年份月份+编号 盲板抽堵安全作业证 申请单位 作业点单位 申请人 作业负责人 作...

1、当您付费下载文档后,您只拥有了使用权限,并不意味着购买了版权,文档只能用于自身使用,不得用于其他商业用途(如 [转卖]进行直接盈利或[编辑后售卖]进行间接盈利)。
2、本站所有内容均由合作方或网友上传,本站不对文档的完整性、权威性及其观点立场正确性做任何保证或承诺!文档内容仅供研究参考,付费前请自行鉴别。
3、如文档内容存在违规,或者侵犯商业秘密、侵犯著作权等,请点击“违规举报”。

碎片内容

特殊作业票填写规范

确认删除?
VIP
微信客服
  • 扫码咨询
会员Q群
  • 会员专属群点击这里加入QQ群
客服邮箱
回到顶部