电脑桌面
添加小米粒文库到电脑桌面
安装后可以在桌面快捷访问

特种设备生产许可证

特种设备生产许可证_第1页
1/13
特种设备生产许可证_第2页
2/13
特种设备生产许可证_第3页
3/13
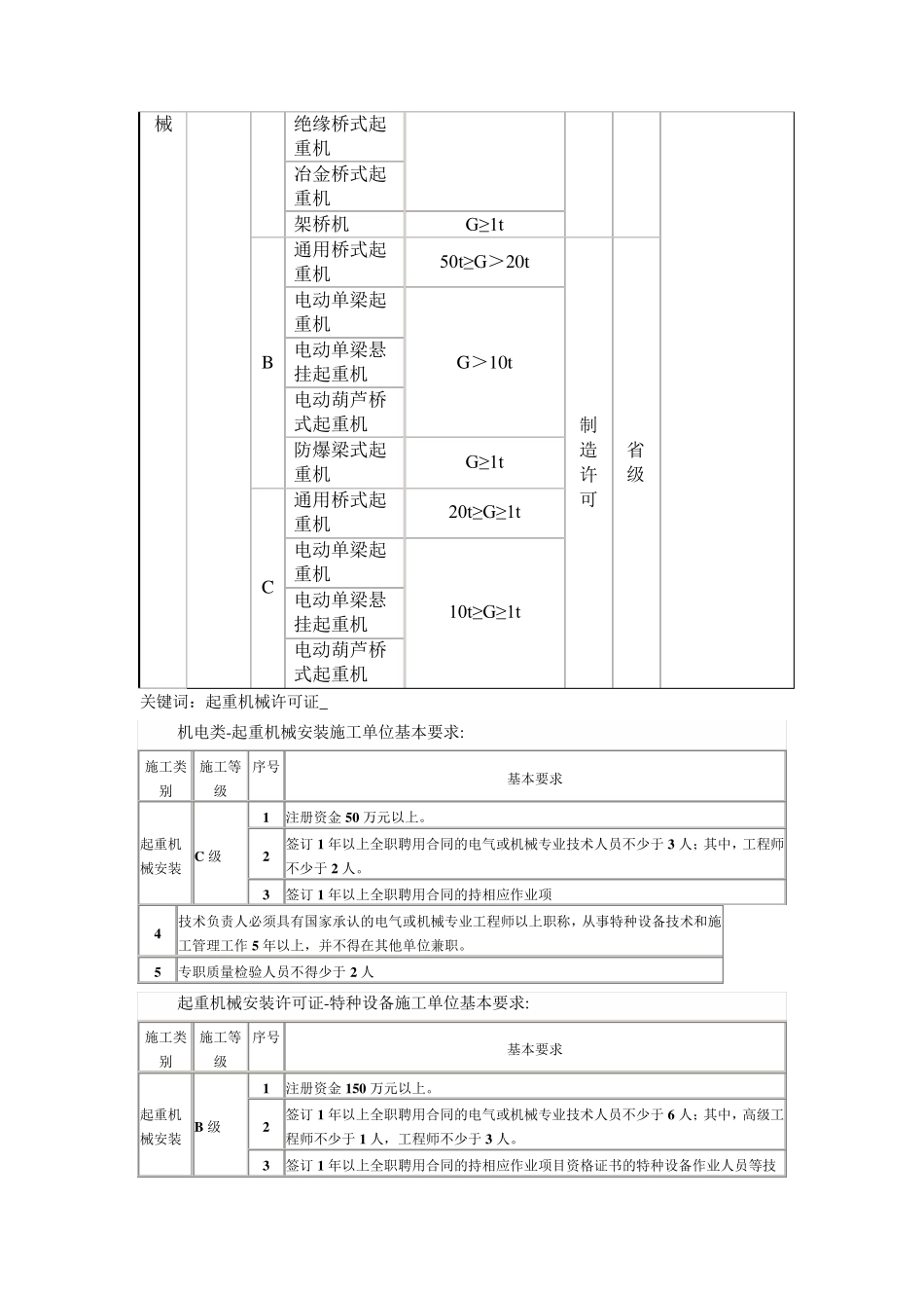
特种设备生产许可证 申请条件 申请从事特种设备制造的单位,应当具备以下基本条件: (一)取得工商营业执照或者当地政府依法颁发的登记、注册证件; (二)有与制造相适应的管理人员、专业技术人员和技术工人; (三)有与制造产品相适应的生产场地、加工设备、检测手段; (四)有健全的质量管理体系和各项管理制度,并能有效运转; (五)有与制造范围相适应的安全技术规范、标准; (六)能够保证产品安全性能符合特种设备安全技术规范的基本要求。 具体条件见国家质检总局《锅炉压力容器制造许可条件》、《机电类特种设备制造许可规则》等安全技术规范。 (一) 下列特种设备制造单位资格许可的受理、审批由国家质检总局负责: 5.起重机械 (1)桥式起重机(B 、C 级); (2)门式起重机(B 、C 级); (3)塔式起重机 B 、C 级); (4)流动式起重机(B 级); (5)铁路起重机(B 级); (6)门座式起重机(B 级); (7)升降机(B 级); (8)桅杆式起重机(B 级); (9)旋臂式起重机(C 级); (10)轻小型起重设备(B 、C 级)。 许可程序 特种设备制造许可包括申请、受理、产品试制和型式试验、鉴定评审、审批、发证等程序: (一)申请 申请制造许可的单位(以下简称申请单位)填写申请书(申请书从相关网站下载,一式四份)向许可实施机关提出申请,并附下列材料(各一份): 1.依法取得的工商营业执照或者政府有关部门依法颁发的登记、注册证件复印件; 2.有关安全技术规范规定的其他材料。 (二)受理 许可实施机关对申请材料进行审查,同意受理的在申请书上签署受理意见,返回申请单位。不同意受理的向申请单位出具不受理通知书。 (三) 产品试制和型式试验 按照规定需要进行产品试制或者进行型式试验的,申请单位应当在受理后,准备试制产品或者进行型式试验。(型式试验机构由国家质检总局在相关网站上公布)。 承担型式试验的单位在完成型式试验后,应当向申请单位出具型式试验报告。 (四) 约请鉴定评审机构 申请单位应当携带批准受理申请资料和相关设备的型式试验报告,约请鉴定评审机构进行现场实地鉴定评审(鉴定评审机构由国家质检总局在相关网站上公布)。 鉴定评审程序按照制造许可规则等安全技术规范进行,鉴定评审机构在完成现场实地鉴定评审工作后,向许可实施机关出具鉴定评审报告。 (五) 审批、发证 许可实施机关经过审查,履行审批程序,符合条件的颁发《特种设备制造许可证》(正、副本...

1、当您付费下载文档后,您只拥有了使用权限,并不意味着购买了版权,文档只能用于自身使用,不得用于其他商业用途(如 [转卖]进行直接盈利或[编辑后售卖]进行间接盈利)。
2、本站所有内容均由合作方或网友上传,本站不对文档的完整性、权威性及其观点立场正确性做任何保证或承诺!文档内容仅供研究参考,付费前请自行鉴别。
3、如文档内容存在违规,或者侵犯商业秘密、侵犯著作权等,请点击“违规举报”。

碎片内容

特种设备生产许可证

您可能关注的文档

确认删除?
VIP
微信客服
  • 扫码咨询
会员Q群
  • 会员专属群点击这里加入QQ群
客服邮箱
回到顶部