电脑桌面
添加小米粒文库到电脑桌面
安装后可以在桌面快捷访问

环卫一体化项目设备、车辆配置计划

环卫一体化项目设备、车辆配置计划_第1页
1/10
环卫一体化项目设备、车辆配置计划_第2页
2/10
环卫一体化项目设备、车辆配置计划_第3页
3/10
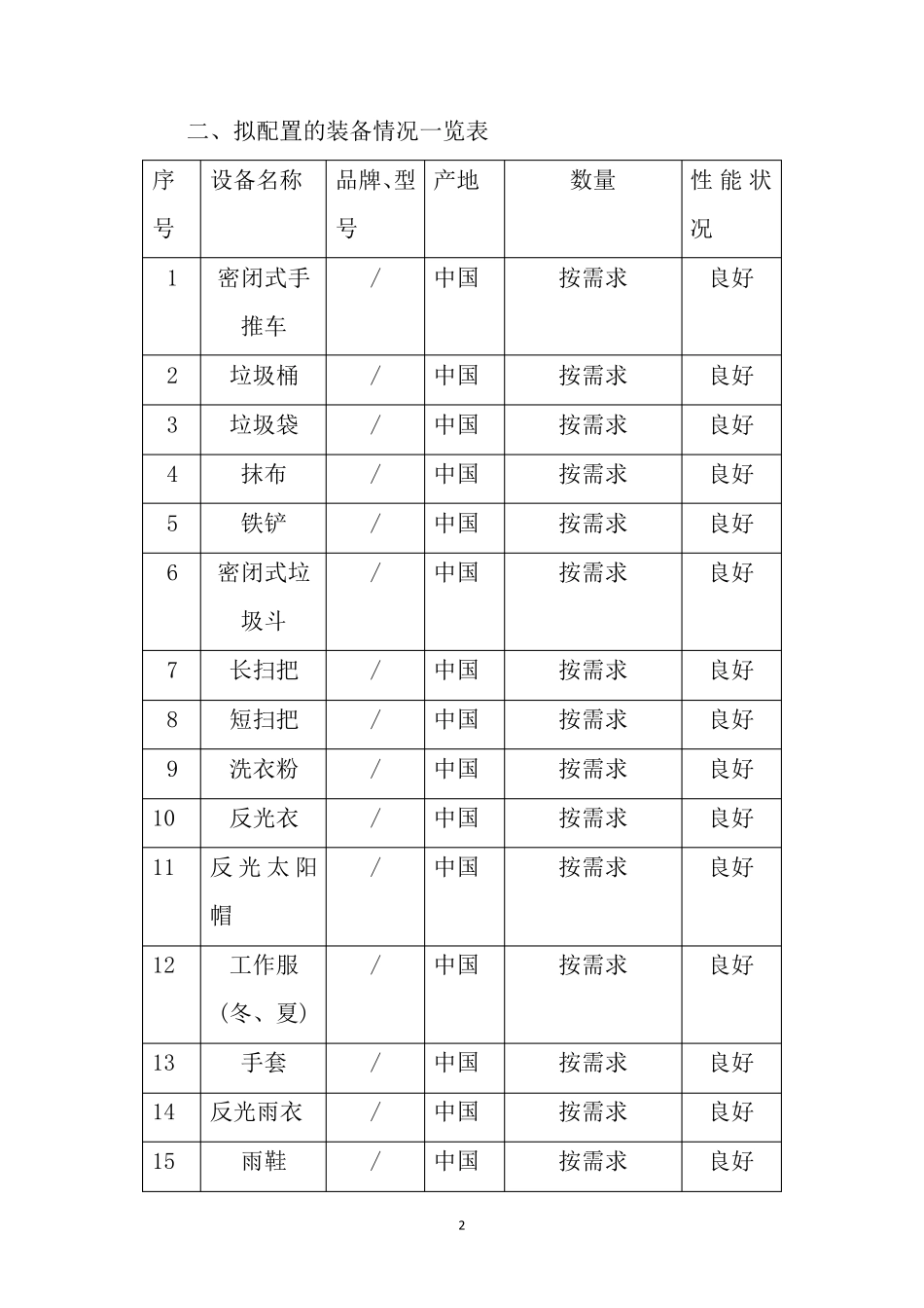
1 环卫一体化项目设备、车辆配置计划 我公司在各地区具有丰富的道路环卫保洁经验,在管和已管项目都取得良好的业绩,为企业在同类项目管理奠定基础,同时积累了大量的作业机械设备。 我单位近年来承接了多个清扫保洁项目工作,均得到业主单位及广大市民的认可。我单位具有丰富的工作经验,能又快有好的满足业主要求。 一、车辆设备配置清单 为确保本项目机械化使用率,单位在开始履行清扫保洁服务前,购买以下设备用于本项目,本项目所有车辆,符合国家环保规定的标准(车辆设备配置均须为本项目单独配备)。 本项目车辆配备配置最低要求 项目 名称 车型类别 核定载质量 配备数量 采购环卫一体化项目服务 工作巡查车 5 台 多功能洗扫车 16000kg 以上 2 辆 垃圾运输车 7000kg 以上 5 辆 勾臂式垃圾运输车 250000kg 以上 2 辆 电瓶三轮保洁车 28 辆以上 2 二、拟配置的装备情况一览表 序 号 设备名称 品牌、型号 产地 数量 性 能 状况 1 密闭式手推车 / 中国 按需求 良好 2 垃圾桶 / 中国 按需求 良好 3 垃圾袋 / 中国 按需求 良好 4 抹布 / 中国 按需求 良好 5 铁铲 / 中国 按需求 良好 6 密闭式垃圾斗 / 中国 按需求 良好 7 长扫把 / 中国 按需求 良好 8 短扫把 / 中国 按需求 良好 9 洗衣粉 / 中国 按需求 良好 10 反光衣 / 中国 按需求 良好 11 反 光 太 阳帽 / 中国 按需求 良好 12 工作服(冬、夏) / 中国 按需求 良好 13 手套 / 中国 按需求 良好 14 反光雨衣 / 中国 按需求 良好 15 雨鞋 / 中国 按需求 良好 3 16 铲刀 / 中国 按需求 良好 17 喷壶 / 中国 按需求 良好 18 三轮车 / 中国 按需求 良好 19 铝梯 / 中国 按需求 良好 20 草帽 / 中国 按需求 良好 21 其他 / 按需求 二、其他环卫设施的配置 (1)清洁设备 晶 面 处 理机 洗地机 吸 尘 吸 水机 烘干机 4 高压水枪 铝梯(4M) 高空作业梯 高温 清 洗机 管 道 疏 通机 多 功 能 清洗机 5 (2)清洁工具 对讲机 电缆线 多 功 能 清洁车 平板车 10 安插座 厕泵 6 厕刷 大白桶 100 升 尘推布 红 色方桶 7 (3)、常用材料配备一览表 垃圾袋 去渍剂 CIF 洁而亮 大毛巾 百洁布 洗衣粉 大 号 胶 手套 香球 8 三、机械化设备管理制度及机械设...

1、当您付费下载文档后,您只拥有了使用权限,并不意味着购买了版权,文档只能用于自身使用,不得用于其他商业用途(如 [转卖]进行直接盈利或[编辑后售卖]进行间接盈利)。
2、本站所有内容均由合作方或网友上传,本站不对文档的完整性、权威性及其观点立场正确性做任何保证或承诺!文档内容仅供研究参考,付费前请自行鉴别。
3、如文档内容存在违规,或者侵犯商业秘密、侵犯著作权等,请点击“违规举报”。

碎片内容

环卫一体化项目设备、车辆配置计划

确认删除?
VIP
微信客服
  • 扫码咨询
会员Q群
  • 会员专属群点击这里加入QQ群
客服邮箱
回到顶部