电脑桌面
添加小米粒文库到电脑桌面
安装后可以在桌面快捷访问

环评审批预审申报及程序VIP专享

环评审批预审申报及程序_第1页
1/13
环评审批预审申报及程序_第2页
2/13
环评审批预审申报及程序_第3页
3/13
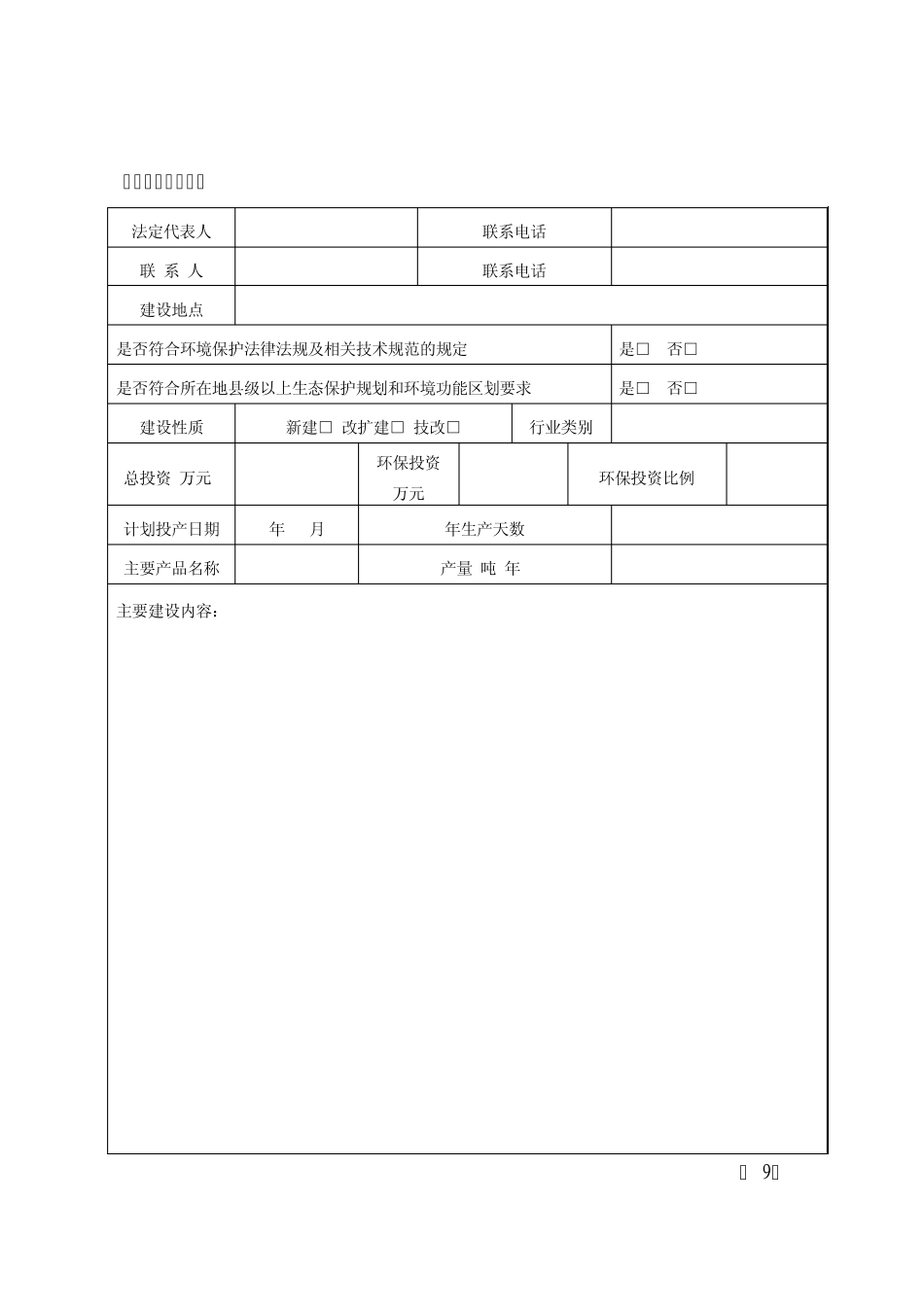
编号:(2010 ) 号 建 设 项 目 环 境 影 响 评 价审批预审申报表 项目名称: 苍山县天然气利用工程 建设单位: 苍山中石油昆仑众德燃气有限公司 申报时间: 年 月 日 山东省环境保护局制 一、项目基本情况 法定代表人 联系电话 联 系 人 联系电话 建设地点 是否符合环境保护法律法规及相关技术规范的规定 是□ 否□ 是否符合所在地县级以上生态保护规划和环境功能区划要求 是□ 否□ 建设性质 新建□ 改扩建□ 技改□ 行业类别 总投资(万元) 环保投资(万元) 环保投资比例 计划投产日期 年 月 年生产天数 主要产品名称 产量(吨/年) 主要建设内容: — 9— 二、企业基本情况 主要填写企业所在地、企业性质、上年销售收入、上年上缴税收、上年利润、主要产品名称及产量: 三、预计主要污染物产生量及排放量 名 称 产生量 治理削减量 排放量 排放去向 COD (吨/年) NH3-N (吨/年) SO2 (吨/年) 主要污染防治措施: — 10— 四、是否有企业限批的情况 (一)上年和当年减排指标完成情况 污染物名称 上年减排任务指标 上年实际减排量 当年减排任务指标 当年实际减排量 COD (吨/年) NH3-N (吨/年) SO2 (吨/年) (二)主要污染物达标排放情况 污染物名称 排放标准 实际排放浓度 排放去向 河流规划目标 水质现状 COD (m g/L) NH3-N (m g/L) SO2 (m g/m 3) ―― ―― ―― (三)近三年内已建、在建项目环评和“三同时”执行情况 序号 项目名称 环评批复部门及批复时间 项目进展情况 竣工环保验收时间 1 在建□试运行□已投产□ 2 在建□试运行□已投产□ 3 在建□试运行□已投产□ 4 在建□试运行□已投产□ — 11— 五、是否在局部禁批或限批和区域限批范围之内 (一)是否属于建在饮用水水源保护区、各类自然保护区、风景名胜区、生态功能保护区、生态敏感与脆弱区等环境敏感区 是否影响生态环境和污染环境 是□ 否□ 是□ 否□ (二)是否属于毗邻居民区的化工等有环境风险的项目 是□ 否□ (三)是否处于城市规划区内、经济技术开发区和高新技术产业开发区等工业园区之外 是否属于有污染的新上项目 是□ 否□ 是□ 否□ (四)是否处于南水北调和小清河大堤两侧 5公里之内 是否有污水排放 是□ 否□ 是□ 否□ (五)是否处在国家环保总局和省环保局限批的园区和流域 是□ 否□ (六)是否在国家环保总局和省环保局限...

1、当您付费下载文档后,您只拥有了使用权限,并不意味着购买了版权,文档只能用于自身使用,不得用于其他商业用途(如 [转卖]进行直接盈利或[编辑后售卖]进行间接盈利)。
2、本站所有内容均由合作方或网友上传,本站不对文档的完整性、权威性及其观点立场正确性做任何保证或承诺!文档内容仅供研究参考,付费前请自行鉴别。
3、如文档内容存在违规,或者侵犯商业秘密、侵犯著作权等,请点击“违规举报”。

碎片内容

环评审批预审申报及程序

确认删除?
VIP
微信客服
  • 扫码咨询
会员Q群
  • 会员专属群点击这里加入QQ群
客服邮箱
回到顶部