电脑桌面
添加小米粒文库到电脑桌面
安装后可以在桌面快捷访问

球墨铸铁管道评定表VIP专享

球墨铸铁管道评定表_第1页
1/20
球墨铸铁管道评定表_第2页
2/20
球墨铸铁管道评定表_第3页
3/20
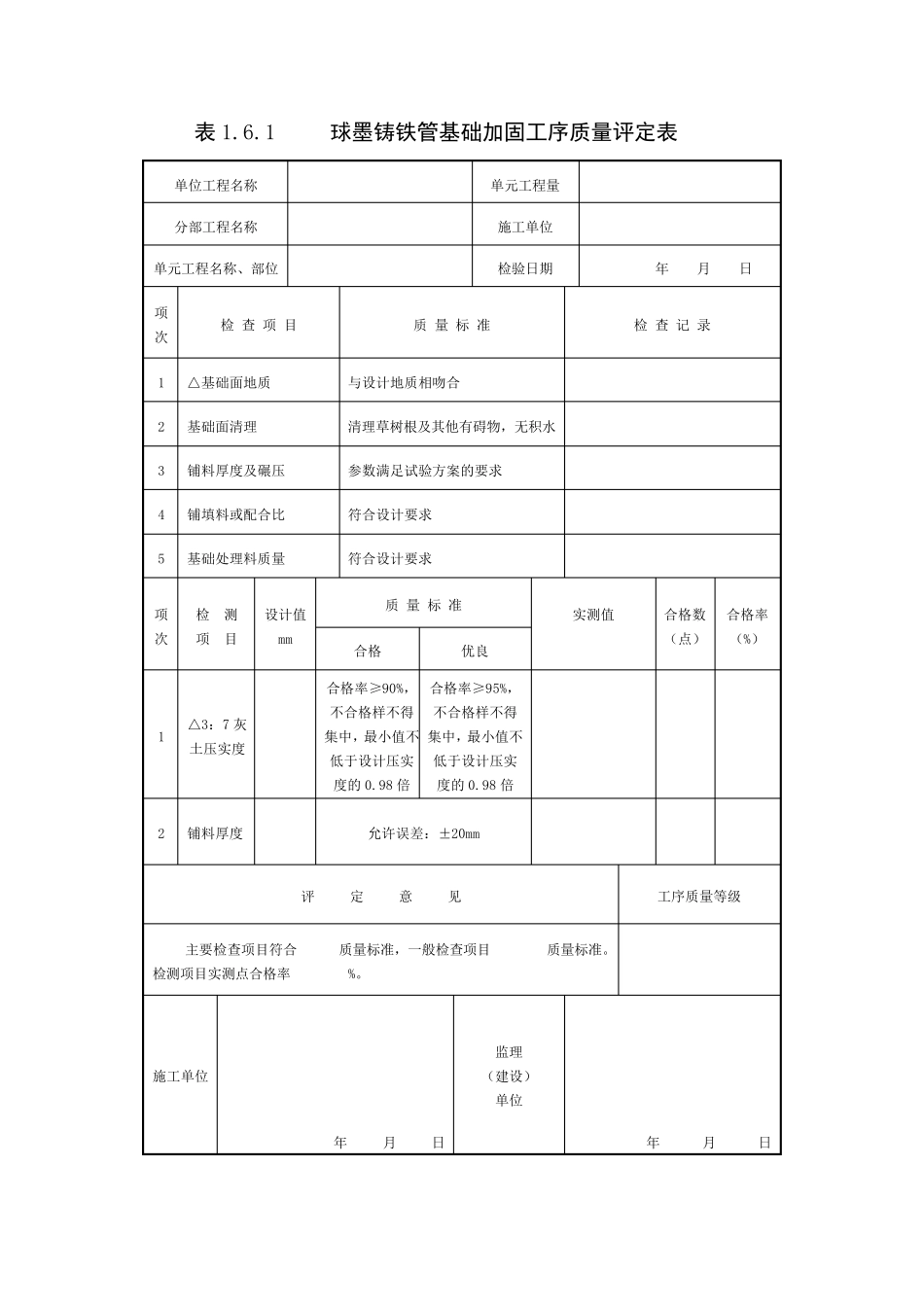
表1.6 球墨铸铁管安装单元工程质量评定表 单位工程名称 单元工程量 分部工程名称 施工单位 单元工程名称、部位 评定日期 年 月 日 项次 工 序 名 称 工 序 质 量 等 级 1 基础加固 2 管基处理 3 △球墨铸铁管道安装 评 定 意 见 单元工程质量等级 工序质量全部合格,其中球墨铸铁管道工序质量 ,工序质量优良率为 % 施工单位 年 月 日 监理 (建设) 单位 年 月 日 表1.6 球墨铸铁管道安装单元工程质量评定表 填 表 说 明 填表时必须遵守“填表基本规定”,并符合以下要求: 1、单元工程划分:按施工检查验收区、段,结合管道安装结构及压力等级划分,单线一般每 1O 节球墨铸铁管道(含配件)为一个单元工程。 2、单元工程量:填写球墨铸铁管道安装长度(m) 3、本表是在表1.4-1、表1.4-2 和表1.4-3 等工序质量评定后,由施工单位按照监理复核的工序质量结果填写(从表头至评定意见)。单元工程质量等级由建设、监理复核评定。 4、单元工程质量标准 合格:工序质量全部合格。 优良:工序质量全部合格,优良工序达 50%及以上,且主要工序全部优良。 表1.6.1 球墨铸铁管基础加固工序质量评定表 单位工程名称 单元工程量 分部工程名称 施工单位 单元工程名称、部位 检验日期 年 月 日 项次 检 查 项 目 质 量 标 准 检 查 记 录 1 △基础面地质 与设计地质相吻合 2 基础面清理 清理草树根及其他有碍物,无积水 3 铺料厚度及碾压 参数满足试验方案的要求 4 铺填料或配合比 符合设计要求 5 基础处理料质量 符合设计要求 项次 检 测 项 目 设计值 mm 质 量 标 准 实测值 合格数 (点) 合格率 (%) 合格 优良 1 △3:7 灰土压实度 合格率≥90%,不合格样不得集中,最小值不低于设计压实度的0.98 倍 合格率≥95%,不合格样不得集中,最小值不低于设计压实度的0.98 倍 2 铺料厚度 允许误差:±20mm 评 定 意 见 工序质量等级 主要检查项目符合 质量标准,一般检查项目 质量标准。检测项目实测点合格率 %。 施工单位 年 月 日 监理 (建设) 单位 年 月 日 表1.6.1 球墨铸铁管基础加固工序质量评定表 填 表 说 明 填表时必须遵守“填表基本规定”,并符合以下要求: 1、单位工程、分部工程、单元工程名称、部位填写与单元工程表1.2 相同。 2、单元工程量:填写基础加固填筑方量(m3) 3...

1、当您付费下载文档后,您只拥有了使用权限,并不意味着购买了版权,文档只能用于自身使用,不得用于其他商业用途(如 [转卖]进行直接盈利或[编辑后售卖]进行间接盈利)。
2、本站所有内容均由合作方或网友上传,本站不对文档的完整性、权威性及其观点立场正确性做任何保证或承诺!文档内容仅供研究参考,付费前请自行鉴别。
3、如文档内容存在违规,或者侵犯商业秘密、侵犯著作权等,请点击“违规举报”。

碎片内容

球墨铸铁管道评定表

确认删除?
VIP
微信客服
  • 扫码咨询
会员Q群
  • 会员专属群点击这里加入QQ群
客服邮箱
回到顶部