电脑桌面
添加小米粒文库到电脑桌面
安装后可以在桌面快捷访问

生产管理系统解决方案

生产管理系统解决方案_第1页
1/12
生产管理系统解决方案_第2页
2/12
生产管理系统解决方案_第3页
3/12
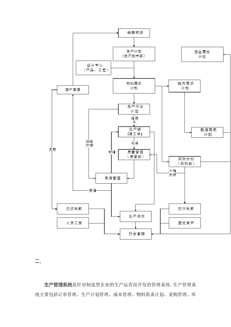
生产管理系统解决方案 一 、生产管理系统解决方案框 二 、 生产管理系统是针对制造型企业的生产运营而开发的管理系统。生产管理系统主要包括订单管理、生产计划管理、成本管理、物料需求计划、采购管理、库存管理、付款管理、质量管理、生产绩效等核心管理系统,实施生产管理系统能够提高了各组织部分管理的准确性,指导原材料定购,及时掌控各方数据信息,优化资金的合理使用,提高生产的效率和节省生产成本。 二 、生产管理系统解决方案需求分析 社会的信息化的深入发展,各企业都在加快建设特信息网络平台的步伐。企业在处理采购、生产、成本管理、质量管理等重要环节方面,正在逐步加强对利用信息化网络平台和计算机的利用。在企业生产管理中,对可视化信息的需求十分迫切。比如,在安全防卫方面,企业需要再厂区、厂房、仓库以及各交界处实施全天候视频监控及预警、录像系统;监管人员需要及时掌握各厂房车间的流水线的生产情况;领导层也有了解各生产环节实时生产情况,现场语音交流指导和处理突发状况的需求。 此外,制造行业的人力成本不断上升,而且人工处理缓慢,出错率高,因此企业对于生产管理软 件开发提出了更高的要求,企业通过实施生产管理系统解决方案,不仅促进企业生产社会化自动化要求,也是企业发展、减少成本需要。另一方面,我国 正处在粗 放 式 经 济 增 长 方式 向 集 约 型 转 变 的道 路 上,利用生产管理软 件 来 实现车间生产管理的信息化和生产管理的信息化,用生产管理软 件 的精确 管理控制代 替 手 工的粗 放 式 管理,更好 的节约 物 料 资 源 ,降 低 产品 的成本,创造出最 大 的经 济 效 益 ,不断地 增 强企业的核 心 竞 争 力。 三 、生产管理系统解决方案 生产流程 越 来 越 复 杂 ,使 得 企业越 来 越 难 以控制生产过程 ,对流程 的管理也随 之 缺 乏 灵 活 性 ;同 时,社会分工越 来 越 细 化,生产工人对所 从 事 的生产的全过程 也缺 乏 了解,因此也缺 乏 改 变 已 有条 件 的积 极 主 动性 。 现在,企业生产有一种 趋 势 向 小 型 化、自治 化的制造和装 配 单 元 发展,生产管理系统的生产计划 和控制可以只 对制造或 者 其 他 部 门 规 定 某 个 时间段 应该 完 成的粗 略 生产计划 ;具 体 的生产调 度 ,如技 术 、分配 、质量管理等功...

1、当您付费下载文档后,您只拥有了使用权限,并不意味着购买了版权,文档只能用于自身使用,不得用于其他商业用途(如 [转卖]进行直接盈利或[编辑后售卖]进行间接盈利)。
2、本站所有内容均由合作方或网友上传,本站不对文档的完整性、权威性及其观点立场正确性做任何保证或承诺!文档内容仅供研究参考,付费前请自行鉴别。
3、如文档内容存在违规,或者侵犯商业秘密、侵犯著作权等,请点击“违规举报”。

碎片内容

生产管理系统解决方案

您可能关注的文档

确认删除?
VIP
微信客服
  • 扫码咨询
会员Q群
  • 会员专属群点击这里加入QQ群
客服邮箱
回到顶部