电脑桌面
添加小米粒文库到电脑桌面
安装后可以在桌面快捷访问

生产过程管理流程VIP专享

生产过程管理流程_第1页
1/24
生产过程管理流程_第2页
2/24
生产过程管理流程_第3页
3/24
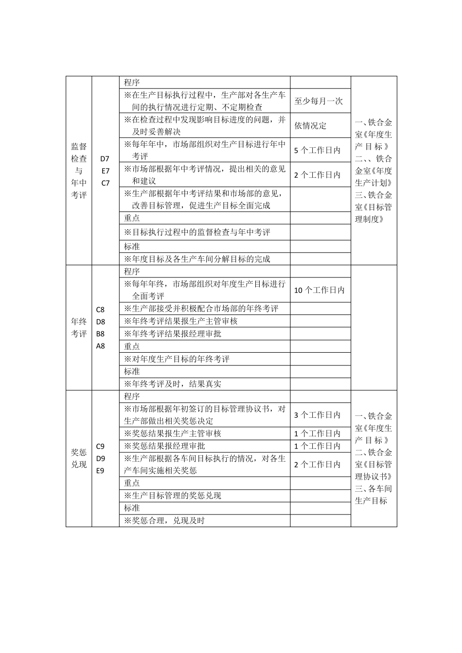
1 . 企业生产目标流程图及工作标准 (一)生产目标流程图 编号: 部门名称 生产部 流程名称 企业生产目标流程 层 次 2 概 要 生产目标管理 单 位 经理 生产主管 市场部 生产部 各生产车间 节 点 A B C D E 1 2 3 4 5 6 7 8 9 10 公司名称 密 级 共 页 第 页 编制单位 签发人 签发日期 开始 年度目标 形成草案 目标协议 审核 审核 目标分解 执行 审批 目标协议 审核 审批 监督检查 年中考评 接受考评 年终考评 实施奖惩 相应奖惩 相应奖惩 结束 审核 审批 发展战略 配合 配合 执行 (二)生产目标管理工作标准 任务 名称 节点 任务程序、重点及标准 时限 相关资料 年度 目标 草案 D2 E2 D3 C3 B3 A3 程序 一、铁合金室《中长期发展战略》 二、铁合金室《年度经营目标》 ※生产部根据铁合金室中长期发展战略和年度经营目标,拟写铁合金室年度生产目标 10 个工作日内 ※各有关职能部门和生产车间配合生产部年度目标的编制 随时 ※生产部将年度生产目标报市场部审核 1 个工作日内 ※生产部将年度生产目标报生产主管审核 1 个工作日内 ※生产部将年度生产目标报经理审批 1 个工作日内 重点 ※年度生产目标的编制 标准 ※年度生产目标编制及时、全面、可行 签订目标协议 C4 D4 程序 一、铁合金室《年度生产目标草案》 二、铁合金室《目标管理制度》 ※年度生产目标草案经经理审批后,生产部按经理审批意见,将其补充完整 5 个工作日内 ※生产部与市场部正式将年度生产目标成文 2 个工作日内 ※在市场部的主持下,生产主管与经理签订年度目标管理协议书 1 个工作日内 ※年度目标管理协议书由市场部存档备案 即时 重点 ※目标管理协议书的签订 标准 ※目标协议书签订顺利 目标分解 D5 C5 B5 D6 E6 程序 一、铁合金室《年度生产目标》 二、铁合金室《年度生产计划》 ※生产部将年度生产目标逐层分解为季度、月度各生产车间的目标 5 个工作日内 ※分解后的生产目标报市场部审核 1 个工作日内 ※分解后的生产目标报生产主管审批 1 个工作日内 ※生产部组织各层次生产目标的实施 ※各生产车间实施本车间的生产目标 重点 ※年度生产目标的分解与执行 标准 ※年度生产目标分解及时、准确 监督检查与 年中考评 D7 E7 C7 程序 一、铁合金室《年度生产目标》二、、铁合金室《年度生产计划》...

1、当您付费下载文档后,您只拥有了使用权限,并不意味着购买了版权,文档只能用于自身使用,不得用于其他商业用途(如 [转卖]进行直接盈利或[编辑后售卖]进行间接盈利)。
2、本站所有内容均由合作方或网友上传,本站不对文档的完整性、权威性及其观点立场正确性做任何保证或承诺!文档内容仅供研究参考,付费前请自行鉴别。
3、如文档内容存在违规,或者侵犯商业秘密、侵犯著作权等,请点击“违规举报”。

碎片内容

生产过程管理流程

小辰6+ 关注
实名认证
内容提供者

出售各种资料和文档

确认删除?
VIP
微信客服
  • 扫码咨询
会员Q群
  • 会员专属群点击这里加入QQ群
客服邮箱
回到顶部