电脑桌面
添加小米粒文库到电脑桌面
安装后可以在桌面快捷访问

化工原理历年试卷

化工原理历年试卷_第1页
1/18
化工原理历年试卷_第2页
2/18
化工原理历年试卷_第3页
3/18
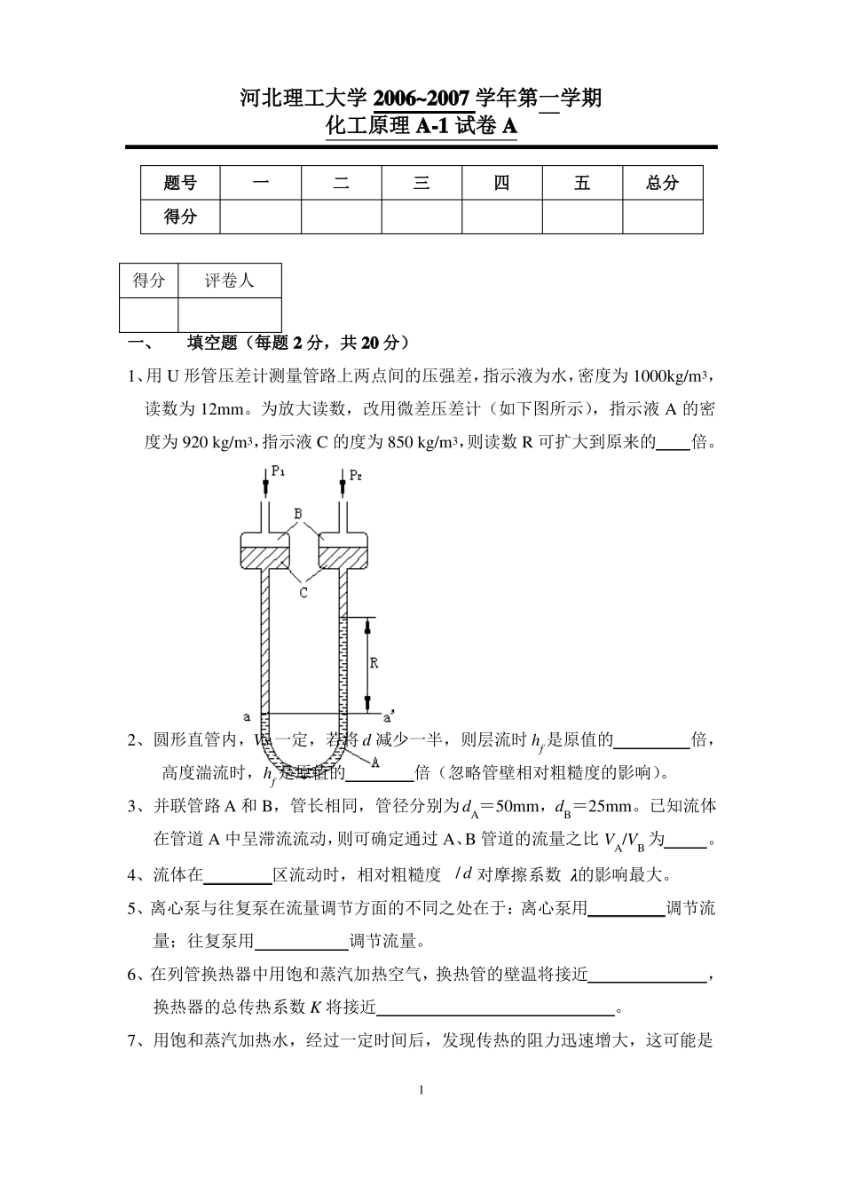
河北理工大学 2006~2007 学年第一学期化工原理 A-1 试卷 A题号得分一二三四五总分得分评卷人一、填空题(每题 2 分,共 20 分)1、用 U 形管压差计测量管路上两点间的压强差,指示液为水,密度为 1000kg/m3,读数为 12mm。为放大读数,改用微差压差计(如下图所示),指示液 A 的密度为 920 kg/m3,指示液 C 的度为 850 kg/m3,则读数 R 可扩大到原来的倍。2、圆形直管内,Vs 一定,若将 d 减少一半,则层流时 hf 是原值的倍,高度湍流时,hf 是原值的倍(忽略管壁相对粗糙度的影响)。3、并联管路 A 和 B,管长相同,管径分别为dA=50mm,dB=25mm。已知流体在管道 A 中呈滞流流动,则可确定通过 A、B 管道的流量之比 VA/VB 为。4、流体在区流动时,相对粗糙度/ d 对摩擦系数 λ的影响最大。5、离心泵与往复泵在流量调节方面的不同之处在于:离心泵用调节流量;往复泵用调节流量。6、在列管换热器中用饱和蒸汽加热空气,换热管的壁温将接近,换热器的总传热系数 K 将接近。7、用饱和蒸汽加热水,经过一定时间后,发现传热的阻力迅速增大,这可能是1由或引起的。8、有一φ25mm×2mm 的蒸汽管道,管内饱和蒸汽温度为 130℃,管外包有一层  0.8 W/(m.℃)的保温层,保温层外面是30℃的大气,若给热系数为0 10W/(m2.℃),则保温层的临界直径为mm。9、设置隔热挡板是辐射散热的有效方法,挡板的黑度越,辐射散热量越小。10、在降尘室内,粒径为60 微米的颗粒理论上能全部除去,则粒径为 42 微米的颗粒能被除去的百分率为。(沉降在滞流区)得分评卷人二、选择题(每题 2 分,共 24 分)1728394105116121、如下图所示的开口容器内盛有高度为 h1 的油和高度为 h2 的水,右侧管中水面高度为 h,则处于同一水平面上的 B 与 B’点之间的压强大小之间的关系为()。''A. pB  pBB. pB  pB'p pBBC.D. 无法比较2、定态流体在圆管内作层流流动时,下列各式中不正确的是()。2 r 2 duu  umax 1     R  drB.A.C.u  1 umax2D. u  0.8umax3、流体在圆形直管内流动时,若流动已进入完全湍流区,则摩擦系数 λ 与 Re的关系为()。A. 随 Re 增加,λ 增加B. 随 Re 增加,λ 减小C. 随 Re 增加,λ 基本不变D. 随 Re 增加,λ 先增加后减小4、如下图所示,用管子从液面恒定的高位槽中放水,...

1、当您付费下载文档后,您只拥有了使用权限,并不意味着购买了版权,文档只能用于自身使用,不得用于其他商业用途(如 [转卖]进行直接盈利或[编辑后售卖]进行间接盈利)。
2、本站所有内容均由合作方或网友上传,本站不对文档的完整性、权威性及其观点立场正确性做任何保证或承诺!文档内容仅供研究参考,付费前请自行鉴别。
3、如文档内容存在违规,或者侵犯商业秘密、侵犯著作权等,请点击“违规举报”。

碎片内容

化工原理历年试卷

您可能关注的文档

确认删除?
VIP
微信客服
  • 扫码咨询
会员Q群
  • 会员专属群点击这里加入QQ群
客服邮箱
回到顶部