电脑桌面
添加小米粒文库到电脑桌面
安装后可以在桌面快捷访问

北理工电子实践工艺

北理工电子实践工艺_第1页
1/8
北理工电子实践工艺_第2页
2/8
北理工电子实践工艺_第3页
3/8
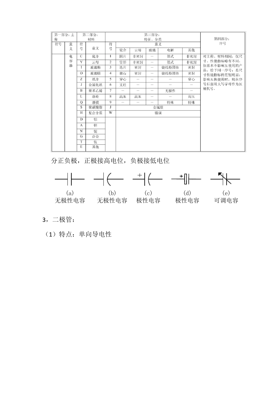
本科实验报告实验名称: 电子系统体验与工艺实践课程名称: 电子系统体验与工艺实践实验时间:任课教师:实验教师:学生姓名:学号/班级:学院:专业:实验地点:□ 原理验证实验类型:□综合设计□ 自主创新组号:同组搭档:成绩:实验报告要求一、元器件识别和检测方法1、色环电阻测量:用万用表的欧姆档测量:(1)选档:档值要略大于被测电阻的阻值。(2)误差:测量时不可用两手同时抓住被测电阻两端引出线,因为那样会把人体电阻和被测电阻并联起来,使测量结果偏小。2,电容(无极性电容,电解电容)分正负极,正极接高电位,负极接低电位(a)无极性电容(b)无极性电容(c)极性电容(d)极性电容(e)可调电容3,二极管:(1)特点:单向导电性(a)一般二极管(b)稳压二极管(c)发光二极管(d)整流桥(2)分类:整流二极管、稳压二极管、发光二极管等。(3)检测方法:快速分辨二极管正负极1) 长脚为正,短脚为负。2)发光二极管内,大点是负极,小点是正极4,三极管:cbebNPNeccbebPNPec检测方法:(1)先将万用表置于R×lk 欧姆档,将红表棒接假定的基极B,黑表棒分别与另两个极相接触,观测到指针不动(或近满偏)时,则假定的基极是正确的;且晶体管类型为 NPN(或 PNP 型)。(2)数字式万用表对三极管的判别:将万用表的档位开关打到 hFE档,如果是正确的管型和引脚,则可以直接显示放大倍数,如果三极管损坏或型号、引脚搞错,则不能显示放大倍数。二、电路焊接方法和原理1、元器件布局和焊接原则:元器件放置于两焊盘之间位置居中;无极性的元器件依据识别标记的读取方向而放置 ,且保持一致(从左至右或从上至下)。五步法2、电烙铁的使用方法和焊接标准:1. 焊件可焊性2. 焊料合格3. 焊剂合适4.焊点设计合理第一,门铃电路图和电路布局原则1,门铃工作原理图用面包板实现门铃电路的方法和元器件布局原则:先放置和焊接特殊的和较大的元器件,最后放置小元器件。同时,高频元器件的放置要尽量紧凑,布线尽可能短,从而降低信号线的交叉干扰等。对于普通的元器件,如电阻,应从元器件的排列整齐、布线的可通性和焊接的方便性等几个方面考虑,可采用自动布局的方式。1)、电阻采用水平安装,紧贴实验板,电阻的色环方向应该一致。发光二极管立式安装。2)、电解电容器立式安装3)、所有插入焊片孔的元器件引线及导线均采用直角焊,焊点要求圆滑、光亮、防止虚焊、搭焊和散焊。4)、元件装配美观、均匀、端正、整齐、不能歪斜、高矮有序。调试中...

1、当您付费下载文档后,您只拥有了使用权限,并不意味着购买了版权,文档只能用于自身使用,不得用于其他商业用途(如 [转卖]进行直接盈利或[编辑后售卖]进行间接盈利)。
2、本站所有内容均由合作方或网友上传,本站不对文档的完整性、权威性及其观点立场正确性做任何保证或承诺!文档内容仅供研究参考,付费前请自行鉴别。
3、如文档内容存在违规,或者侵犯商业秘密、侵犯著作权等,请点击“违规举报”。

碎片内容

北理工电子实践工艺

您可能关注的文档

确认删除?
VIP
微信客服
  • 扫码咨询
会员Q群
  • 会员专属群点击这里加入QQ群
客服邮箱
回到顶部