电脑桌面
添加小米粒文库到电脑桌面
安装后可以在桌面快捷访问

危险化学品泄漏事故专项应急救援预案

危险化学品泄漏事故专项应急救援预案_第1页
1/7
危险化学品泄漏事故专项应急救援预案_第2页
2/7
危险化学品泄漏事故专项应急救援预案_第3页
3/7
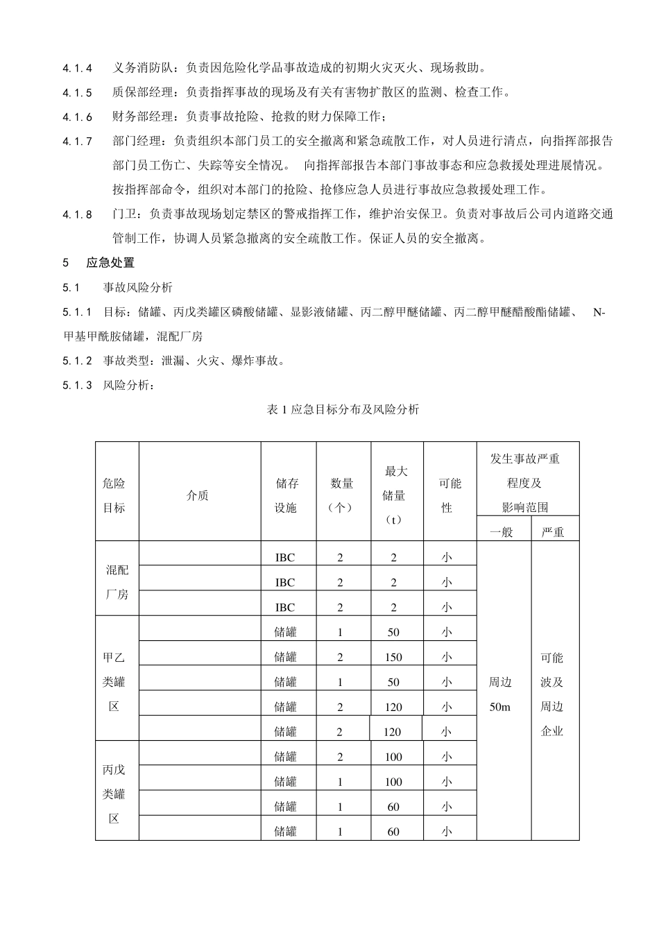
危险化学品泄漏事故专项应急救援预案1目的高效有序地处理本企业危险化学品泄漏突发事件,避免或最大程度地减轻危险化学品泄漏造成的损失,保障员工和企业财产安全,维护社会稳定。2适用范围实用于本企业危险化学品泄漏突发事件的现场应急处置和应急救援工作。3定义无4职责4.1 成立应急救援指挥部总指挥:xx副总指挥:xx生产部:xx安环部:xx质保部:xx综合部:xx财务部:xx在安环部设立事故应急救援办公室,负责日常的工作。发生重大事故时,启动应急救援 预案,负责通知指挥部所有成员参加事故应急救援处理工作。副总经理全权负责应急救援指挥工作,若副总不在,由安环部经理全权负责应急救援指挥工作。在非常特殊情况下,副总和安环部经理均不在企业时,由生产部经理全权代理总指挥负责应急救援指挥工作。4.2 指挥部人员职责4.1.1总指挥(总经理)组织指挥全企业的安全生产事故应急救援工作。副总指挥(副总经理)全面负责救援具体工作。4.1.2生产部经理负责事故应急处理时生产系统的开停车调度工作;负责事故现场的通讯联络和对外联系;协助副总指挥负责工程抢险、抢修任务的指挥,可以对公司内人员、资源配置、应急队伍进行调动。4.1.3安环部经理负责指挥事故的报警、情况通报、事故处理工作;负责指挥事故的现场及有关有害物扩散区的清洗、监测、检查工作,污染区处理直至无害。必要时代表指挥部对外发布有关信息;4.1.44.1.54.1.64.1.7义务消防队:负责因危险化学品事故造成的初期火灾灭火、现场救助。质保部经理:负责指挥事故的现场及有关有害物扩散区的监测、检查工作。财务部经理:负责事故抢险、抢救的财力保障工作;部门经理:负责组织本部门员工的安全撤离和紧急疏散工作,对人员进行清点,向指挥部报告部门员工伤亡、失踪等安全情况。 向指挥部报告本部门事故事态和应急救援处理进展情况。按指挥部命令,组织对本部门的抢险、抢修应急人员进行事故应急救援处理工作。4.1.8门卫:负责事故现场划定禁区的警戒指挥工作,维护治安保卫。负责对事故后公司内道路交通管制工作,协调人员紧急撤离的安全疏散工作。保证人员的安全撤离。55.1应急处置事故风险分析5.1.1目标:储罐、丙戊类罐区磷酸储罐、显影液储罐、丙二醇甲醚储罐、丙二醇甲醚醋酸酯储罐、N-甲基甲酰胺储罐,混配厂房5.1.2事故类型:泄漏、火灾、爆炸事故。5.1.3风险分析:表 1 应急目标分布及风险分析发生事故严重最大危险介质目标设施(个)(t)一般混配厂房甲乙类罐...

1、当您付费下载文档后,您只拥有了使用权限,并不意味着购买了版权,文档只能用于自身使用,不得用于其他商业用途(如 [转卖]进行直接盈利或[编辑后售卖]进行间接盈利)。
2、本站所有内容均由合作方或网友上传,本站不对文档的完整性、权威性及其观点立场正确性做任何保证或承诺!文档内容仅供研究参考,付费前请自行鉴别。
3、如文档内容存在违规,或者侵犯商业秘密、侵犯著作权等,请点击“违规举报”。

碎片内容

危险化学品泄漏事故专项应急救援预案

文库当当响+ 关注
实名认证
内容提供者

该用户很懒,什么也没介绍

确认删除?
VIP
微信客服
  • 扫码咨询
会员Q群
  • 会员专属群点击这里加入QQ群
客服邮箱
回到顶部