电脑桌面
添加小米粒文库到电脑桌面
安装后可以在桌面快捷访问

双相不锈钢的焊接工艺

双相不锈钢的焊接工艺_第1页
1/8
双相不锈钢的焊接工艺_第2页
2/8
双相不锈钢的焊接工艺_第3页
3/8
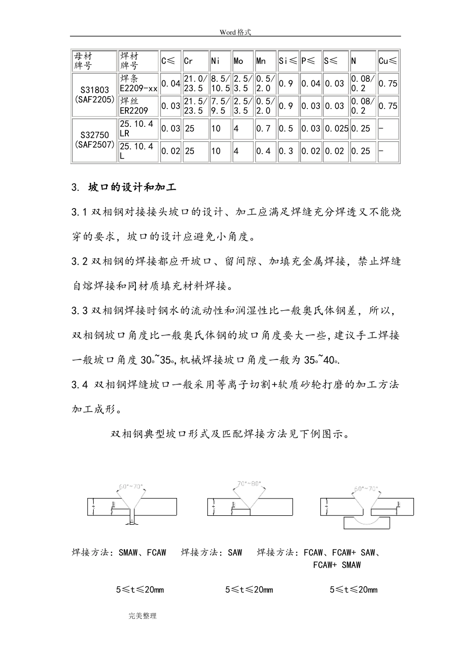
Word 格式双相不锈钢的焊接技术及工艺要求1. 双相不锈钢的特性1.1 双相钢亦称奥氏体—铁素体不锈钢,一般认为其铁素 40%~60%,其余奥氏体.1.2双相金属组织具有较高的强度和抗腐蚀能力。1.3 双相钢在整个焊接过程容易形成焊缝及热影响区的相位变化。1.4 双相钢物理性能:1.4.1 热传导性:碳钢—47; CrNi 钢—15;双相钢—141.4.2.热膨胀:碳钢—12; CrNi 钢—17:双相钢—131.5 双相钢中铁索体含量:1.5.1 F<25%:强度下降,抵抗应力腐蚀开裂能力下降。1.5.2 F>60—70%:降低抗点蚀能力及韧性,增强抗氢致延迟裂纹2. 焊接材料的选用2.1 为了确保焊缝焊后奥氏体—铁素体比例的平衡,双相钢的焊接通常选用铬镍含量比母材略高的双相填充金属。2.2 不得采用与母体金属成分一致的焊接材料焊接或母体材料自熔焊接,否则,会造成焊缝金属的双相不平衡,从而导致金属镍过量稀释、铁素体含量过高。2.3 需采用高一级的焊材,应用奥氏体元素(Ni, N)来超合金化。如母材为 2205 双相不锈钢的焊接材料一般选用焊材成分为“2309”的牌号。2.4 两种双相不锈钢同种钢焊接的焊丝与焊条见表:(仅供参考)完美整理Word 格式母材牌号焊材C≤CrNiMoMnSi≤ P≤S≤NCu≤牌号焊条21.0/ 8.5/ 2.5/ 0.5/ 0.90.04 0.03 0.08/ 0.750.04 23.510.5 3.52.00.2S31803E2209-xx(SAF2205) 焊丝21.5/ 7.5/ 2.5/ 0.5/ 0.90.03 0.03 0.08/ 0.750.03ER220923.59.53.52.00.225.10.40.03 251040.70.50.03 0.025 0.25-S32750LR(SAF2507) 25.10.40.02 251040.40.30.02 0.02 0.25-L3. 坡口的设计和加工3.1 双相钢对接接头坡口的设计、加工应满足焊缝充分焊透又不能烧穿的要求,坡口的设计应避免小角度。3.2 双相钢的焊接都应开坡口、留间隙、加填充金属焊接,禁止焊缝自熔焊接和同材质填充材料焊接。3.3 双相钢焊接时钢水的流动性和润湿性比一般奥氏体钢差,所以,双相钢坡口角度比一般奥氏体钢的坡口角度要大一些,建议手工焊接一般坡口角度 30o~35o,机械焊接坡口角度一般为 35o~40o.3.4 双相钢焊缝坡口一般采用等离子切割+软质砂轮打磨的加工方法加工成形。双相钢典型坡口形式及匹配焊接方法见下例图示。焊接方法:SMAW、FCAW焊接方法:SAW焊接方法:FCAW、FCAW+ SAW、 FCAW+ SMAW5≤t≤20mm 5≤t≤20mm 5≤t≤20mm完美整理Word 格式 A=2.0-2.5 mm B=4~6mm A=4-6 mmB=1.5-2.0mm B=1.5~2.0mm3.5 双相钢与 CCS 异种钢的对...

1、当您付费下载文档后,您只拥有了使用权限,并不意味着购买了版权,文档只能用于自身使用,不得用于其他商业用途(如 [转卖]进行直接盈利或[编辑后售卖]进行间接盈利)。
2、本站所有内容均由合作方或网友上传,本站不对文档的完整性、权威性及其观点立场正确性做任何保证或承诺!文档内容仅供研究参考,付费前请自行鉴别。
3、如文档内容存在违规,或者侵犯商业秘密、侵犯著作权等,请点击“违规举报”。

碎片内容

双相不锈钢的焊接工艺

您可能关注的文档

确认删除?
VIP
微信客服
  • 扫码咨询
会员Q群
  • 会员专属群点击这里加入QQ群
客服邮箱
回到顶部