电脑桌面
添加小米粒文库到电脑桌面
安装后可以在桌面快捷访问

发动机原理(同名9177)VIP免费

发动机原理(同名9177)_第1页
1/37
发动机原理(同名9177)_第2页
2/37
发动机原理(同名9177)_第3页
3/37
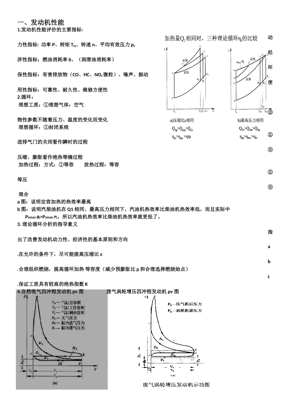
一、发动机性能1.发动机性能评价的主要指标:动力性指标:功率P、转矩Ttq、转速n、平均有效压力pe经济性指标:燃油消耗率b、(润滑油消耗率)环保性指标:有害排放物(CO、HC、NOx微粒)、噪声、振动使用性指标:可靠性、耐久性、维修方便性2.循环:理想工质:①理想气体:空气②物性参数不随着压力、温度的变化而变化理想循环:①封闭系统②进排气门的关闭看作瞬时的过程③压缩、膨胀看作绝热等熵过程加热过程:方式:①等容放热过程:等容②等压③混合a图:说明定容加热的热效率最高b图:说明汽柴油机在Q1相同、最高压力相同下,汽油机热效率比柴油机热效率低,而且实际中Pzmax柴>Pzmax汽,所以汽油机热效率比柴油机热效率就更低了。3.理论循环分析的指导意义指出了改善发动机动力性、经济性的基本原则和方向a.在允许的条件下,尽可能提高压缩比εb.合理组织燃烧,提高循环加热等容度(减少预膨胀比ρ和合理选择燃烧始点)c.保证工质具有较高的绝热指数K4.自然吸气四冲程发动机pv图废气涡轮增压四冲程发动机pv图5.指示指标)指示功2)平均指示压力(MPa)pmi=Wi/Vs3)平均指示功率(kw)Pi=pmiVsin/30τ4)指示热效率ηi=Wi/Q1=3.6/bihμ5)指示燃料消耗率(g/(kw·h))bi=B/Pi(单位指示功的耗油量)B—每小时耗油量(kg/h)6.有效指标:动力性指标:(1)有效功率(kJ)Pe(曲轴输出功)=Pi-Pm(2)平均有效压力(MPa)pme=We/Vs(3)有效功率(kw)Pe=pmeVsin/30τ(4)有效扭矩(N.m)Pe=2πnTtq/60*1000=Ttqn/9550(5)转速n(转/min)和活塞平均速度Cm(m/s)Cm=Sn/30经济性指标(6)有效热效率ηe=We/Q1=3.6/behμ(7)有效燃料消耗率(g/(kw·h))be=B/Pe发动机的强化指标(1)升功率PL(kw.L)和比质量me(kg/kw)PL=Pe/Vsi=pmeVsin/30Vsiτ=pmen/30τme=m/Pem—发动机的干质量,不含冷却水和润滑油的发动机质量(2)强化系数pmeCmpmeCm越高,发动机的热负荷和机械负荷越大,发动机的发展趋势.机械损失:1)组成与份额:m(机械损失功)部运动零件的摩擦损失a.发动机内部运动零件的摩擦损失(占Pm的62~75%)塞组件与缸壁的摩擦(15~20%)b.驱动附件的损失(占Pm的10~20%)c.水泵、水箱风扇、机油泵、柴油机喷油泵、空调、转向助力泵等气损失(占(2)测量方法:a.示功图法.倒拖法:发动机按测试工况运行到正常稳定状态差:(a)无燃烧,缸内压力低,活塞与缸套间隙加大;润滑油粘度加大,摩擦损失增加(b)缸内工质温度低,工质密度大,排气压力加大,泵气损失增加。(汽油机压缩比小,所以误差小,柴油机则误差较大。)c.灭缸法:用于多缸机设N缸发动机正常运转时,测出有效功率误差:灭缸后进排气波动效应会影响各缸进气的均匀性,从而引起额外的测试误差。.油耗线法:转速不变,测出整机油耗随负荷的变化曲线。将此线外延到与横坐标交的小结:1)汽油机多用倒拖法,不适合用灭缸法和油耗线法(不成直线))小型柴油机适合灭缸法、反拖法,自然吸气柴油机多在生产、调试中使用油耗线法,作为产品质量监控的手段。)废气涡轮增压柴油机无法使用倒拖法和灭缸法,因为这两种方法都破坏了增压系统的正常工作。低增压可以用油耗线法。高增压机型,除示功图法外,尚无更好的方法。(3)影响因素:a.转速b.负荷.润滑条件及冷却水温度:油选用原则:量选用粘度系数小的润滑油,以减少摩擦损失,改善起动性能。③强化系数高,轴承负荷大时,用粘度较大的润滑油;④转速高,配合间隙小时,用粘度较小的润滑油。冷却水温度影响燃烧过程和传热损失,也与润滑油的用油温度有关,也就关系到摩擦损失的大小,提高水温,对性能有益,但受水的沸点的限制,水温在80~95℃正常机油温度在85~110℃,高品质油可允许在更高温度下工作二、发动机的换气过程换气过程的目的:•最大限度地吸入新鲜充量•最小的换气损失•各缸进气的均匀性•在缸内形成合理的流场,以控制混合气的形成和燃烧1.四行程发动机的换气过程1)换气过程包括从排气门开启到进气门关闭的整个时期,约占曲轴转角410~480°。换气系统:进气系统+燃烧室+排气系统;α—进气提前角0〜40ºβ—进气迟闭角20〜60ºγ—排气提前角30〜80ºδ—排气迟闭角10〜35º自然吸气...

1、当您付费下载文档后,您只拥有了使用权限,并不意味着购买了版权,文档只能用于自身使用,不得用于其他商业用途(如 [转卖]进行直接盈利或[编辑后售卖]进行间接盈利)。
2、本站所有内容均由合作方或网友上传,本站不对文档的完整性、权威性及其观点立场正确性做任何保证或承诺!文档内容仅供研究参考,付费前请自行鉴别。
3、如文档内容存在违规,或者侵犯商业秘密、侵犯著作权等,请点击“违规举报”。

碎片内容

发动机原理(同名9177)

您可能关注的文档

确认删除?
VIP
微信客服
  • 扫码咨询
会员Q群
  • 会员专属群点击这里加入QQ群
客服邮箱
回到顶部