电脑桌面
添加小米粒文库到电脑桌面
安装后可以在桌面快捷访问

变频器驱动电路常用的几种驱动ICVIP免费

变频器驱动电路常用的几种驱动IC_第1页
1/6
变频器驱动电路常用的几种驱动IC_第2页
2/6
变频器驱动电路常用的几种驱动IC_第3页
3/6
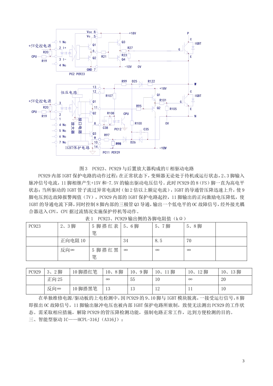
变频器驱动电路常用的几种驱动IC变频器驱动电路中常用IC,共有为数不多的几种。可以设想一下,变频器电路的通用电路,必定是主电路(包括三相整流电路和三相逆变电路)和驱动电路,即便是型号的功率级别不同的变频器,驱动电路却往往采用了同一型号的驱动IC,甚至于驱动电路的结构和布局,是非常类似的和接近的。早期的和小功率的变频器机种,经常采用TLP250、A3120(HCPL3120)驱动IC,内部电路简单,不含IGBT保护电路;以后被大量广泛采用的是PC923、PC929的组合驱动电路,往往上三臂IGBT采用PC923驱动,而下三臂IGBT则采用PC929驱动。PC929内含IGBT检测保护电路等;智能化程度比较高的专用驱动芯片A316J,也在大量机型中被采用。通过熟悉驱动IC的引脚功能和掌握相关的检测方法,达到对驱动电路进行故障判断与检测的能力,以及能对不同型号的驱动IC应急进行代换与修复。一、TLP250和HCPL3120驱动IC:Nc18VccIF+2Nc4IF-37Vo6Vo5GNDNc18VccIF+2Nc4IF-37Vo6Vo5GNDNc18VccIF+2Nc4IF-37Vo6Nc5GNDV1V2V1V2V1V2TLP250HCPL3120/J312HCNW3120图1三种驱动IC的功能电路图TLP250:输入IF电流阀值5mA,电源电压10∽35V,输出电流±0.5A,隔离电压2500V,开通/关断时间(tPLH/tPHL)0.5μs。可直接驱动50A1200V的IGBT模块,在小功率变频器驱动电路中,和早期变频器产品中被普遍采用。HCNW3120(A3120):与HCPL3120、HCPLJ312内部电路结构相同,只是因选材和工艺的不同,后者的电隔离能力低于前者。输入IF电流阀值2.5mA,电源电压15∽30V,输出电流±2A,隔离电压1414V,可直接驱动150A/1200V的IGBT模块。三种驱动IC的引脚功能基本一致,小功率机型中可用TLP250直接代换另两种HCNW3120和HCPL3120,大多数情况下TLP350、HCNW3120可以互换,虽然它们的个别参数和内部电路有所差异,如TPL250的电流输出能力较低,但在变频器中功率机型中,驱动IC往往有后置放大器,对驱动IC的电流输出能力就不是太挑剔了。驱动IC实质上都为光耦合器件,具有优良的电气隔离特性。输入侧内部电路为一只发光二极管,有明显的正、反向电阻特性。用指针式万用表×1k档测量,2、3脚正向电阻约为100kΩ左右,反向电阻无穷大;用×10k档测量,正向电阻约为25kΩ左右,反向电阻也为无穷大。当然2、3脚与输出侧各引脚电阻,都是无穷大的。5、6脚和5、8脚之间,均有鲜明的正、反向电阻,当5脚搭红表笔时,有10kΩ/30kΩ的电阻值,5脚接黑表笔时,电阻值接近于无穷大。因选材、工艺和封装型式的不同和测量仪表的选型不同,得出的测量数值会有一定的差异。TLP250的输出电路采用互补式电压跟随器输出电路,V1、V2均为双极型器件三极管。而HCPL3120的输出电路V2采用了DMOS三极管,两种芯片的输出侧电阻值有所差异。在上电检测中,从驱动IC的电路结构中可得出如下结论:当2、3脚输入电流通路接通时,TPL250内部V1导通,6、7脚则与8脚电压相近或相等;当2、3脚输入电流为零时,TLP250内部V2导通,6、7脚则与5脚电位相近或相等。这即是对TLP250好坏进行判断的依据。TLP250在线测量:因机型不同,外围电路的数值不尽相同,所以测量得出的在线电阻值的参考意义不大。在供电状态下,可方便测出TLP250的好坏情况。驱动电路的带电检测,须在单独检修驱动电路的情况下或已将逆变功率1电路的供电切除的情况下进行!严禁在整机运行状态下,直接下笔测量驱动电路——由表笔引入的干扰信号会误触通IBGT,造成严重损坏!在脱开逆变电路或切断逆变电路供电的情况下,和CPU主板能输出正常六路驱动脉冲的情况下,可以在线检测驱动IC的工作状态。在变频器的控制线路处于停机状态时,测量2、3脚电压应为0V,测量5、6脚电压应为OV;操作变频器的操作显示面板,使之处于启动运行状态,测量2、3脚应有0.6V左右的正向电压值,此时测量5、6脚之间应有2--4V左右的电压输出。说明TLP250是好的。2、3脚输入电压有变化,但输出脚无电压变化,或输出脚一直保持一个固定不变的高电平或低电平,说明TLP250损坏。当然,也可用外加电源串联限流电阻提供TLP250的输入电流,检测输出脚的电压变化,来检测判断TLP250的好坏。上述检测方法同样适用于HCNW3120等的检测。二...

1、当您付费下载文档后,您只拥有了使用权限,并不意味着购买了版权,文档只能用于自身使用,不得用于其他商业用途(如 [转卖]进行直接盈利或[编辑后售卖]进行间接盈利)。
2、本站所有内容均由合作方或网友上传,本站不对文档的完整性、权威性及其观点立场正确性做任何保证或承诺!文档内容仅供研究参考,付费前请自行鉴别。
3、如文档内容存在违规,或者侵犯商业秘密、侵犯著作权等,请点击“违规举报”。

碎片内容

变频器驱动电路常用的几种驱动IC

文章天下+ 关注
实名认证
内容提供者

各种文档应有尽有

相关文档

确认删除?
VIP
微信客服
  • 扫码咨询
会员Q群
  • 会员专属群点击这里加入QQ群
客服邮箱
回到顶部