电脑桌面
添加小米粒文库到电脑桌面
安装后可以在桌面快捷访问

古建筑全套检验批使用

古建筑全套检验批使用_第1页
1/28
古建筑全套检验批使用_第2页
2/28
古建筑全套检验批使用_第3页
3/28
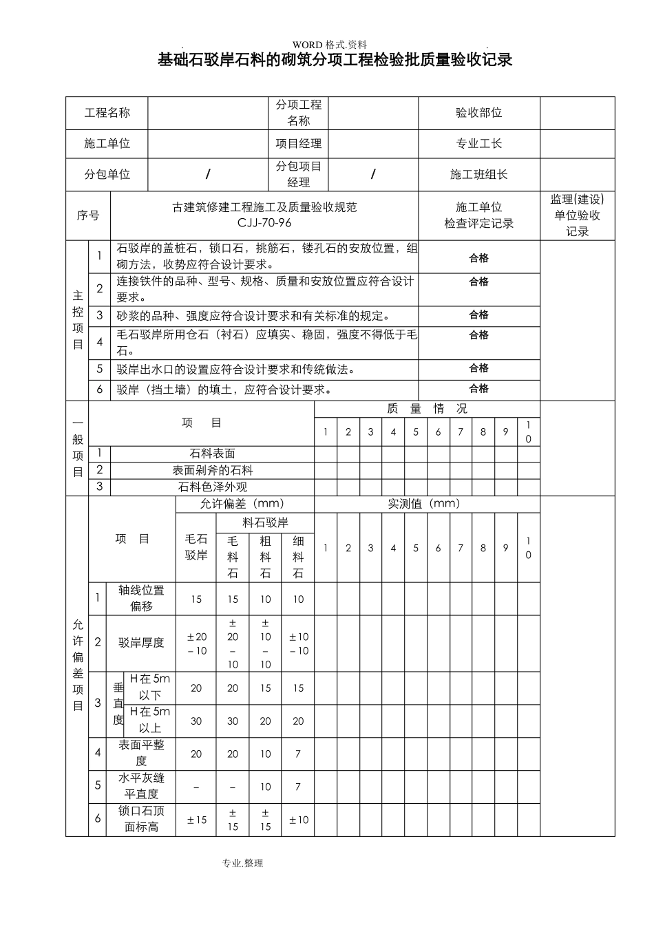
.WORD 格式.资料.基础石驳岸石料的砌筑分项工程检验批质量验收记录工程名称施工单位分包单位序号1分项工程名称项目经理分包项目经理验收部位专业工长施工班组长施工单位检查评定记录合格合格合格合格合格合格//古建筑修建工程施工及质量验收规范CJJ-70-96监理(建设)单位验收记录主控3砂浆的品种、强度应符合设计要求和有关标准的规定。项毛石驳岸所用仓石(衬石)应填实、稳固,强度不得低于毛目4石。5驳岸出水口的设置应符合设计要求和传统做法。6驳岸(挡土墙)的填土,应符合设计要求。一般项1目23项目石料表面表面剁斧的石料石料色泽外观允许偏差(mm)料石驳岸项目毛石驳岸毛料石15±20-10203020-±151234石驳岸的盖桩石,锁口石,挑筋石,镂孔石的安放位置,组砌方法,收势应符合设计要求。连接铁件的品种、型号、规格、质量和安放位置应符合设计2要求。质量情况5678910实测值(mm)10粗料石10±10-1015201010±15细料石101234567891轴线位置偏移15允许2驳岸厚度偏差H在5m垂项以下3直目H在5m度以上表面平整4度水平灰缝5平直度锁口石顶6面标高±20-10±10-10203020-±15152077±10专业.整理.WORD 格式.资料.主控项目和一般项目经检查均满足图纸设计和现行国家标准CJJ70-96的要求,评定合格项目专业质量检查员:年月日主控项目和一般项目经检查均满足图纸设计和现行国家标准CJJ70-96的要求,评定合格监理(建设)单位验收结论监理工程师(建设单位项目专业技术负责人):年月日施工单位检查评定结果基础砖砌体工程检验批质量验收记录工程名称施工单位分项工程名称验收部位项目经理监理(建设)单位验收记录施工执行标准名称及编号质 量 验 收 规 范 的 规 定检查项目1砖强度等级2砂浆强度等级主3斜槎留置4砂浆饱满度控项5轴线位移目6垂直度(每层)质量要求设计要求设计要求月白灰5.2.3 条≥80%≤10mm≤5mm5.3.1 条古建筑修建工程施工及质量验收规范CJJ-70-96施工单位自检记录合格合格合格1组砌方法符合要求一2水 平 灰 缝 厚 度 8—12mm(8~12mm)般顶(楼)面标高315mm(15mm)项表面平整度8mm4(8mm)目5水平灰缝平直度(10mm)10mm施工单位检查结 果 评 定主控项目、一般项目均符合要求,评价合格项目专业质量检查员:年月日专业.整理.WORD 格式.资料.监理(建设)单位验收结论专业监理工程师:年月日基础石砌体工程检验批质量验收记录表(条石砌体)验收部位项目经理古建筑修建工程质量检验评定标准(CJJ70—96...

1、当您付费下载文档后,您只拥有了使用权限,并不意味着购买了版权,文档只能用于自身使用,不得用于其他商业用途(如 [转卖]进行直接盈利或[编辑后售卖]进行间接盈利)。
2、本站所有内容均由合作方或网友上传,本站不对文档的完整性、权威性及其观点立场正确性做任何保证或承诺!文档内容仅供研究参考,付费前请自行鉴别。
3、如文档内容存在违规,或者侵犯商业秘密、侵犯著作权等,请点击“违规举报”。

碎片内容

古建筑全套检验批使用

您可能关注的文档

确认删除?
VIP
微信客服
  • 扫码咨询
会员Q群
  • 会员专属群点击这里加入QQ群
客服邮箱
回到顶部