电脑桌面
添加小米粒文库到电脑桌面
安装后可以在桌面快捷访问

古建筑琉璃瓦坡屋面施工工法

古建筑琉璃瓦坡屋面施工工法_第1页
1/10
古建筑琉璃瓦坡屋面施工工法_第2页
2/10
古建筑琉璃瓦坡屋面施工工法_第3页
3/10
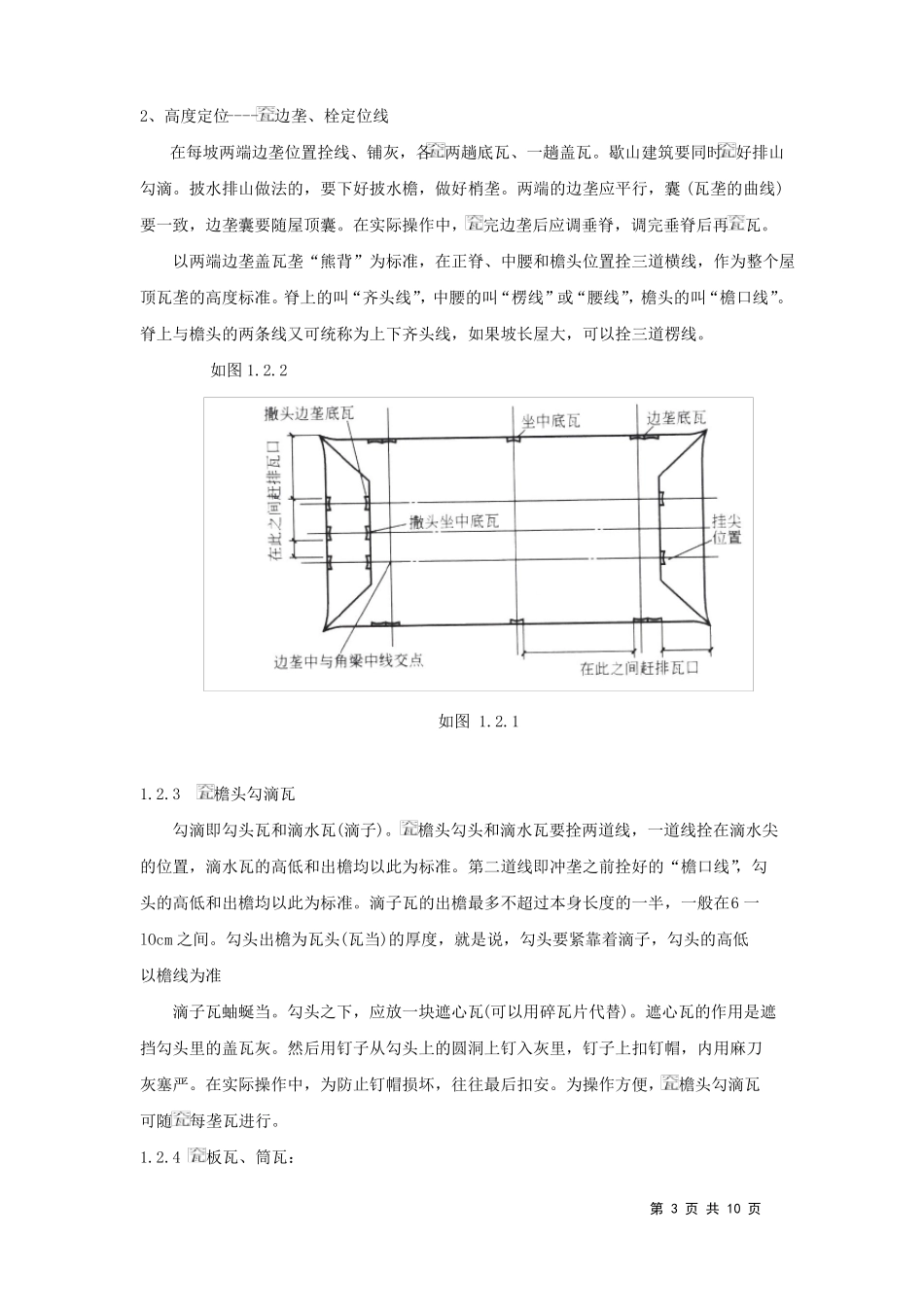
古建筑坡屋面瓦施工技术交底本工程屋面坡度为30 -60 仿古建筑坡屋面。00本工艺强调施工放样(分中、排瓦当、号垄)能有效地控制瓦件线条顺直,使得整个建筑整齐美观。本工程采用水泥混合砂浆作为卧瓦层。30°以下坡屋面直接采用水泥:砂:粘土膏=1:6.83:0.659 水泥混合砂浆卧瓦;30°以上坡屋面在基层施工时预埋铜丝挂瓦条与瓦件绑扎,然后再用水泥混合砂浆卧瓦。1: 工艺流程及操作要点1.1 工艺流程平面定位—分中、号垄、排瓦当捉节夹垄屋面清理、清洗第 1 页 共 10 页施工准备审瓦瓦垄定位高度定位--琉璃瓦边垄、栓定位线屋面结构层验收验收与清理冲垄檐头勾滴瓦底瓦盖瓦清垄擦瓦勾缝1.2操作要点:1.2.1 施工准备1基层验收1) 组织对上一道工序的验收,清除砼基层表面的残留隔离剂、砂浆和灰尘等,并对屋面凸出部位和蜂窝等进行处理。2) 对 30°以上坡屋面采用预埋铜丝挂瓦条,在基层施工应注意检查,确保铜丝挂瓦条在间距、位置、数量能满足要求。2安排专人对瓦件进行挑选。1)采取手敲、听声,尺量、分类堆放等手段对琉璃瓦色泽进行选择和外行尺寸分类。对于不合格的一律剔除。同一坡面选择同一色泽瓦,不能掺合使用,以达到整体色泽相协调。2)提前四小时将瓦用清水浸泡,贴前取出凉干,瓦面无水渍方可使用。1.2.2 瓦垄定位 1、平面定位----分中、号垄、排瓦当(以歇山屋顶为例)(1)歇山前后坡分中号垄 1)在屋脊部位找出屋顶正中点,此点即为坐中底瓦的中点。 2)两端从博缝外皮往里返,找出两个瓦口的位置和第二块瓦口的中点,这个中点就是边垄底瓦中。 3)将上述三个中点号在脊部灰背上。 4)将这三个中点平移到檐头连檐上并钉好五个瓦口。 5)在钉好的瓦口间赶排瓦当(图 1.2.1)。(2)撒头分中号垄方法: 1)量出前后坡檐头边垄中点至翼角转角处的距离,按照同样的距离,向撒头量出撒头部位边垄中。 2)撒头正中即为撒头坐中底瓦中。 3)按照这三个中,钉好三个瓦口。 4)在这三个瓦口之间赶排瓦当。 5)将各垄盖瓦中平移到上端小红山附近,并在灰背上号出标记。翼角部分同庑殿翼角作法。翼角不分中,在前后坡和撒头钉好的瓦口连檐合角处之间赶排瓦当。应注意前后坡与撒头相交处的两个瓦口应比其他瓦口短2/10~3/10,否则勾头就压不住割角滴子瓦当瓦翅。第 2 页 共 10 页2、高度定位----边垄、栓定位线两趟底瓦、一趟盖瓦。歇山建筑要同时 好排山在每坡两端边垄位置拴线、铺灰,各勾滴。披水排山做法的,要下...

1、当您付费下载文档后,您只拥有了使用权限,并不意味着购买了版权,文档只能用于自身使用,不得用于其他商业用途(如 [转卖]进行直接盈利或[编辑后售卖]进行间接盈利)。
2、本站所有内容均由合作方或网友上传,本站不对文档的完整性、权威性及其观点立场正确性做任何保证或承诺!文档内容仅供研究参考,付费前请自行鉴别。
3、如文档内容存在违规,或者侵犯商业秘密、侵犯著作权等,请点击“违规举报”。

碎片内容

古建筑琉璃瓦坡屋面施工工法

您可能关注的文档

确认删除?
VIP
微信客服
  • 扫码咨询
会员Q群
  • 会员专属群点击这里加入QQ群
客服邮箱
回到顶部