电脑桌面
添加小米粒文库到电脑桌面
安装后可以在桌面快捷访问

变频器与软启动基本知识问答VIP免费

变频器与软启动基本知识问答_第1页
1/5
变频器与软启动基本知识问答_第2页
2/5
变频器与软启动基本知识问答_第3页
3/5
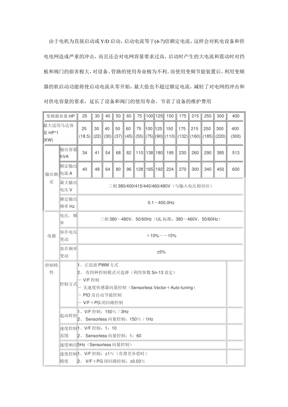
变频器与软启动基本知识问答1、什么是变频器?变频器是利用电力半导体器件的通断作用将工频电源变换为另一频率的电能控制装置。2、为什么变频器的电压与电流成比例的改变?异步电动机的转矩是电机的磁通与转子内流过电流之间相互作用而产生的,在额定频率下,如果电压一定而只降低频率,那么磁通就过大,磁回路饱和,严重时将烧毁电机。因此,频率与电压要成比例地改变,即改变频率的同时控制变频器输出电压,使电动机的磁通保持一定,避免弱磁和磁饱和现象的产生。这种控制方式多用于风机、泵类节能型变频器。3、失速防止功能是什么意思?如果给定的加速时间过短,变频器的输出频率变化远远超过转速(电角频率)的变化,变频器将因流过过电流而跳闸,运转停止,这就叫作失速。为了防止失速使电机继续运转,就要检出电流的大小进行频率控制。当加速电流过大时适当放慢加速速率。减速时也是如此。两者结合起来就是失速功能。4、有加速时间与减速时间可以分别给定的机种,和加减速时间共同给定的机种,这有什么意义?加减速可以分别给定的机种,对于短时间加速、缓慢减速场合,或者对于小型机床需要严格给定生产节拍时间的场合是适宜的,但对于风机传动等场合,加减速时间都较长,加速时间和减速时间可以共同给定5、什么是变频分辨率?有什么意义?对于数字控制的变频器,即使频率指令为模拟信号,输出频率也是有级给定。这个级差的最小单位就称为变频分辨率。变频分辨率通常取值为0.015~0.5Hz.例如,分辨率为0.5Hz,那么23Hz的上面可变为23.5、24.0Hz,因此电机的动作也是有级的跟随。这样对于像连续卷取控制的用途就造成问题。在这种情况下,如果分辨率为0.015Hz左右,对于4级电机1个级差为1r/min以下,也可充分适应。另外,有的机种给定分辨率与输出分辨率不相同。6、变频器的寿命有多久?变频器虽为静止装置,但也有像滤波电容器、冷却风扇那样的消耗器件,如果对它们进行定期的维护,可望有10年以上的寿命。7、变频调速节能装置的节能原理变频节能由流体力学可知,P(功率)=Q(流量)╳H(压力),流量Q与转速N的一次方成正比,压力H与转速N的平方成正比,功率P与转速N的立方成正比,如果水泵的效率一定,当要求调节流量下降时,转速N可成比例的下降,而此时轴输出功率P成立方关系下降。即水泵电机的耗电功率与转速近似成立方比的关系。例如:一台水泵电机功率为55KW,当转速下降到原转速的4/5时,其耗电量为28.16KW,省电48.8%,当转速下降到原转速的1/2时,其耗电量为6.875KW,省电87.5%.功率因数补偿节能无功功率不但增加线损和设备的发热,更主要的是功率因数的降低导致电网有功功率的降低,大量的无功电能消耗在线路当中,设备使用效率低下,浪费严重,由公式P=S╳COSФ,Q=S╳SINФ,其中S-视在功率,P-有功功率,Q-无功功率,COSФ-功率因数,可知COSФ越大,有功功率P越大,普通水泵电机的功率因数在0.6-0.7之间,使用变频调速装置后,由于变频器内部滤波电容的作用,COSФ≈1,从而减少了无功损耗,增加了电网的有功功率。软启动节能由于电机为直接启动或Y/D启动,启动电流等于(4-7)倍额定电流,这样会对机电设备和供电电网造成严重的冲击,而且还会对电网容量要求过高,启动时产生的大电流和震动时对挡板和阀门的损害极大,对设备、管路的使用寿命极为不利。而使用变频节能装置后,利用变频器的软启动功能将使启动电流从零开始,最大值也不超过额定电流,减轻了对电网的冲击和对供电容量的要求,延长了设备和阀门的使用寿命。节省了设备的维护费用变频器容量HP253040506075100125150175215250300400最大适用马达容量HP*1(KW)25(18.5)30(22)40(30)50(37)60(45)75(55)100(75)125(90)150(110)175(132)215(160)250(185)300(220)400(300)输出额定输出容量KVA3441546882110138180195230260290385513额定输出电流A4048648096128165192224270300340450600最大输出电压V三相380/400/415/440/460/480V(与输入电压相对应)额定输出频率Hz0.1~400.0Hz电源电压.频率三相380~480V,50/60Hz(UL标准:380~460V,50/60Hz)容许电压变动+10%~-15%容许频率变动±5%控制特...

1、当您付费下载文档后,您只拥有了使用权限,并不意味着购买了版权,文档只能用于自身使用,不得用于其他商业用途(如 [转卖]进行直接盈利或[编辑后售卖]进行间接盈利)。
2、本站所有内容均由合作方或网友上传,本站不对文档的完整性、权威性及其观点立场正确性做任何保证或承诺!文档内容仅供研究参考,付费前请自行鉴别。
3、如文档内容存在违规,或者侵犯商业秘密、侵犯著作权等,请点击“违规举报”。

碎片内容

变频器与软启动基本知识问答

您可能关注的文档

文章天下+ 关注
实名认证
内容提供者

各种文档应有尽有

确认删除?
VIP
微信客服
  • 扫码咨询
会员Q群
  • 会员专属群点击这里加入QQ群
客服邮箱
回到顶部