电脑桌面
添加小米粒文库到电脑桌面
安装后可以在桌面快捷访问

厨房、卫生间饰面砖粘贴工程检验批质量验收记录VIP免费

厨房、卫生间饰面砖粘贴工程检验批质量验收记录_第1页
1/14
厨房、卫生间饰面砖粘贴工程检验批质量验收记录_第2页
2/14
厨房、卫生间饰面砖粘贴工程检验批质量验收记录_第3页
3/14
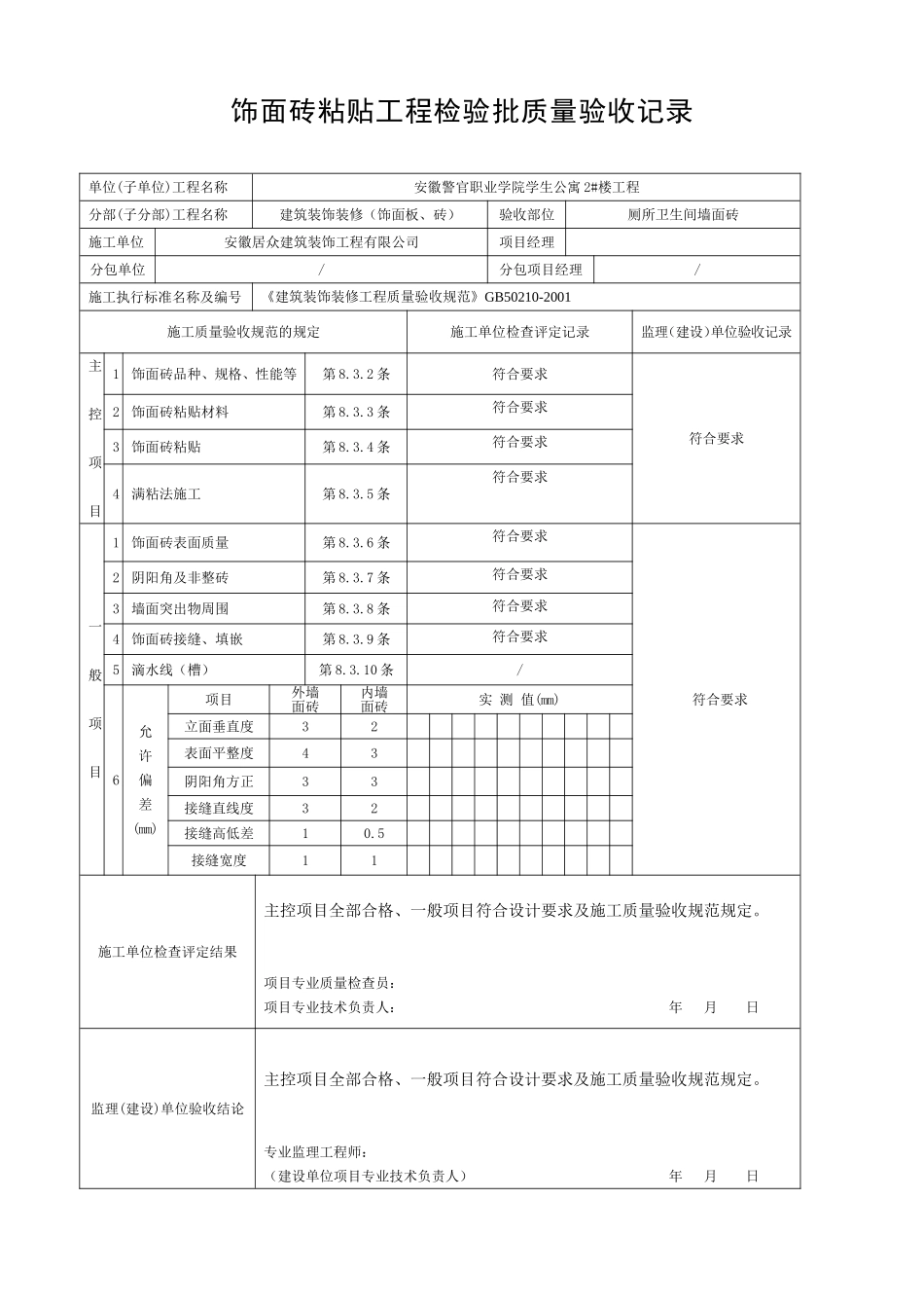
隐蔽资料报验申请表工程名称:安徽警官职业学院学生公寓1、2#楼加固工程编号:致:安徽省天通工程建设监理有限责任公司(监理单位)我单位已完成了图片资料收集隐蔽工程报验申请表,请予以审查和验收。附件:1、隐蔽工程图片承包单位(章)项目经理:日期:审查意见:符合要求项目监理机构(章)总/专业监理工程师日期饰面砖粘贴工程检验批质量验收记录单位(子单位)工程名称安徽警官职业学院学生公寓2#楼工程分部(子分部)工程名称建筑装饰装修(饰面板、砖)验收部位厕所卫生间墙面砖施工单位安徽居众建筑装饰工程有限公司项目经理分包单位/分包项目经理/施工执行标准名称及编号《建筑装饰装修工程质量验收规范》GB50210-2001施工质量验收规范的规定施工单位检查评定记录监理(建设)单位验收记录主控项目1饰面砖品种、规格、性能等第8.3.2条符合要求符合要求2饰面砖粘贴材料第8.3.3条符合要求3饰面砖粘贴第8.3.4条符合要求4满粘法施工第8.3.5条符合要求一般项目1饰面砖表面质量第8.3.6条符合要求符合要求2阴阳角及非整砖第8.3.7条符合要求3墙面突出物周围第8.3.8条符合要求4饰面砖接缝、填嵌第8.3.9条符合要求5滴水线(槽)第8.3.10条/6允许偏差(mm)项目外墙面砖内墙面砖实测值(mm)立面垂直度32表面平整度43阴阳角方正33接缝直线度32接缝高低差10.5接缝宽度11施工单位检查评定结果主控项目全部合格、一般项目符合设计要求及施工质量验收规范规定。项目专业质量检查员:项目专业技术负责人:年月日监理(建设)单位验收结论主控项目全部合格、一般项目符合设计要求及施工质量验收规范规定。专业监理工程师:(建设单位项目专业技术负责人)年月日墙面砖粘贴工程报验申请表工程名称:南安市梅山镇镇区廉租房工程编号:致:厦门协建工程咨询监理有限公司(监理单位)我单位已完成了一层卫生间、厨房墙面砖粘贴工程报验申请表,请予以审查和验收。附件:1、饰面砖粘贴工程检验批质量验收记录承包单位(章)项目经理:日期:2010.04.23审查意见:项目监理机构(章)总/专业监理工程师日期饰面砖粘贴工程检验批质量验收记录030602□□单位(子单位)工程名称南安市梅山镇镇区廉租房工程分部(子分部)工程名称建筑装饰装修(饰面板、砖)验收部位一层卫生间、厨房墙面砖施工单位泉州市协胜工程建设有限公司项目经理分包单位/分包项目经理/施工执行标准名称及编号《建筑装饰装修工程质量验收规范》GB50210-2001施工质量验收规范的规定施工单位检查评定记录监理(建设)单位验收记录主控项目1饰面砖品种、规格、性能等第8.3.2条√2饰面砖粘贴材料第8.3.3条√3饰面砖粘贴第8.3.4条√4满粘法施工第8.3.5条√一般项目1饰面砖表面质量第8.3.6条√2阴阳角及非整砖第8.3.7条√3墙面突出物周围第8.3.8条√4饰面砖接缝、填嵌第8.3.9条√5滴水线(槽)第8.3.10条/6允许偏差(mm)项目外墙面砖内墙面砖实测值(mm)立面垂直度32表面平整度43阴阳角方正33接缝直线度32接缝高低差10.5接缝宽度11施工单位检查评定结果专业工长(施工员)施工班组长主控项目全部合格、一般项目符合设计要求及施工质量验收规范规定。项目专业质量检查员:2010年04月23日监理(建设)单位验收结论专业监理工程师:(建设单位项目专业技术负责人)年月日墙面砖粘贴工程报验申请表工程名称:南安市梅山镇镇区廉租房工程编号:致:厦门协建工程咨询监理有限公司(监理单位)我单位已完成了二层卫生间、厨房墙面砖粘贴工程报验申请表,请予以审查和验收。附件:1、饰面砖粘贴工程检验批质量验收记录承包单位(章)项目经理:日期:2010.04.22审查意见:项目监理机构(章)总/专业监理工程师日期饰面砖粘贴工程检验批质量验收记录030602□□单位(子单位)工程名称南安市梅山镇镇区廉租房工程分部(子分部)工程名称建筑装饰装修(饰面板、砖)验收部位二层卫生间、厨房墙面砖施工单位泉州市协胜工程建设有限公司项目经理分包单位/分包项目经理/施工执行标准名称及编号《建筑装饰装修工程质量验收规范》GB50210-2001施工质量验收规范的规定施工单位检查评定记录监理(建设)单位验收记录主控项目1饰面砖品种、规格、性能等第8.3.2条√2饰面砖粘贴材料第8.3.3...

1、当您付费下载文档后,您只拥有了使用权限,并不意味着购买了版权,文档只能用于自身使用,不得用于其他商业用途(如 [转卖]进行直接盈利或[编辑后售卖]进行间接盈利)。
2、本站所有内容均由合作方或网友上传,本站不对文档的完整性、权威性及其观点立场正确性做任何保证或承诺!文档内容仅供研究参考,付费前请自行鉴别。
3、如文档内容存在违规,或者侵犯商业秘密、侵犯著作权等,请点击“违规举报”。

碎片内容

厨房、卫生间饰面砖粘贴工程检验批质量验收记录

您可能关注的文档

确认删除?
VIP
微信客服
  • 扫码咨询
会员Q群
  • 会员专属群点击这里加入QQ群
客服邮箱
回到顶部