电脑桌面
添加小米粒文库到电脑桌面
安装后可以在桌面快捷访问

第九章模拟量输入模块

第九章模拟量输入模块_第1页
1/18
第九章模拟量输入模块_第2页
2/18
第九章模拟量输入模块_第3页
3/18
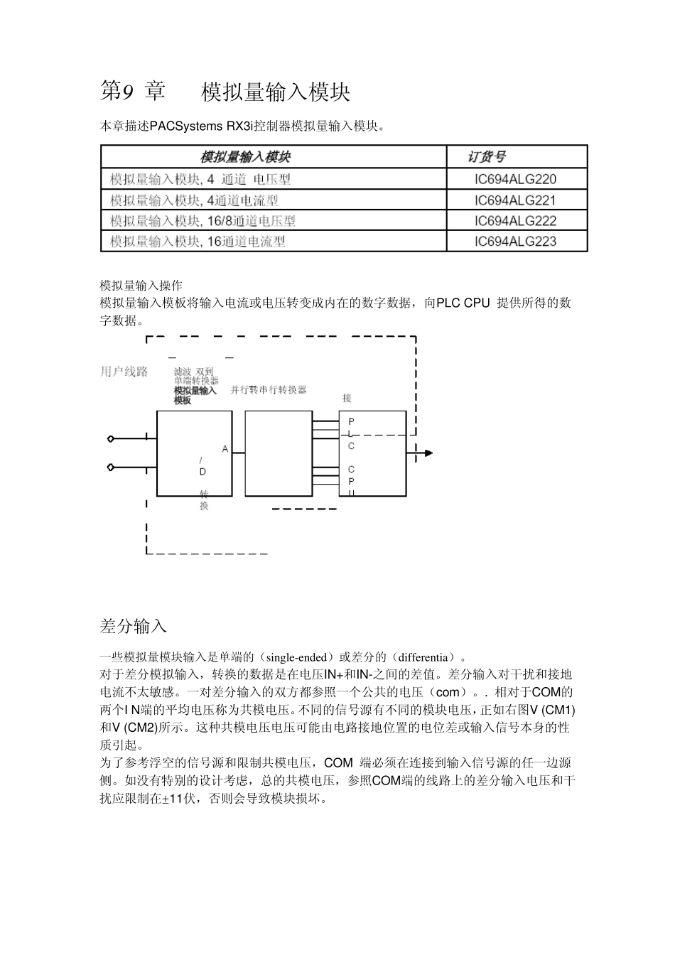
第9 章 模拟量输入模块 本章描述PACSy stems RX3i控制器模拟量输入模块。 模拟量输入操作 模拟量输入模板将输入电流或电压转变成内在的数字数据,向PLC CPU 提供所得的数字数据。 差分输入 一些模拟量模块输入是单端的(single-ended)或差分的(differentia)。 对于差分模拟输入,转换的数据是在电压IN+和IN-之间的差值。差分输入对干扰和接地电流不太敏感。一对差分输入的双方都参照一个公共的电压(com)。. 相对于COM的两个I N端的平均电压称为共模电压。不同的信号源有不同的模块电压,正如右图V (CM1) 和V (CM2)所示。这种共模电压电压可能由电路接地位置的电位差或输入信号本身的性质引起。 为了参考浮空的信号源和限制共模电压,COM 端必须在连接到输入信号源的任一边源侧。如没有特别的设计考虑,总的共模电压,参照COM端的线路上的差分输入电压和干扰应限制在±11伏,否则会导致模块损坏。 模拟量输入模板, 4 通道,差分电压: IC694AL G220 4 通道电压型模拟量输入模块, IC694ALG220, 提供四个模拟量输入通道。该模块接受的输入范围为-10~+10V电压。通过在输入跳线,单独的通道可以用于4~20m A的电流输入。 四个输入通道的每个通道转换速度是1毫秒。这提供了任意通道的更新速度是4毫秒。 这种模块可以安装到RX3i 系统中的任意I/O插槽。 隔离的+24 VDC 电源 如果这种模块装在RX3i 通用背板上,模块需要一个隔离的+24VDC的外部电源供电。外部电源必须连接到背板左边的TB1 连接器。 如果模块装在扩展背板上,背板电源为模块提供隔离的+24 VDC的输出电压。 发光二极管LEDs 当模块的电源正在工作时Mo du le OK LED 是亮着的。 技术规格: ALG220 两个输入必须在COM的± 11伏特之间,包含输入上存在的任何干扰。 在存在严重的RF (无线电)干扰(IEC 801–3, 10V/m)时,精确度可能会下降到+/-100 mV/400µA 。 数据格式: ALG220 模块数据以16位的二进制补码形式存储在PLC CPU 中,如下所示: 缩放比例和分辨率 模块按比例缩放输入数据,–10 V 对应于–32000,+10 V 对应于+32000。每位的分辨率是5mv或着20mA。 对于这种模块来说4 到20 mA输入对应于1 到5 伏特的输入。因此输4~20 mA 输入信号的分辨率大概是10位二进制数(1024分之一)。用一个250欧姆的精确电阻代替跳线可以使分辨率提高到11位二进制(2048分之一)。这个电阻器可以使模块将4~20mA的电流输入...

1、当您付费下载文档后,您只拥有了使用权限,并不意味着购买了版权,文档只能用于自身使用,不得用于其他商业用途(如 [转卖]进行直接盈利或[编辑后售卖]进行间接盈利)。
2、本站所有内容均由合作方或网友上传,本站不对文档的完整性、权威性及其观点立场正确性做任何保证或承诺!文档内容仅供研究参考,付费前请自行鉴别。
3、如文档内容存在违规,或者侵犯商业秘密、侵犯著作权等,请点击“违规举报”。

碎片内容

第九章模拟量输入模块

小辰7+ 关注
实名认证
内容提供者

出售各种资料和文档

确认删除?
VIP
微信客服
  • 扫码咨询
会员Q群
  • 会员专属群点击这里加入QQ群
客服邮箱
回到顶部