电脑桌面
添加小米粒文库到电脑桌面
安装后可以在桌面快捷访问

第五章制图基本知识

第五章制图基本知识_第1页
1/7
第五章制图基本知识_第2页
2/7
第五章制图基本知识_第3页
3/7
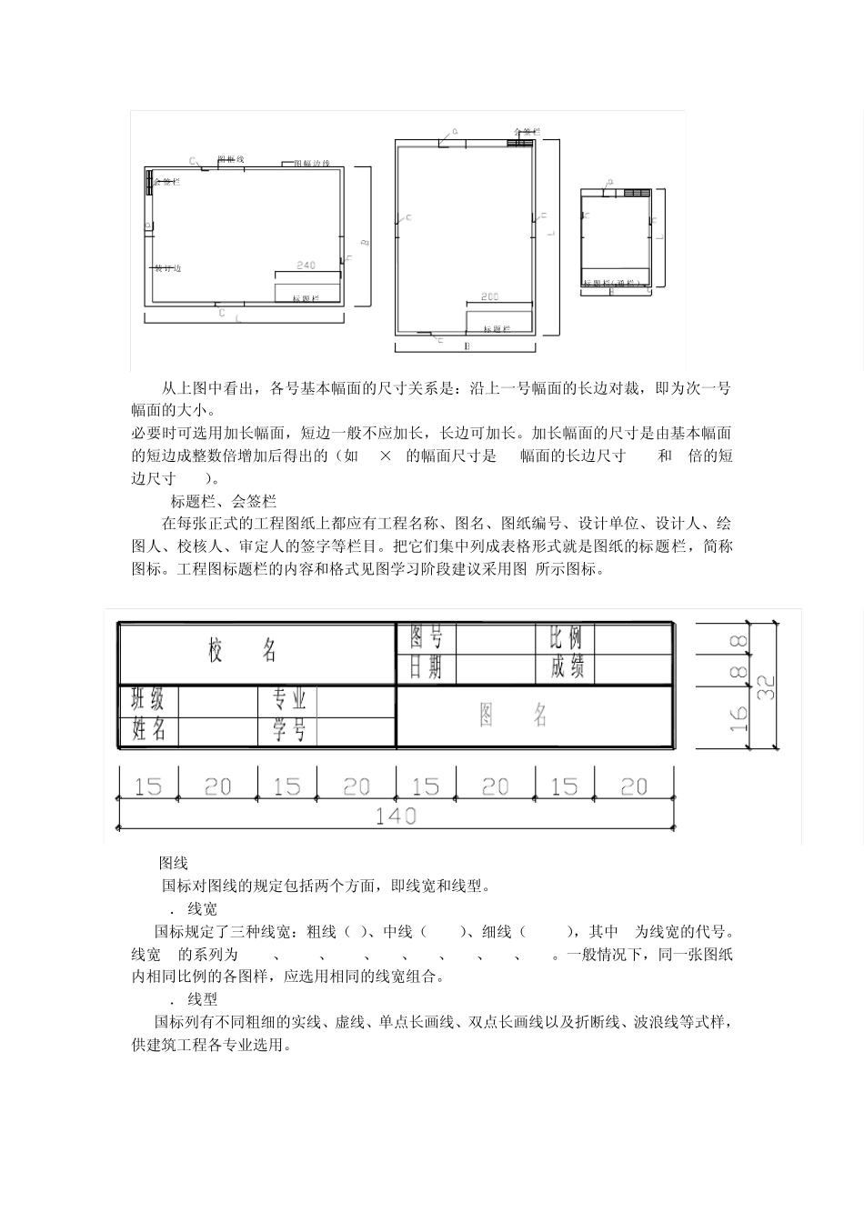
第五章 制图基本知识 教学目的:通过本章的学习培养学生认真、细致的工作作风,使所绘图样做到作图准确、图线分明、字体工整、符合标准。 教学要点:教师示范对学生的影响很大,示范时应力求做到方法正确和熟练。 重点:《建筑制图》中有关规定 难点:几何图形的作图方法和连接 关键: 绘图工具和仪器的正确使用和绘图方法 教学过程或内容: 一.制图的基本规定 二.制图工具及仪器 三.几何作图 四.平面图形尺寸分析 五.绘图的一般步骤 通过本章的学习掌握常用绘图工具和仪器的正确使用方法,熟练掌握《建筑制图》国家标准中有关图纸幅面、比例、图线、的规定及尺寸注法等基本规定。 §5-1制图的基本规定 工程图样是工程界的技术语言。为了统一图样画法,提高生产效率,便于技术交流。就必须在图的格式、内容和表达方法等各方面有统一的标准,如果没有统一严格的规则,图样就会失去它的作用,因此严格的遵守标准绘图是非常必要的。 本节主要介绍 2001 年中华人民共和国建设部颁发的《房屋建筑制图统一标准》(GB/T50001—2001)和《建筑制图标准》(GB/T50104-2001),内容包括图幅比例、图线、字体、尺寸标注。 1.1 图幅 1. 图纸幅面尺寸 为了合理使用图纸和便于管理装订,国标对绘制工程图样的图纸幅面作了规定。图纸基本幅面尺寸见。 图纸幅面和图框尺寸 幅面代号 A0 A1 A2 A3 A4 B×L 841×1189 594×841 420×594 297×420 210×297 e 20 10 c 10 5 a 25 绘制正式的工程图样时,必须在图幅内画上图框,图框线与图幅边线的间隔 a和c应符合上表。如不需装订边,则图幅边线的间隔取 e值。 标题栏图框线会签栏装订边 图幅边线标题栏会签栏标题栏(通栏) 从上图中看出,各号基本幅面的尺寸关系是:沿上一号幅面的长边对裁,即为次一号幅面的大小。 必要时可选用加长幅面,短边一般不应加长,长边可加长。加长幅面的尺寸是由基本幅面的短边成整数倍增加后得出的(如A3×3的幅面尺寸是A3幅面的长边尺寸420和 3倍的短边尺寸891)。 2. 标题栏、会签栏 在每张正式的工程图纸上都应有工程名称、图名、图纸编号、设计单位、设计人、绘图人、校核人、审定人的签字等栏目。把它们集中列成表格形式就是图纸的标题栏,简称图标。工程图标题栏的内容和格式见图学习阶段建议采用图.所示图标。 1.2 图线 国标对图线的规定包括两个方面,即线宽和线型。 1. 线宽 国标规定了三种线宽:粗线(b...

1、当您付费下载文档后,您只拥有了使用权限,并不意味着购买了版权,文档只能用于自身使用,不得用于其他商业用途(如 [转卖]进行直接盈利或[编辑后售卖]进行间接盈利)。
2、本站所有内容均由合作方或网友上传,本站不对文档的完整性、权威性及其观点立场正确性做任何保证或承诺!文档内容仅供研究参考,付费前请自行鉴别。
3、如文档内容存在违规,或者侵犯商业秘密、侵犯著作权等,请点击“违规举报”。

碎片内容

第五章制图基本知识

小辰7+ 关注
实名认证
内容提供者

出售各种资料和文档

确认删除?
VIP
微信客服
  • 扫码咨询
会员Q群
  • 会员专属群点击这里加入QQ群
客服邮箱
回到顶部