电脑桌面
添加小米粒文库到电脑桌面
安装后可以在桌面快捷访问

地基与基础工程质量验收记录表

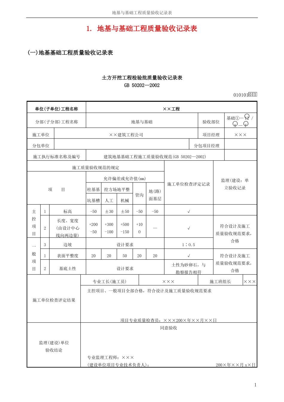
地基与基础工程质量验收记录表_第1页
1/51
地基与基础工程质量验收记录表_第2页
2/51
地基与基础工程质量验收记录表_第3页
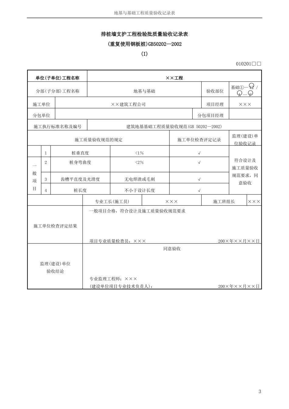
3/51
地基与基础工程质量验收记录表1. 地基与基础工程质量验收记录表(一)地基基础工程质量验收记录表土方开挖工程检验批质量验收记录表GB 50202—2002010101单位(子单位)工程名称分部(子分部)工程名称施工单位分包单位施工执行标准名称及编号地基与基础××建筑工程公司××工程验收部位项目经理分包项目经理基础①—○12 /A —○F○×××建筑地基基础工程施工质量验收规范(GB 50202—2002)施工质量验收规范的规定允许偏差或允许值(mm)施工单位检查评定记录项目柱基基挖方场地平整管沟坑基槽人工主控项目一般项目2基底土性设计要求专业工长(施工员)3121标高长度、宽度(由设计中心线向两边量)边坡表面平整度2020-50+200-50±30+300-100机械±50+500-150设计要求502020-50+10O地(路)面基层-50√符合设计及施工质量验收规范要求,1∶O.5√土性为砂卵石,与勘察报告相符×××合格符合设计及施工质量验收规范要求,合格施工班组长×××监理(建设:单立验收记录—√主控项目、一般项目全部合格,符合设计及施工质量验收规范要求施工单位检查评定结果项目专业质量检查员:×××200×年××月××日同意验收监理(建设)单位验收结论专业监理工程师:×××(建设单位项目专业技术负责人): 200×年××月 x×日1地基与基础工程质量验收记录表土方回填工程检验批质量验收记录表CB 50202—2002010102□□单位(子单位)工程名称分部(子分部)工程名称施工单位分包单位施工执行标准名称及编号地基与基础××建筑工程公司××工程验收部位项目经理分包项目经理基础①—○12 /A —○F○×××建筑地基基础工程施工质量验收规范(GB 50202—2002)施工质量验收规范的规定检查项目柱基基允许偏差或允许值(m)施工单位检查评定记录地(路)场地平整管沟机械±50设计要求设计要求设计要求2020302020×××-50面基础层-50√压实系数 0.95√符合设计及施工√20施工班组长×××质量验收规范要求,同意验收符合设计及施工质量验收规范要求,2123分层压实系数回填土料分层厚度及含水量表面平整度同意验收监理(建设照位验收记录主控项目一般项目坑基槽人工标高-50±301专业工长(施工员)主控项目,一般项目全部合格,符合设计及施工质量验收规范要求施工单位检查评定结果项目专业质量检查员:××× 200×年××月××日同意验收监理(建设)单位验收结论专业监理工程师:×××(建设单位项目专业技术负责人): 200×年××月××日2地基与基础工程质量验收记录表排桩墙...

1、当您付费下载文档后,您只拥有了使用权限,并不意味着购买了版权,文档只能用于自身使用,不得用于其他商业用途(如 [转卖]进行直接盈利或[编辑后售卖]进行间接盈利)。
2、本站所有内容均由合作方或网友上传,本站不对文档的完整性、权威性及其观点立场正确性做任何保证或承诺!文档内容仅供研究参考,付费前请自行鉴别。
3、如文档内容存在违规,或者侵犯商业秘密、侵犯著作权等,请点击“违规举报”。

碎片内容

地基与基础工程质量验收记录表

文库响当当+ 关注
实名认证
内容提供者

该用户很懒,什么也没介绍

相关文档

确认删除?
VIP
微信客服
  • 扫码咨询
会员Q群
  • 会员专属群点击这里加入QQ群
客服邮箱
回到顶部