电脑桌面
添加小米粒文库到电脑桌面
安装后可以在桌面快捷访问

地面硬化施工方案

地面硬化施工方案_第1页
1/11
地面硬化施工方案_第2页
2/11
地面硬化施工方案_第3页
3/11
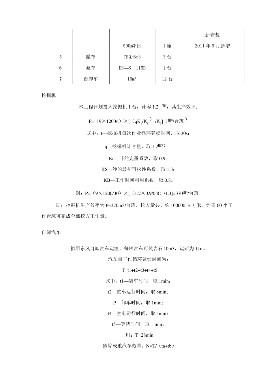
目录地面硬化方案.......................................................................................................................................... 21、依据标准:........................................................................................................................................ 22、工程概况:........................................................................................................................................ 23、施工部署:........................................................................................................................................ 2一、场平土施工.................................................................................................................................. 4二、红泥、水稳层施工...................................................................................................................... 61、红泥运输和堆放........................................................................................................................ 62、水稳层铺设................................................................................................................................ 6三、地面砼施工.................................................................................................................................. 71.材料及主要机具:...................................................................................................................... 72.施工工艺...................................................................................................................................... 73.施工方法:.................................................................................................................................. 84、技术措施:................................................................................................................................ 84、质量保证措施;.............................................................................

1、当您付费下载文档后,您只拥有了使用权限,并不意味着购买了版权,文档只能用于自身使用,不得用于其他商业用途(如 [转卖]进行直接盈利或[编辑后售卖]进行间接盈利)。
2、本站所有内容均由合作方或网友上传,本站不对文档的完整性、权威性及其观点立场正确性做任何保证或承诺!文档内容仅供研究参考,付费前请自行鉴别。
3、如文档内容存在违规,或者侵犯商业秘密、侵犯著作权等,请点击“违规举报”。

碎片内容

地面硬化施工方案

文库响当当+ 关注
实名认证
内容提供者

该用户很懒,什么也没介绍

确认删除?
VIP
微信客服
  • 扫码咨询
会员Q群
  • 会员专属群点击这里加入QQ群
客服邮箱
回到顶部