电脑桌面
添加小米粒文库到电脑桌面
安装后可以在桌面快捷访问

埋地管道防腐施工方案

埋地管道防腐施工方案_第1页
1/18
埋地管道防腐施工方案_第2页
2/18
埋地管道防腐施工方案_第3页
3/18
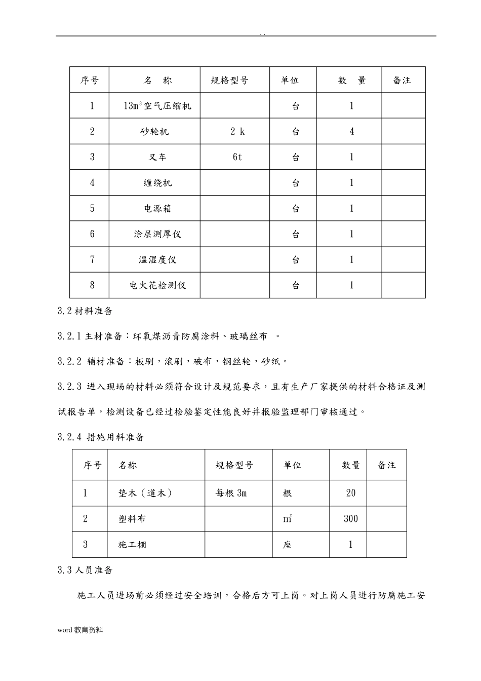
. .1.工程概况张掖市晋昌源煤业有限公司 20 万吨/年中温焦油加氢处理项目位于高台县南华镇,宁波市化工设计研究院作为设计单位,监理单位为辽宁诚实工程管理有限公司,总包单位为兰州兰石重型装备股份有限公司。施工单位为中化二建集团有限公司。我公司根据合同、施工图纸、现场实际情况的具体要求以及有关规范标准编制了地埋管道防腐施工方案,本施工方案用于张掖晋昌源 20 万吨/年中温焦油加氢处理项目 20万吨/年中温焦油预处理装置和 15 万吨/年中温焦油加氢装置埋地管道的防腐施工。2.编制依据2.1《涂覆涂料前钢材表面处理 表面清洁度的目视评定》 GB/T8923.1-20112.2《石油化工建设工程项目交工技术文件规定》 SH/T3503-20072.3《石油化工施工安全技术规程》 SH3505-19992.4《涂装前钢材表面锈蚀等级和除锈等级》 GB8923-882.5《石油化工设备和管道涂料防腐蚀设计规范》 SH/T3022-20112.6《石油化工设备管道钢结构表面色和标志规定》 SH3043-20032.7《石油化工涂料防腐蚀工程施工质量验收规范》 SH/T3548-20112.8 《石油化工涂料防腐蚀工程施工技术规程》 SH/T3606-20112.9《埋地钢制管道环氧煤沥青防腐层技术标准》 SY/T0447-962.10《埋地钢制管道防腐保温层技术标准》 GB/T50538-20102.11《涂膜附着力测定法》 GB1720-792.12 由宁波市化工设计研究院设计的施工图纸及施工文件3.施工前的准备3.1 机具准备计划word 教育资料. .序号123456783.2 材料准备名称13m³空气压缩机砂轮机叉车缠绕机电源箱涂层测厚仪温湿度仪电火花检测仪规格型号2 k6t单位台台台台台台台台数量14111111备注3.2.1 主材准备:环氧煤沥青防腐涂料、玻璃丝布 。3.2.2 辅材准备:板刷,滚刷,破布,钢丝轮,砂纸。3.2.3 进入现场的材料必须符合设计及规范要求,且有生产厂家提供的材料合格证及测试报告单,检测设备已经过检验鉴定性能良好并报验监理部门审核通过。3.2.4 措施用料准备序号123名称垫木(道木)塑料布施工棚规格型号每根 3m单位根㎡座数量203001备注3.3 人员准备施工人员进场前必须经过安全培训,合格后方可上岗。对上岗人员进行防腐施工安word 教育资料. .全、技术交底,并做好记录。4.施工方法埋地碳钢管道防腐程序:4.1 埋地含油污水(OD)、初期雨水(FRD)、重污油(HWO)套管、轻污油(LWO)管道除锈达 Sa2.5 级后,设特加强级环氧煤沥青外防腐, 防腐层总厚度δ≥0.8mm.施工前准备表面喷砂除锈底漆→面漆→...

1、当您付费下载文档后,您只拥有了使用权限,并不意味着购买了版权,文档只能用于自身使用,不得用于其他商业用途(如 [转卖]进行直接盈利或[编辑后售卖]进行间接盈利)。
2、本站所有内容均由合作方或网友上传,本站不对文档的完整性、权威性及其观点立场正确性做任何保证或承诺!文档内容仅供研究参考,付费前请自行鉴别。
3、如文档内容存在违规,或者侵犯商业秘密、侵犯著作权等,请点击“违规举报”。

碎片内容

埋地管道防腐施工方案

确认删除?
VIP
微信客服
  • 扫码咨询
会员Q群
  • 会员专属群点击这里加入QQ群
客服邮箱
回到顶部