电脑桌面
添加小米粒文库到电脑桌面
安装后可以在桌面快捷访问

城道路照明工程验收用表

城道路照明工程验收用表_第1页
1/9
城道路照明工程验收用表_第2页
2/9
城道路照明工程验收用表_第3页
3/9
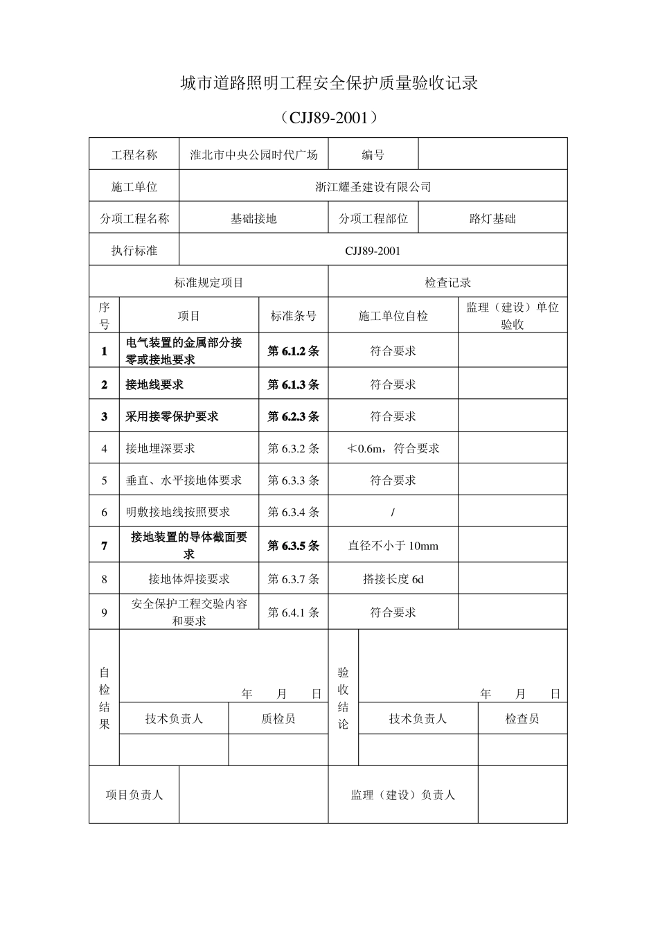
城市道路照明工程安全保护质量验收记录(CJJ89-2001)工程名称施工单位分项工程名称执行标准标准规定项目序号123456789项目电气装置的金属部分接零或接地要求接地线要求采用接零保护要求接地埋深要求垂直、水平接地体要求明敷接地线按照要求接地装置的导体截面要求接地体焊接要求安全保护工程交验内容和要求标准条号第 6.1.2 条第 6.1.3 条第 6.2.3 条第 6.3.2 条第 6.3.3 条第 6.3.4 条第 6.3.5 条第 6.3.7 条第 6.4.1 条基础接地淮北市中央公园时代广场编号浙江耀圣建设有限公司分项工程部位CJJ89-2001检查记录施工单位自检符合要求符合要求符合要求≮0.6m,符合要求符合要求/直径不小于 10mm搭接长度 6d符合要求监理(建设)单位验收路灯基础自检结果年月日技术负责人质检员验收结论年月日技术负责人检查员项目负责人监理(建设)负责人城市道路照明工程架空线路质量验收记录(CJJ89-2001)工程名称施工单位分项工程名称执行标准标准规定项目序号12345678910项目基坑施工前定位电杆定型产品要求横担安装偏差横担间垂直距离绝缘子安装要求磁横担安装要求拉线盘的埋深和方向要求承力拉线安全要求帮扎固定拉线要求拉线绝缘子安装要求标准条号第 2.1.1 条第 2.1.3 条第 2.1.8 条第 2.1.10 条第 2.2.2 条第 2.2.4 条第 2.2.5 条第 2.2.6 条第 2.2.9 条第 2.2.10 条编号浙江耀圣建设有限公司分项工程部位CJJ89-2001检查记录施工单位自检监理(建设)单位验收自检结果年月日技术负责人质检员验收结论年月日技术负责人检查员项目负责人监理(建设)负责人城市道路照明工程架空线路质量验收记录续表(CJJ89-2001)工程名称施工单位分项工程名称执行标准标准规定项目序号1112131415161718项目戗杆安装要求架空线路导线间最小水平距离裸铝导结帮扎长度同金属导线帮扎长度引流线、引下线或导线之间距离导线与拉线、电杆或架构之间距离导线与树木最小距离架空线路工程验收内容和要求标准条号第 2.2.11 条第 2.3.12 条第 2.3.14 条第 2.3.15 条第 2.3.17 条第 2.3.18 条第 2.3.22 条第 2.4.1 条编号分项工程部位CJJ89-2001检查记录施工单位自检监理(建设)单位验收自检结果年月日技术负责人质检员验收结论年月日技术负责人检查员项目负责人监理(建设)负责人城市道路照明工程低压电缆线路质量验收记录(CJJ89-2001)工程名称施工单位分项工程名称执行标准标准规定项目序号123456789101112自检结果...

1、当您付费下载文档后,您只拥有了使用权限,并不意味着购买了版权,文档只能用于自身使用,不得用于其他商业用途(如 [转卖]进行直接盈利或[编辑后售卖]进行间接盈利)。
2、本站所有内容均由合作方或网友上传,本站不对文档的完整性、权威性及其观点立场正确性做任何保证或承诺!文档内容仅供研究参考,付费前请自行鉴别。
3、如文档内容存在违规,或者侵犯商业秘密、侵犯著作权等,请点击“违规举报”。

碎片内容

城道路照明工程验收用表

您可能关注的文档

确认删除?
VIP
微信客服
  • 扫码咨询
会员Q群
  • 会员专属群点击这里加入QQ群
客服邮箱
回到顶部