电脑桌面
添加小米粒文库到电脑桌面
安装后可以在桌面快捷访问

基坑型钢立柱施工方案

基坑型钢立柱施工方案_第1页
1/16
基坑型钢立柱施工方案_第2页
2/16
基坑型钢立柱施工方案_第3页
3/16
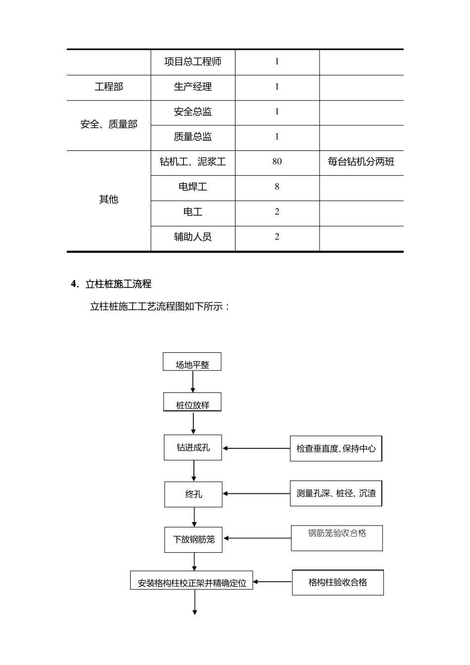
1.工程概况工程名称:苏州星海街公共绿地和地下车库桩基及基坑围护工程建设单位:苏州工业园区地产经营管理公司设计单位:苏州市建筑设计研究院有限责任公司华东建筑设计研究院有限公司监理单位:浙江江南工程管理股份有限公司承建单位:中国建筑一局(集团)有限公司➢本工程地处苏州工业园区核心商务区,北临苏雅路,西临星桂街,南临相门塘河,东至星海街东侧人行道,基坑南北长 200m,东西宽 120m,基坑面积约 24000m3,基坑深度 13.500m;在基坑南、北方向中央有苏州轨道交通 1 号线星海街车站穿过,与本工程一并实施,改区域挖深16.100m。➢本工程围护采用三轴水泥土搅拌桩(东侧采用高压旋喷桩)作止水帷幕,以钻孔灌注排桩作档墙,加两道钢筋混凝土支撑体统。止水帷幕深度约19.3m。➢格构柱长度为 15.15~17.75m,插入桩内长度为 3m,下部采用 Φ800 钻孔灌注桩(部分利用工程桩者除外)作为基础。格构柱插入灌注桩深度误差≤5cm,格构柱垂直误差 ≤1/300,定位偏差≤2cm,钢立柱各边与轴线严格垂直或平行。➢工程地质条件:工程所处地区地层从上至下主要为:①1 杂填土、①2 素填土、③1 粘土、③2 粉质粘土、④a 粉质粘土、④粉土、⑤粉质粘土、⑥1 粘土、⑥2 粉质粘土、⑦粉砂、⑧粉质粘土、⑧1 粉质粘土、⑨粉土、⑩1 粘土与粉质粘土、⑩2 粉质粘土。2.编制依据➢本工程招标文件、包括招标答疑会议纪要等;➢《建筑工程质量验收统一标准》(GB50300-2001);➢《建筑地基基础工程施工验收验收规范》(GB50202-2002);➢《钻孔灌注桩施工规程》(DBJ08-11-1999);➢《基坑工程设计规程》(DBJ08-61-97);➢《建筑施工安全检查标准》(JGJ59-99);➢国家、江苏省及苏州地区其他相关规范、规程及规定;➢我公司制定的质量、职业健康与安全、环境保护等管理文件。3.施工人员组成及机械配置情况针对工程地质条件的复杂性及施工工期的严峻性,项目部实行项目经理宏观管理领导,项目副经理具体组织实施,技术人员负责质量管理和现场技术工作,其他人员各负其责,层层把关的生产管理体系。施工人员组织安排见下表:表 1施工人员组织安排表名称岗位项目经理项目部项目副经理人数11备注项目总工程师工程部生产经理安全总监安全、质量部质量总监钻机工、泥浆工电焊工其他电工辅助人员4.立柱桩施工流程立柱桩施工工艺流程图如下所示:111180822每台钻机分两班安装格构柱校正架并精确定位格构柱验收合格终孔测量孔深、...

1、当您付费下载文档后,您只拥有了使用权限,并不意味着购买了版权,文档只能用于自身使用,不得用于其他商业用途(如 [转卖]进行直接盈利或[编辑后售卖]进行间接盈利)。
2、本站所有内容均由合作方或网友上传,本站不对文档的完整性、权威性及其观点立场正确性做任何保证或承诺!文档内容仅供研究参考,付费前请自行鉴别。
3、如文档内容存在违规,或者侵犯商业秘密、侵犯著作权等,请点击“违规举报”。

碎片内容

基坑型钢立柱施工方案

确认删除?
VIP
微信客服
  • 扫码咨询
会员Q群
  • 会员专属群点击这里加入QQ群
客服邮箱
回到顶部