电脑桌面
添加小米粒文库到电脑桌面
安装后可以在桌面快捷访问

外墙岩棉板施工方案40243

外墙岩棉板施工方案40243_第1页
1/17
外墙岩棉板施工方案40243_第2页
2/17
外墙岩棉板施工方案40243_第3页
3/17
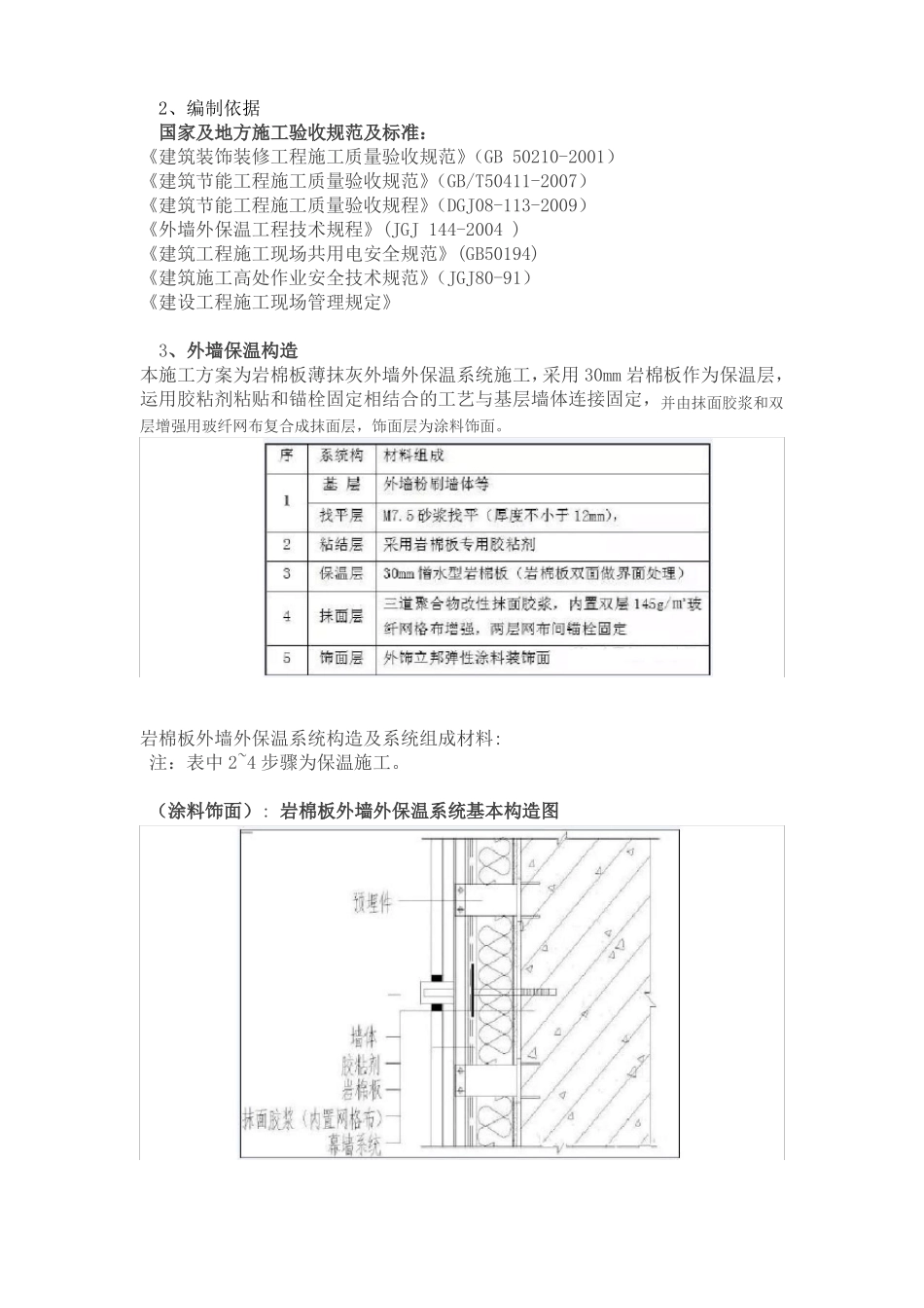
录目一、工程概况 1、工程内容 2、编制依据 3、外墙保温构造 4、基层墙面要求及处理二、保温工程施工条件与准备 1、施工条件 2、现场协调及配合 3、施工准备三、岩棉板外墙外保温系统施工 1、保温系统施工流程 2、保温系统施工要点 3、成品保护四、保温系统的材料技术指标 1、材料验收 2、工程验收五、质量保证措施 1、工程质量标准 2、确保工程质量的技术措施 3、工程质量管理体系六、安全文明保证措施 1、安全文明施工目标 2、安全文明管理措施 3、安全文明管理体系附件:墙面不同部位的施工做法节点详图一、工程概况 1、工程内容:涂料饰面外墙岩棉保温。外墙保温工程采用 30mm 岩棉板外墙外保温系统,外饰面采用立邦弹性涂料饰面。主要施工工艺如下:建筑物基层墙面处理(找平层验收)、施工面岩棉板布胶粘贴(包括岩棉板界面处理)、抹面胶浆批涂、两道玻纤网布铺设、锚栓.固定;细部节点(变形缝、门窗洞口、保温端口等)网布加强及防水构造设置。窗侧边 20mm 无机保温砂浆保温构造。质量标准:合格 2、编制依据国家及地方施工验收规范及标准:《建筑装饰装修工程施工质量验收规范》(GB 50210-2001)《建筑节能工程施工质量验收规范》(GB/T50411-2007)《建筑节能工程施工质量验收规程》(DGJ08-113-2009)《外墙外保温工程技术规程》(JGJ 144-2004 )《建筑工程施工现场共用电安全规范》(GB50194)《建筑施工高处作业安全技术规范》(JGJ80-91)《建设工程施工现场管理规定》3、外墙保温构造本施工方案为岩棉板薄抹灰外墙外保温系统施工,采用 30mm 岩棉板作为保温层,运用胶粘剂粘贴和锚栓固定相结合的工艺与基层墙体连接固定,并由抹面胶浆和双层增强用玻纤网布复合成抹面层,饰面层为涂料饰面。岩棉板外墙外保温系统构造及系统组成材料:注:表中 2~4 步骤为保温施工。(涂料饰面): 岩棉板外墙外保温系统基本构造图 4、基层墙面要求及处理系统对基层面要求由于薄抹灰外墙外保温系统抹面层和饰面层的偏差很大程度上取决于基层,为保证保温工程的质量,保温层要求铺在坚实、平整的表面上,采用 M7.5 水泥砂浆进行找平,表面不压光。基层面要求: A、水泥砂浆外墙面粉刷层基层粘结牢固、无开裂、无空鼓、无渗水。 B、基层面干燥、平整,平整度:两米靠尺测定小于 5mm——20mm 误差。 C、基层面具一定强度,表面抗拉强度不小于 0.5Mpa。 D、基层面无油污、浮尘或空鼓的疏松层等其他异物。二、保...

1、当您付费下载文档后,您只拥有了使用权限,并不意味着购买了版权,文档只能用于自身使用,不得用于其他商业用途(如 [转卖]进行直接盈利或[编辑后售卖]进行间接盈利)。
2、本站所有内容均由合作方或网友上传,本站不对文档的完整性、权威性及其观点立场正确性做任何保证或承诺!文档内容仅供研究参考,付费前请自行鉴别。
3、如文档内容存在违规,或者侵犯商业秘密、侵犯著作权等,请点击“违规举报”。

碎片内容

外墙岩棉板施工方案40243

确认删除?
VIP
微信客服
  • 扫码咨询
会员Q群
  • 会员专属群点击这里加入QQ群
客服邮箱
回到顶部