电脑桌面
添加小米粒文库到电脑桌面
安装后可以在桌面快捷访问

20辊轧机技术总结

20辊轧机技术总结_第1页
1/8
20辊轧机技术总结_第2页
2/8
20辊轧机技术总结_第3页
3/8
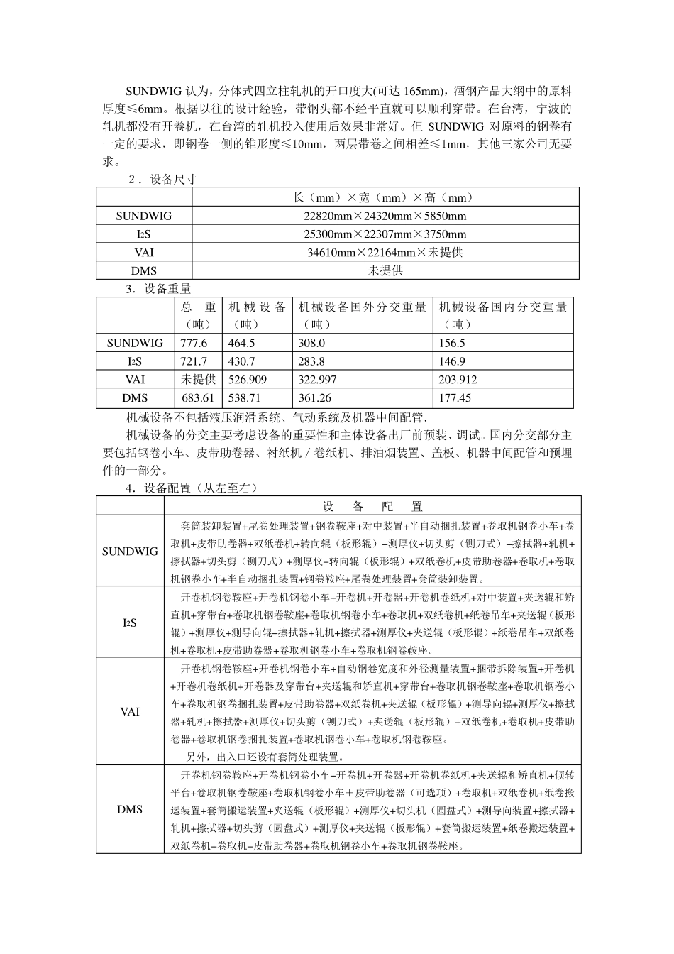
2 0 辊轧机技术总结 SUNDWIG、I2S、VAI、DMS 四家公司对20 辊轧机都有较为详细的报价和介绍,下面就四家公司的报价进行比较和说明。 一. 生产能力 各家都按照询价书的要求,对JISCO 的产品大纲进行了较为详细的计算,生产能力的比较如下。 SUNDWIG I2S VAI DMS 生产能力(万吨/年) 18.539 18.000 21.851 18.539 轧机作业时间(h/year) 10394 13292 10046 12737 平均机时产量(t/h) 17.84 13.54 21.75 14.56 备 注 包括换卷、换工作辊、装卸套筒、带钢检查和尾卷处理(不包括中间辊更换,纸处理) 包括换卷、换工作辊、装卸套筒、带钢检查(不包括中间辊更换,纸处理) 包括换卷、换工作辊、装卸套筒、带钢检查(不包括中间辊更换,纸处理) 包括换卷、换工作辊、装卸套筒、带钢检查(不包括中间辊更换,纸处理) 从表中可以看出,对于两台轧机的生产能力VAI 的轧机明显大于其他几家公司的轧机。 二. 原料和成品规格 针对轧机的原料条件,SUNDWIG 在报价种除了有热轧的原料厚度外,还有冷轧中间原料的厚度范围,其他几家公司未提供冷轧原料的厚度范围,其比较表如下: SUNDWIG I2S VAI DMS 钢种 AISI300&400 AISI300&400 AISI300&400 AISI300&400 原 料 厚度mm 热轧1.8—6.0 冷轧0.5—3.0 1.8—6.0 1.8—6.0 1.8—6.0 宽度mm 750—1350 750—1350 750—1350 750—1350 最大卷重 32t 32t 32t 32t 最大外径mm 2200 2200 2100 2100 最小外径mm 1000 未提供 1000 1000 内径mm 610 610 610 610 比重(重量/宽度) 23kg/mm 18kg/mm 18kg/mm 18kg/mm 产品 厚度mm 0.2—3.0 0.3—3.0 0.2—3.0 0.2—3.0 I2S 介绍其轧机在使用可选项挠性背衬轴承和分段的二中间惰辊后,在其他条件不变的情况下,其最终产品厚度能达到0.15mm,在第二轮谈判中要求其有一台轧机达到0.2mm 的生产能力。VAI 在报价中直接提供分段的二中间惰辊。 三. 设备 1. 主 要设备组 成 SUNDWIG 为:卷取 机+轧机+卷取 机 无 开 卷机 I2S、VAI、DMS 为:开 卷机+卷取 机+轧机+卷取 机 开 卷机都为上 开 卷形 式 。 SUNDWIG 认为,分体式四立柱轧机的开口度大(可达165mm),酒钢产品大纲中的原料厚度≤6mm。根据以往的设计经验,带钢头部不经平直就可以顺利穿带。在台湾,宁波的轧机都没有开卷机,在台湾的轧机投入使用后效果非常好。但SUNDWIG 对原料的钢卷有一...

1、当您付费下载文档后,您只拥有了使用权限,并不意味着购买了版权,文档只能用于自身使用,不得用于其他商业用途(如 [转卖]进行直接盈利或[编辑后售卖]进行间接盈利)。
2、本站所有内容均由合作方或网友上传,本站不对文档的完整性、权威性及其观点立场正确性做任何保证或承诺!文档内容仅供研究参考,付费前请自行鉴别。
3、如文档内容存在违规,或者侵犯商业秘密、侵犯著作权等,请点击“违规举报”。

碎片内容

20辊轧机技术总结

您可能关注的文档

小辰7+ 关注
实名认证
内容提供者

出售各种资料和文档

确认删除?
VIP
微信客服
  • 扫码咨询
会员Q群
  • 会员专属群点击这里加入QQ群
客服邮箱
回到顶部