电脑桌面
添加小米粒文库到电脑桌面
安装后可以在桌面快捷访问

69板蓝根提取液工艺规程

69板蓝根提取液工艺规程_第1页
1/7
69板蓝根提取液工艺规程_第2页
2/7
69板蓝根提取液工艺规程_第3页
3/7
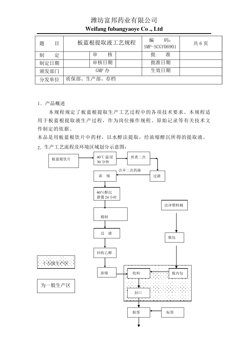
潍坊富邦药业有限公司 Weifang fubangyaoye Co ., Ltd 产 品 工 艺 规 程 ( 中 药 提 取 ) 板蓝根提取液工艺规程 编码:SMP-SCGY 06901 潍 坊 富 邦 药 业有限公司 潍坊富邦药业有限公司 Weifang fubangyaoye Co ., Ltd 1.产品概述 本规程规定了板蓝根提取生产工艺过程中的各项技术要求。本规程适用于板蓝根提取液生产过程,作为岗位操作规程、原始记录等有关技术文件制定的依据。 本品是用板蓝根饮片中药材,以水醇法提取,经浓缩醇沉所得的提取液。 2 、生产工艺流程及环境区域划分示意图: 合并二次药液 十万级生产区 题 目 板蓝根提取液工艺规程 编 码: SMP-SCGY06901 共6 页 制 定 审 核 批 准 制定日期 审核日期 批准日期 颁发部门 GMP 办 生效日期 分发单位 质保部、生产部、存档 为一般生产区 4 0 ℃温浸3 0 分钟 浓 缩 6 0 %醇沉 静置 2 4 小时 精制 过 滤 回收乙醇 洁净塑料桶 浓缩 脱包 脱内包 板蓝根饮片 煎煮二次 过滤 收料 封口 贴签 标签 潍坊富邦药业有限公司 Weifang fubangyaoye Co ., Ltd 入库冷藏 潍坊富邦药业有限公司 Weifang fubangyaoye Co ., Ltd 3.处方 板蓝根饮片 100kg 得提取液约 65kg 4. 操作过程及流程: 4.1 第一次煎煮: 备料工序完成后,先将多能提取罐出渣门关闭,提取操作人员将处方量的板蓝根饮片通过提取罐上部投料口投入,并做好记录,打开提取罐进水阀门,向提取罐内计量加入板蓝根饮片6 倍量饮用水,关闭进水阀门和投料口。加温至40℃左右,浸泡30 分钟后,打开蒸汽阀门,加热至沸腾后保持微沸进行煎煮。罐内液体沸腾后,打开回流冷凝器的冷却水系统,二次蒸汽经除沫器——冷凝器——冷却器——提取罐,完成回汽循环提取。 在煎煮过程中随时观察蒸汽压力表、温度表和提取罐压力表数值,并记录开始煮沸时间、温度。蒸汽压力控制在 0.1-0.3Mpa,温度控制在 100℃左右,保持沸腾,此时夹层压力保持≤0.1 Mpa,煎煮90 分钟。 待煎煮90 分钟后,关闭蒸汽阀门,打开提取罐的出液阀门提取液经120 目的过滤器输送至储液罐。 4.2 第二次煎煮: 打开提取罐进水阀门,计量加入4 倍量饮用水,打开蒸汽阀门重复以上煎煮操作,待煎煮1h 后将提取液用120 目筛过滤至药液储罐,与第一次药液合并。操作过程有专人进行过程监控,并做好记录。 4.3 浓缩 打开输送泵将药液储罐...

1、当您付费下载文档后,您只拥有了使用权限,并不意味着购买了版权,文档只能用于自身使用,不得用于其他商业用途(如 [转卖]进行直接盈利或[编辑后售卖]进行间接盈利)。
2、本站所有内容均由合作方或网友上传,本站不对文档的完整性、权威性及其观点立场正确性做任何保证或承诺!文档内容仅供研究参考,付费前请自行鉴别。
3、如文档内容存在违规,或者侵犯商业秘密、侵犯著作权等,请点击“违规举报”。

碎片内容

69板蓝根提取液工艺规程

确认删除?
VIP
微信客服
  • 扫码咨询
会员Q群
  • 会员专属群点击这里加入QQ群
客服邮箱
回到顶部