电脑桌面
添加小米粒文库到电脑桌面
安装后可以在桌面快捷访问

安装工程预埋、预留技术交底

安装工程预埋、预留技术交底_第1页
1/6
安装工程预埋、预留技术交底_第2页
2/6
安装工程预埋、预留技术交底_第3页
3/6
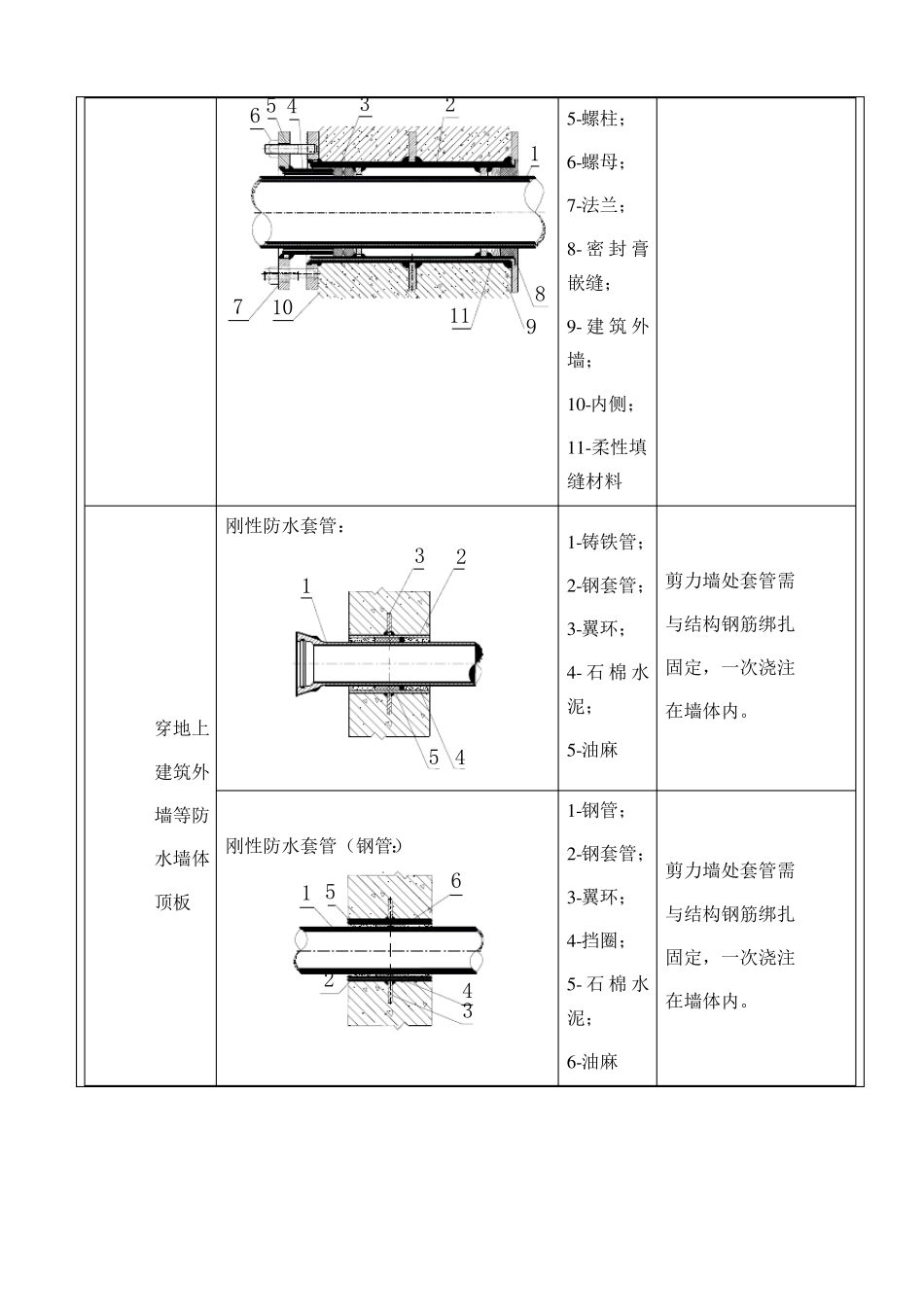
技术交底记录20003012单位(子单位)工程名称分部(子分部)工程名称施工单位交底人基础分部甘肃建投建设有限公司胡燕接受交底人数令牌·优家国际住宅项目分项工程名称项目经理2作业班组安装分部预留套管预埋张春效水暖安装班组一、 施工准备1. 施工前仔细阅读理解机电施工图纸及建筑结构图。2. 专业工程师按照机电留孔图,确定所有预埋预留点,并统一编号,并对照机电施工图与土建结构图重新核对预留位置、孔洞尺寸、标高。3. 相关技术人员核实预埋件规格数量,落实预埋件的预埋方法。4. 编制预埋材料预算,绘制预埋件加工图和填写加工计划单,确定预埋加工件供货日期与自制预埋件制作进场时间安排。5. 与结构施工队伍共同制定地下部分预留预埋进度计划,制定保证措施确保不对结构工期造成影响。二、 预留孔洞1. 一般孔洞预留结构施工过程中,确定专人跟踪配合,待土建施工到预留孔洞部位时,立即按机电留孔图中给定的穿管坐标和标高,在模板上做出标记。在土建扎钢筋时,将事先做好的模具中心对准标记进行模具的固定安装,并考虑方便拆除临时模具。当遇有较大的孔洞、模具与多根钢筋相碰时,与土建技术人员协商,采取相应措施后再进行安装固定。2. 卫生间孔洞预留交底人:项目技术负责人:项目经理:接受交底负责人:资料员签章:甘肃省工程质量监督总站编制(版权所有不准翻印)技术交底记录20003012单位(子单位)工程名称分部(子分部)工程名称施工单位交底人基础分部甘肃建投建设有限公司胡燕接受交底人数令牌·优家国际住宅项目分项工程名称项目经理2作业班组安装分部预留套管预埋、洞口预留张春效水暖安装班组卫生间内各种水管孔洞预留是工程重点,对于卫生间洁具的排水预留洞,必须根据本工程确定使用的卫生洁具的安装尺寸、墙体的厚度及坐标轴线,确定预留洞的位置后预埋。如因一些原因导致在卫生间排水套管在预留时,洁具的型号无法确定,我方将参照标准图集及设计要求进行排水孔洞的预留。孔洞的尺寸可适当放大一号,为防止在洁具型号确定后,洁具安装要求与孔洞的预留存在偏差时,尽量减少楼板开洞的面积,如必须重新开洞,则必须使用开孔机机械钻洞,严禁乱剔乱凿的现象出现。3. 套管预留孔洞施工方法根据管道管径尺寸,制作比管径大两号的钢套管,钢套管的长度通常为楼板厚度+300mm。在土建楼板模板铺设完毕,底筋绑扎完毕后,根据规范要求及现场结构钢筋绑扎成形的位置尺寸,确定套管位置,将钢套管放在预留的位置,用...

1、当您付费下载文档后,您只拥有了使用权限,并不意味着购买了版权,文档只能用于自身使用,不得用于其他商业用途(如 [转卖]进行直接盈利或[编辑后售卖]进行间接盈利)。
2、本站所有内容均由合作方或网友上传,本站不对文档的完整性、权威性及其观点立场正确性做任何保证或承诺!文档内容仅供研究参考,付费前请自行鉴别。
3、如文档内容存在违规,或者侵犯商业秘密、侵犯著作权等,请点击“违规举报”。

碎片内容

安装工程预埋、预留技术交底

您可能关注的文档

文库响当当+ 关注
实名认证
内容提供者

该用户很懒,什么也没介绍

确认删除?
VIP
微信客服
  • 扫码咨询
会员Q群
  • 会员专属群点击这里加入QQ群
客服邮箱
回到顶部