电脑桌面
添加小米粒文库到电脑桌面
安装后可以在桌面快捷访问

ACHV高压线性恒流控制IC应用前景分析

ACHV高压线性恒流控制IC应用前景分析_第1页
1/6
ACHV高压线性恒流控制IC应用前景分析_第2页
2/6
ACHV高压线性恒流控制IC应用前景分析_第3页
3/6
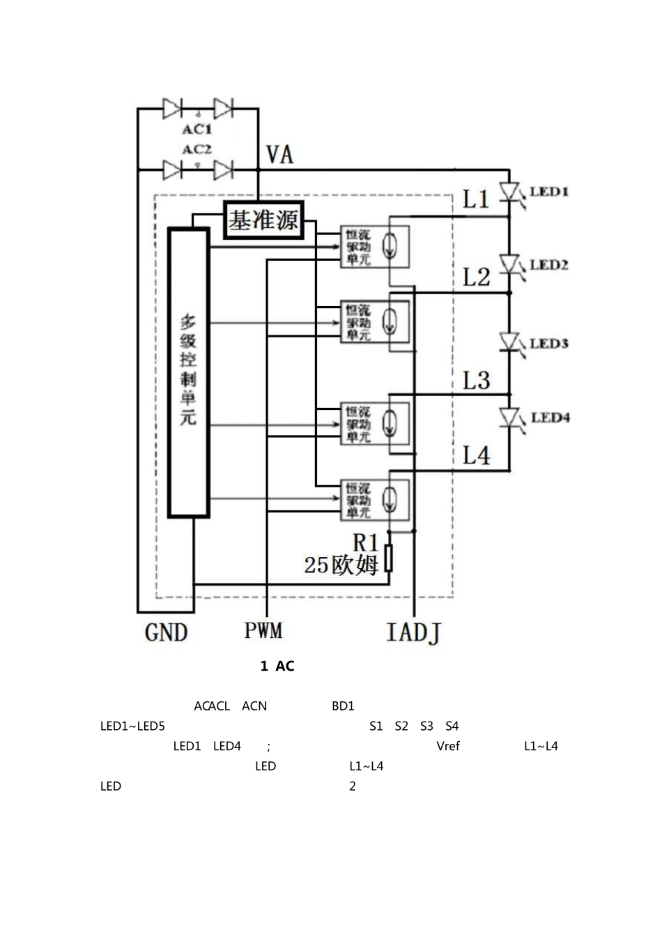
AC-HV 高压线性恒流控制 IC 随着技术的发展,LED 光源的光效不断提升、有效寿命时间远远超过了传统的气体放电光源,LED 的应用越来越广泛。市场上绝大多数的 LED 使用的都是直流(以下简称 DC)驱动的方式,DC 电源的优点是技术成熟,工作电压范围宽。但同时受制于 DC 驱动电源电路的复杂性,以市场上使用较多的 120W LED 路灯电源举例,电子元器件的数量数百个,这样带来庞大的物料管理成本和生产管理成本;另外,DC 电源都要使用到的电解电容的寿命远远低于 LED 光源的寿命,这样客观上也使得 LED 路灯使用的后期维护成本大大提升。 本文要介绍的是一种原理上不同于 DC 驱动的 LED 技术,交流(以下简称 AC)直接连接到 LED 光源,使用线性开关的方式控制 LED 光源的开通,所使用的高压(以下简称HV)LED 光源的工作电压超过 50V,下面以 昌捷光电的 HF3028 AC-HV 高压线性恒流驱动控制芯片为例 一、AC-HV 工作原理及特性分析 1.AC 驱动方式的电路原理 如图 1: 图 1 AC 驱动方式的电路原理 AC输入电压由 ACL、ACN 输入,经过 BD1 全桥整流后的脉动交流电直接连接到由LED1~ LED5 组成的光源模组,专用驱动芯片控制的 S1、S2、S3、S4 在对应的四个开启电压点分别把 LED1~LED4 点亮;通过与芯片内部产生的基准电平 Vref 比较来控制 L1~ L4的导通状态,以此来达到控制 LED 工作的功率。L1~ L4 在电路中处于放大状态,调节每个LED 回路的导通电流,工作电压电流波形图如图 2。 图 2 AC输入电压电流表波形图 2.系统效率分析 为了分析方便,假设输入电压为 220VAC 50Hz,在输入呈正弦变化的输入电压分别达到 100V、150V、200V、250V 时 LED1 至 LED4 分别导通,其工作状态如图 3。 图 3 AC HV 线性恒流开关工作状态 为了分析方便,我们分析 1/4 导通周期内 LED 模组上的电压和电流信号,假设输入电流为 I1,4 块阴影部分分别代表了 4 组 LED 导通时候的电流。输入电压到达 LED 的门限开启电压后 LED 工作在恒流状态,如图 4 所示,超过 LED 正向导通压降的压降会落在S1~S4 开关上,如图中所示打红叉的部分。整个电路回路中主要的功耗来自于 4 个处于放大状态的开关管,在输入电压不高于 250V 时,S1~S4 近似于工作在开关模式,损耗较小,输入电压超过 250V 时,所增加的电压全部落在 S4 上,所以 S4 的损耗最大,下面就电源的系统效...

1、当您付费下载文档后,您只拥有了使用权限,并不意味着购买了版权,文档只能用于自身使用,不得用于其他商业用途(如 [转卖]进行直接盈利或[编辑后售卖]进行间接盈利)。
2、本站所有内容均由合作方或网友上传,本站不对文档的完整性、权威性及其观点立场正确性做任何保证或承诺!文档内容仅供研究参考,付费前请自行鉴别。
3、如文档内容存在违规,或者侵犯商业秘密、侵犯著作权等,请点击“违规举报”。

碎片内容

ACHV高压线性恒流控制IC应用前景分析

您可能关注的文档

确认删除?
VIP
微信客服
  • 扫码咨询
会员Q群
  • 会员专属群点击这里加入QQ群
客服邮箱
回到顶部