电脑桌面
添加小米粒文库到电脑桌面
安装后可以在桌面快捷访问

ADC0809引脚图与接口电路

ADC0809引脚图与接口电路_第1页
1/8
ADC0809引脚图与接口电路_第2页
2/8
ADC0809引脚图与接口电路_第3页
3/8
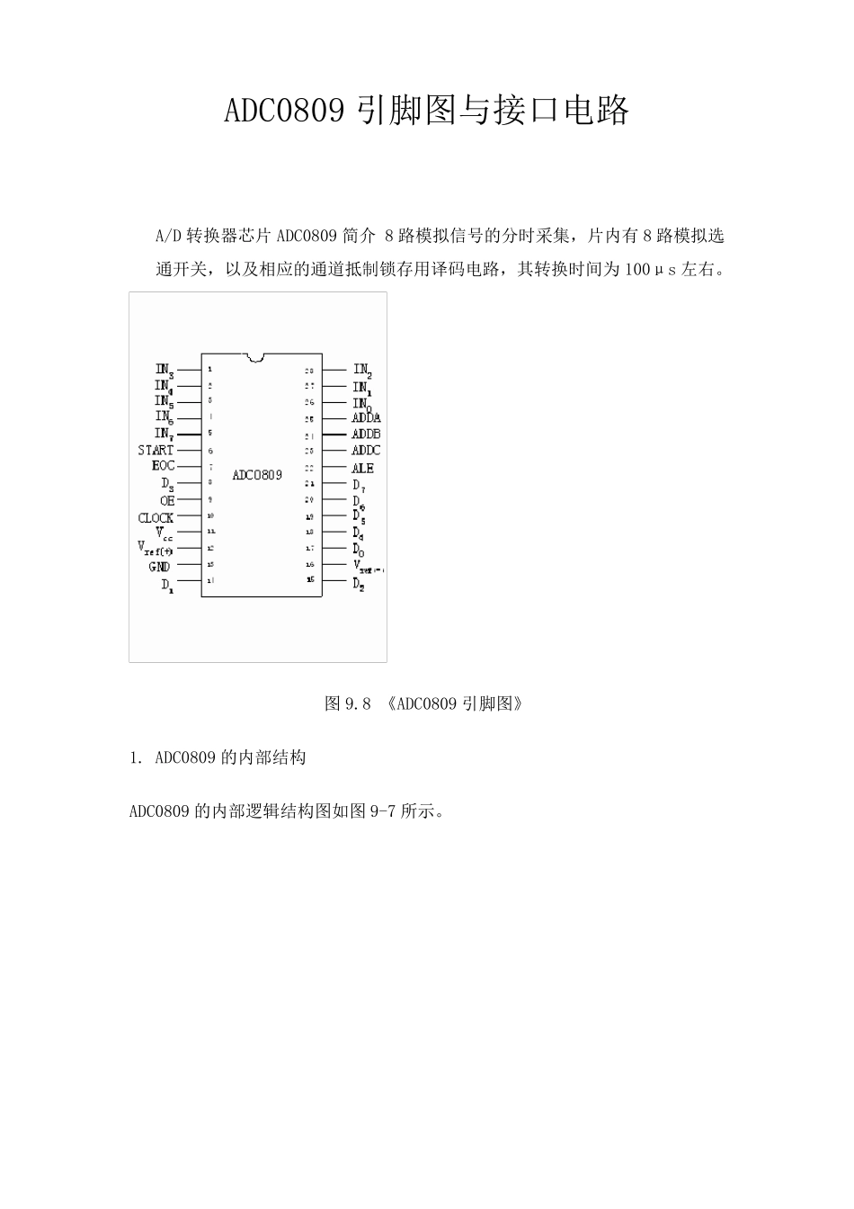
ADC0809 引脚图与接口电路 A/D 转换器芯片ADC0809 简介 8 路模拟信号的分时采集,片内有8 路模拟选通开关,以及相应的通道抵制锁存用译码电路,其转换时间为100μs 左右。 图9.8 《ADC0809 引脚图》 1. ADC0809 的内部结构 ADC0809 的内部逻辑结构图如图9-7 所示。 图9.7 《ADC0809 内部逻辑结构》 图中多路开关可选通8 个模拟通道,允许8 路模拟量分时输入,共用一个A/D 转换器进行转换,这是一种经济的多路数据采集方法。地址锁存与译码电路完成对A、B、C 3 个地址位进行锁存和译码,其译码输出用于通道选择,其转换结果通过三态输出锁存器存放、输出,因此可以直接与系统数据总线相连,表 9-1 为通道选择表。 表 9-1 通道选择表 2.信号引脚 ADC0809 芯片为28 引脚为双列直插式封装,其引脚排列见图9.8。 对ADC0809 主要信号引脚的功能说明如下: IN7~IN0——模拟量输入通道 ALE——地址锁存允许信号。对应 ALE 上跳沿,A、B、C 地址状态送入地址锁存器中。 START——转换启动信号。START 上升沿时,复位 ADC0809;START 下降沿时启动芯片,开始进行 A/D 转换;在 A/D 转换期间,START 应保持 低电平。本信号有时简写为ST. A、B、C——地址线。 通道端口选择线,A 为低地址,C 为高地址,引脚图中为ADDA,ADDB 和 ADDC。其地址状态与通道对应关系见表 9-1。 CLK——时钟信号。ADC0809 的内部没有时钟电路,所需时钟信号由外界提供,因此有时钟信号引脚。通常使用频率为500KHz 的时钟信号 EOC——转换结束信号。EOC=0,正在进行转换;EOC=1,转换结束。使用中该状态信号即可作为查询的状态标志,又可作为中断请求信号使用。 D7~D0——数据输出线。为三态缓冲输出形式,可以和单片机的数据线直接相连。D0 为最低位,D7 为最高 OE——输出允许信号。用于控制三态输出锁存器向单片机输出转换得到的数据。OE=0,输出数据线呈高阻;OE=1,输出转换得到的数据。 Vcc—— +5V 电源。 Vref——参考电源参考电压用来与输入的模拟信号进行比较,作为逐次逼近的基准 。其典 型 值 为+5V(Vref(+)=+5V, Vref(-)=-5V). 9.2.2 MCS-51 单片机与ADC0809 的接口 ADC0809 与MCS-51 单片机的连接如图9.10 所示。 电路连接主要涉及两个问题。一是8 路模拟信号通道的选择,二是A/D 转换完成后转换数据的传送。 1. 8 路模拟通道选择 图9.10 ADC0809 与MCS-51 的连接 如...

1、当您付费下载文档后,您只拥有了使用权限,并不意味着购买了版权,文档只能用于自身使用,不得用于其他商业用途(如 [转卖]进行直接盈利或[编辑后售卖]进行间接盈利)。
2、本站所有内容均由合作方或网友上传,本站不对文档的完整性、权威性及其观点立场正确性做任何保证或承诺!文档内容仅供研究参考,付费前请自行鉴别。
3、如文档内容存在违规,或者侵犯商业秘密、侵犯著作权等,请点击“违规举报”。

碎片内容

ADC0809引脚图与接口电路

您可能关注的文档

小辰7+ 关注
实名认证
内容提供者

出售各种资料和文档

相关文档

确认删除?
VIP
微信客服
  • 扫码咨询
会员Q群
  • 会员专属群点击这里加入QQ群
客服邮箱
回到顶部