电脑桌面
添加小米粒文库到电脑桌面
安装后可以在桌面快捷访问

ANSYS热分析指南与经典案例

ANSYS热分析指南与经典案例_第1页
1/34
ANSYS热分析指南与经典案例_第2页
2/34
ANSYS热分析指南与经典案例_第3页
3/34
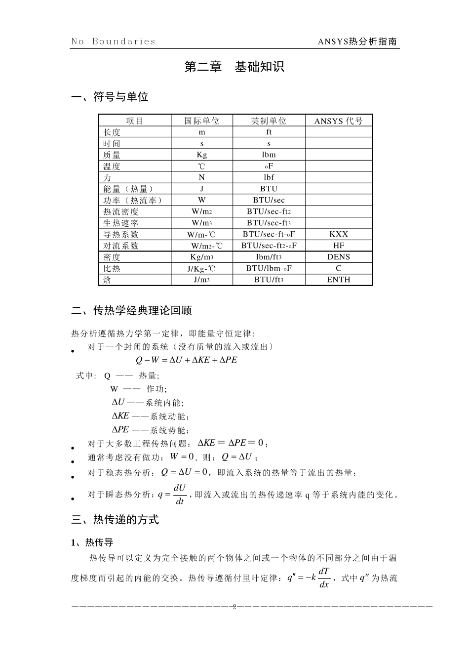
No Bou ndaries ANSYS热 分 析 指 南 —————————————————————————————————————————————— 1 第一章 简 介 一、热分析的目的 热分析用于计算一个系统或部件的温度分布及其它热物理参数,如热量的获取或损失、热梯度、热流密度(热通量〕等。 热分析在许多工程应用中扮演重要角色,如内燃机、涡轮机、换热器、管路系统、电子元件等。 二、ANSY S的热分析 • 在ANSYS/Mu ltiphy sics 、ANSYS/Mechanical 、ANSYS/Thermal 、ANSYS/FLOTRAN 、 ANSYS/ED五 种 产 品 中 包 含 热 分 析 功 能 , 其 中ANSYS/FLOTRAN 不含相变热分析。 • ANSYS 热分析基于能量守恒原理的热平衡方程,用有限元法计算各节点的温度,并导出其它热物理参数。 • ANSYS 热分析包括热传导、热对流及热辐射三种热传递方式。此外,还可以分析相变、有内热源、接触热阻等问题。 三、ANSY S 热分析分类 • 稳态传热:系统的温度场不随时间变化 • 瞬态传热:系统的温度场随时间明显变化 四、耦合分析 • 热-结构耦合 • 热-流体耦合 • 热-电耦合 • 热-磁耦合 • 热-电-磁-结构耦合等 No Bou ndaries ANSYS热 分 析 指 南 —————————————————————————————————————————————— 2 第二章 基础知识 一、符号与单位 项目 国际单位 英制单位 ANSYS 代号 长度 m ft 时间 s s 质量 Kg lbm 温度 ℃ oF 力 N lbf 能量(热量) J BTU 功率(热流率) W BTU/sec 热流密度 W/m2 BTU/sec-ft2 生热速率 W/m3 BTU/sec-ft3 导热系数 W/m-℃ BTU/sec-ft-oF KXX 对流系数 W/m2-℃ BTU/sec-ft2-oF HF 密度 Kg/m3 lbm/ft3 DENS 比热 J/Kg-℃ BTU/lbm-oF C 焓 J/m3 BTU/ft3 ENTH 二、传热学经典理论回顾 热分析遵循热力学第一定律,即能量守恒定律:  对于一个封闭的系统(没有质量的流入或流出〕 PEKEUWQ 式中: Q —— 热量; W —— 作功; U ——系统内能; KE ——系统动能; PE ——系统势能;  对于大多数工程传热问题:0==PEKE;  通常考虑没有做功:0W, 则:UQ;  对于稳态热分析:0UQ,即流入系统的热量等于流出的热量;  对于瞬态热分析:dtdUq ,即流入或流出的热传递速率...

1、当您付费下载文档后,您只拥有了使用权限,并不意味着购买了版权,文档只能用于自身使用,不得用于其他商业用途(如 [转卖]进行直接盈利或[编辑后售卖]进行间接盈利)。
2、本站所有内容均由合作方或网友上传,本站不对文档的完整性、权威性及其观点立场正确性做任何保证或承诺!文档内容仅供研究参考,付费前请自行鉴别。
3、如文档内容存在违规,或者侵犯商业秘密、侵犯著作权等,请点击“违规举报”。

碎片内容

ANSYS热分析指南与经典案例

确认删除?
VIP
微信客服
  • 扫码咨询
会员Q群
  • 会员专属群点击这里加入QQ群
客服邮箱
回到顶部