电脑桌面
添加小米粒文库到电脑桌面
安装后可以在桌面快捷访问

APQP项目完整资料清单

APQP项目完整资料清单_第1页
1/7
APQP项目完整资料清单_第2页
2/7
APQP项目完整资料清单_第3页
3/7
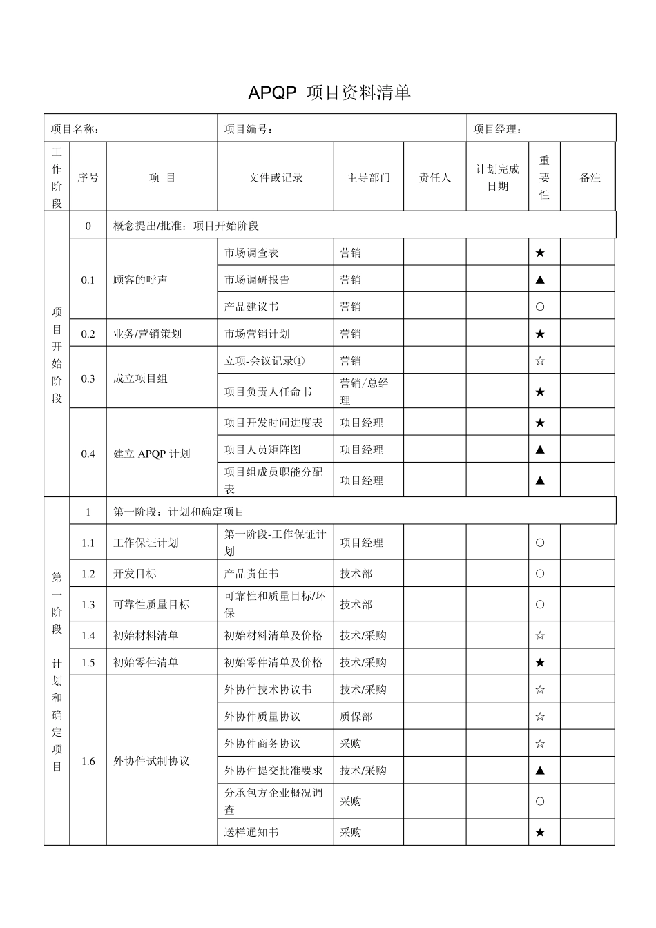
APQP 项目资料清单 项目名称: 项目编号: 项目经理: 工作阶段 序号 项 目 文件或记录 主导部门 责任人 计划完成日期 重要性 备注 项 目 开 始 阶 段 0 概念提出/批准:项目开始阶段 0.1 顾客的呼声 市场调查表 营销 ★ 市场调研报告 营销 ▲ 产品建议书 营销 ○ 0.2 业务/营销策划 市场营销计划 营销 ★ 0.3 成立项目组 立项-会议记录① 营销 ☆ 项目负责人任命书 营销/总经理 ★ 0.4 建立APQ P 计划 项目开发时间进度表 项目经理 ★ 项目人员矩阵图 项目经理 ▲ 项目组成员职能分配表 项目经理 ▲ 第 一 阶 段 计 划 和 确 定 项 目 1 第一阶段:计划和确定项目 1.1 工作保证计划 第一阶段-工作保证计划 项目经理 ○ 1.2 开发目标 产品责任书 技术部 ○ 1.3 可靠性质量目标 可靠性和质量目标/环保 技术部 ○ 1.4 初始材料清单 初始材料清单及价格 技术/采购 ☆ 1.5 初始零件清单 初始零件清单及价格 技术/采购 ★ 1.6 外协件试制协议 外协件技术协议书 技术/采购 ☆ 外协件质量协议 质保部 ☆ 外协件商务协议 采购 ☆ 外协件提交批准要求 技术/采购 ▲ 分承包方企业概况调查 采购 ○ 送样通知书 采购 ★ 1.7 初始分承包方 早期分承包方名单 技术/采购 ▲ 1.8 初始过程流程图 初始过程流程图 技术/生产 ▲ 1.9 特殊产品和过程特性初始明细表 初始特殊特性明细表 技术/顾客 ▲ 1.10 产品保证计划 祥见质量策划有效性5.8 项目组 ○ 1.11 管理者支持 第一阶段-审核表 项目组/总经理 ▲ 第 二 阶 段 产 品 设 计 和 开 发 2 第二阶段:产品设计和开发 2.1 工作保证计划 第二阶段-工作保证计划 项目经理 ○ 2.2 项目培训 项目开发培训方案 人事部 ☆ 2.3 可行性计划及报告 可制造性和可装配性设计计划 技术部 ○ 二次开发 可制造性和可装配性设计报告 技术部 ○ 二次开发 2.4 设计验证 设计验证计划 技术 ▲ 二次开发 设计验证报告 质保部 ▲ 二次开发 2.5 试验 试验计划 技术 ▲ 二次开发 试验报告 质保部 ▲ 二次开发 2.6 样件制造 样件-CP(控制计划) 项目组 ▲ A-8 样件-CP 检查清单 项目组 ▲ 样件 DFMEA 项目组 ▲ 二次开发 样件 DFMEA 检查清单 项目组 ▲ 二次开发 2.7 法规 影响配合、功能、耐久性和/或政...

1、当您付费下载文档后,您只拥有了使用权限,并不意味着购买了版权,文档只能用于自身使用,不得用于其他商业用途(如 [转卖]进行直接盈利或[编辑后售卖]进行间接盈利)。
2、本站所有内容均由合作方或网友上传,本站不对文档的完整性、权威性及其观点立场正确性做任何保证或承诺!文档内容仅供研究参考,付费前请自行鉴别。
3、如文档内容存在违规,或者侵犯商业秘密、侵犯著作权等,请点击“违规举报”。

碎片内容

APQP项目完整资料清单

小辰9+ 关注
实名认证
内容提供者

出售各种资料和文档

确认删除?
VIP
微信客服
  • 扫码咨询
会员Q群
  • 会员专属群点击这里加入QQ群
客服邮箱
回到顶部