电脑桌面
添加小米粒文库到电脑桌面
安装后可以在桌面快捷访问

屋顶花园设计规范方案

屋顶花园设计规范方案_第1页
1/8
屋顶花园设计规范方案_第2页
2/8
屋顶花园设计规范方案_第3页
3/8
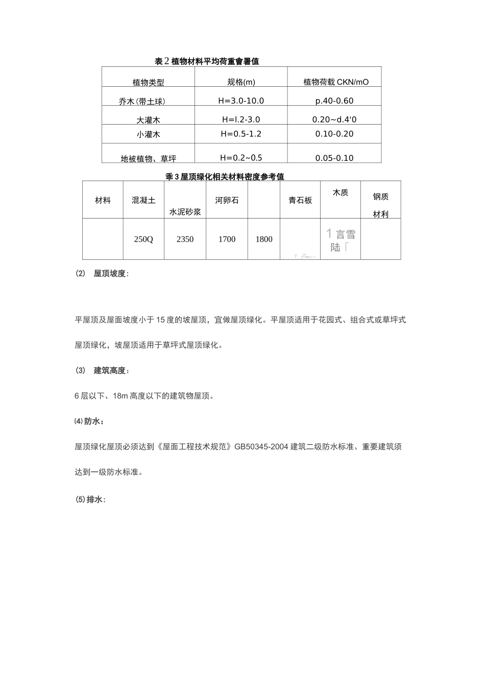
屋顶花园设计规范(摘要)一、屋顶绿化的基本类型(1) 花园式屋顶绿化(2) 组合式屋顶绿化(3) 草坪式屋顶绿化表 1 屋顶绿化建设指标参考花园式及组台式屋顶.绿化绿化种植面积占绿化屋顶面积>60%铺裝园路面积占绿化屋顶面积<12%园林小品面积占绿化屋顶面积<3%.草坪式屋顶绿化绿化种植面积占绿化屋顶』只何0 信旨-'1?■二、屋顶绿化建筑物要求(1)顶板荷载:屋顶绿化设计须充分考虑绿化的荷载。花园式和组合式屋顶绿化屋顶设计,其屋面荷载应 N4.50KN/m2(营业性屋顶花园 N6.0KN/m2);草坪式屋顶绿化屋顶设计,其屋面荷载应 N2.5KN/m2。屋顶绿化设计时应由屋面荷载验算资质的相关单位进行复验,并出具证明。表 2 植物材料平均荷重會署值植物类型规格(m)植物荷载 CKN/mO乔木(带土球)H=3.0-10.0p.40-0.60大灌木H=l.2-3.00.20~d.4'0小灌木H=0.5-1.20.10-0.20地被植物、草坪H=0.2~0.50.05-0.10乖 3 屋顶绿化相关材料密度参考值材料混凝土水泥砂浆河卵石青石板木质钢质材利250Q235017001800Y_孑■■1r-J*.1 言雪陆「(2)屋顶坡度:平屋顶及屋面坡度小于 15 度的坡屋顶,宜做屋顶绿化。平屋顶适用于花园式、组合式或草坪式屋顶绿化,坡屋顶适用于草坪式屋顶绿化。(3)建筑高度:6 层以下、18m 高度以下的建筑物屋顶。⑷ 防水:屋顶绿化屋顶必须达到《屋面工程技术规范》GB50345-2004 建筑二级防水标准、重要建筑须达到一级防水标准。(5)排水:iricl-kU屋顶绿化屋顶应设计合理的排水系统,呆证暴雨后 1 小时内排水,在排水口应有过滤结构。三、屋顶绿化设计屋顶绿化构造层自建筑屋顶上依次为:耐根穿刺防水层、排(蓄)水层、隔离过滤层、基质层、种植层。A-构愿-u-阴木层一—C-E548S~—D 排(陽)衣慝-E-荃质屏I⑴ 耐根穿刺防水层:耐根穿刺防水层的合理使用年限不得少于 15 年。可选用刚性防水、柔性防水或涂膜防水三种不同材料方法,应二道或二道以上防水层设防,最上道防水层必须采用耐穿刺防水材料。防水层的材料应相容。材料应符合《屋面工程技术规范》GB50345-2004。⑵ 排(蓄)水层:排(蓄)水层应根据屋顶排水沟情况设计,材料可选用凸台式、模块式、组合式等多种形式的排(蓄)水板、或直径大于 0.4-1.6cm 的陶粒,厚度宜 5cm。-基质层-过滤展排〔邃)水层——隔根层图 5 屋顶绿化排(蓄)水板铺设兀‘去示章图(3)隔离过滤层:隔离过滤层一般采用既能透水又能过滤的聚酯纤维无纺布等材料,在基质层下排(蓄)水层之上,搭...

1、当您付费下载文档后,您只拥有了使用权限,并不意味着购买了版权,文档只能用于自身使用,不得用于其他商业用途(如 [转卖]进行直接盈利或[编辑后售卖]进行间接盈利)。
2、本站所有内容均由合作方或网友上传,本站不对文档的完整性、权威性及其观点立场正确性做任何保证或承诺!文档内容仅供研究参考,付费前请自行鉴别。
3、如文档内容存在违规,或者侵犯商业秘密、侵犯著作权等,请点击“违规举报”。

碎片内容

屋顶花园设计规范方案

您可能关注的文档

确认删除?
VIP
微信客服
  • 扫码咨询
会员Q群
  • 会员专属群点击这里加入QQ群
客服邮箱
回到顶部